光敏电阻的特点是有光照射它时阻值变小。如图所示是某小区门口利用光敏电阻设计的行人监控装置,R为光敏电阻,R 为滑动变阻器,A、B间接监控装置。则:
[     ]

A.当有人通过通道而遮蔽光线时,A、B间电压降低    
B.当有人通过通道而遮蔽光线时,通过R的电流变大    
C.当仅增大R 连入电路中的阻值时,通过R 的电流变大
D.当仅增大R 连入电路中的阻值时,可降低A、B间的电压

如图1的电路中,电源电压恒为12V,滑动变阻器铭牌上标有“100 0.5A”字样,图2为R1的I-U图象,R1的阻值为_________,当电路中的电流为0.2A时,滑动变阻器R2接入电路的阻值为___________,为了不损坏滑动变阻器R2,接入电路的阻值应不小于__________

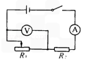
如图是利用滑动变阻器控制电流的电路,其中电阻R 为100 欧姆,它与滑动变阻器串联在电路中,通过电阻的电流可在10 毫安~100 毫安范围内调节。
(1)选用电源的电压应为多大?
(2)变阻器的总电阻为多大?额定电流至少要多大?
(3)上述电路能否使电阻R两端的电压调为零?请说明理由。
 0  25807  25815  25821  25825  25831  25833  25837  25843  25845  25851  25857  25861  25863  25867  25873  25875  25881  25885  25887  25891  25893  25897  25899  25901  25902  25903  25905  25906  25907  25909  25911  25915  25917  25921  25923  25927  25933  25935  25941  25945  25947  25951  25957  25963  25965  25971  25975  25977  25983  25987  25993  26001  235360