将一实心小物块轻轻放入装满水的烧杯中,物块漂浮在水面上,有的体积露出水面,从烧杯中溢出的水重为1N.则物块漂浮时与未放入物块时相比较,烧杯中的水对烧杯底部的压力将____________(减小/不变/增大);若用与物块相同材料制成一个1m3的实心物体,其质量为____________kg。

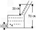
如图所示,容器底面积为1dm2,容器内装有水,根据图中所给的条件,求容器中A点受到水的压强为              Pa;容器底面受到水的压力为            N.(g取10N/kg)
2011年9月18 日渠江流域发生了严重洪涝灾害。某地水库堤坝坝底水深已达30m,严重威胁着下游群众的生命安全,此时堤坝底部受到水的压强为              Pa。若该水库堤坝所能承受的最大压强为3.2×105Pa,则最多还允许水位上涨         m(g=10N/Kg)。
某同学测得家用保温瓶胆的最深处为30cm,装满开水后水对瓶胆底的最大压强为           Pa;若将瓶中的开水全部倒入脸盆中,则水对脸盆底的压强                     (填“大于”、“小于”、“等于”).
如图所示,一个两端开口的直圆筒下端放一个轻质塑料薄片,把薄片压入水下20cm处.若从简口缓慢地往筒中倒入密度为0.8×103kg/m3的酒精,当塑料片恰好掉下时,酒精深度为        cm .
 0  22199  22207  22213  22217  22223  22225  22229  22235  22237  22243  22249  22253  22255  22259  22265  22267  22273  22277  22279  22283  22285  22289  22291  22293  22294  22295  22297  22298  22299  22301  22303  22307  22309  22313  22315  22319  22325  22327  22333  22337  22339  22343  22349  22355  22357  22363  22367  22369  22375  22379  22385  22393  235360