小明、小红和小亮在做“探究影响导体的电阻大小因素”实验时,做出了如下猜想。

猜想一:导体的电阻可能与导体的长度有关。

猜想二:导体的电阻可能与导体的横截面积有关。

猜想三:导体的电阻可能与导体的材料有关。

实验室提供了4根电阻丝,其规格、材料如下表所示

编号

材料

长度(m)

横截面积(mm2

A

镍铬合金

0.25

1.0

B

镍铬合金

0.50

1.0

C

镍铬合金

0.25

2.0

D

锰铜合金

0.25

1.0


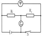
(1)如图所示电路,闭合开关后,在M、N之间分别接上不同导体,通过观察相关现象来比较导体电阻大小,小明、小红和小亮对图中的电路设计提出了自己的观点:

小明认为:电流表是多余的,观察灯泡的亮度就可以判断导体电阻的大小。

小红认为:灯泡是多余的,根据电流表示数的变化就可以判断导体电阻的大小。

小亮认为:灯泡和电流表同时使用更好,因为灯泡可以保护电路,从而防止烧坏电流表。

你赞同_______(选填“小明”、“小红”或“小亮”)的观点。

(2)为了验证猜想二,可依次把M、N跟________(选填“A、B、C、D”)的两端相连,闭合开关,记下电流表的示数,分析比较这两根电阻丝电阻的大小。

(3)依次把M、N跟电阻丝A、B的两端连接,闭合开关,电流表的示数不同,分析比较A、B两根电阻丝电阻的大小,可探究电阻跟_________的关系,其结论是_______ _______________________________________________________________________。

(4)小丽在探究同样的课题时,手边只有一根电阻丝,那么,她利用这根电阻丝和上述电路,不能够完成猜想______(选填“一”、“二”或“三”)的实验验证。

(5)以上方法在研究物理问题时经常用到,被称为控制变量法。下列4个实验中没有用到此方法的是 ( )

A.探究电流与电压、电阻的关系实验 B.探究影响压力作用效果的因素实验

C.探究平面镜成像的特点实验 D.探究影响摩擦力大小的因素实验

 0  154906  154914  154920  154924  154930  154932  154936  154942  154944  154950  154956  154960  154962  154966  154972  154974  154980  154984  154986  154990  154992  154996  154998  155000  155001  155002  155004  155005  155006  155008  155010  155014  155016  155020  155022  155026  155032  155034  155040  155044  155046  155050  155056  155062  155064  155070  155074  155076  155082  155086  155092  155100  235360 

违法和不良信息举报电话:027-86699610 举报邮箱:58377363@163.com

精英家教网