搜索
题目内容
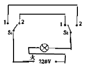
如图示,某同学设计一个楼梯电灯的电路,要求闭合或断开S
1
或S
2
都可控制电灯。由于该同学忘记了连导线,请你在图上将电路连接好(用笔作线当导线)。
试题答案
相关练习册答案
练习册系列答案
书立方地方专版系列答案
经纶学典小升初衔接教材系列答案
金钥匙冲刺卷系列答案
全能金卷小学毕业升学全程模拟试卷系列答案
北斗星名校期末密卷系列答案
生本精练册系列答案
初中毕业升学指导系列答案
考必胜全国小学毕业升学考试试卷精选系列答案
书立方期末大考卷系列答案
中招试题详解暨中招复习指导系列答案
相关题目
在综合实践活动中,某兴趣小组的同学利用纸锥和小金属球来研究“空气阻力和速度的关系”. 取三个相同的纸锥,每个纸锥的质量为m,并编号为甲、乙、丙,其中在乙纸锥内固定质量为3m的小金属球,在丙纸锥内固定质量为8m的小金属球.让它们从不同高度分别自由落下,并以竖直砖墙为背景,当进入竖直砖墙的区域时,用照相机通过每隔相等的时间曝光一次的方法记录纸锥的运动过程,如图是其中一段的示意图.请根据图示回答下列问题:
(1)对于图中的这段运动过程,下列说法正确的是
D
D
;
A.只有甲做匀速直线运动
B.只有乙做匀速直线运动
C.只有丙做匀速直线运动
D.甲、乙、丙都做匀速直线运动
(2)对于图中的这段运动过程,甲、乙、丙三个纸锥的速度之比是
1:2:3
1:2:3
;它们所受的空气阻力之比是
1:4:9
1:4:9
;由此可以得出的实验结论是
形状相同的纸锥,下落时所受空气阻力与速度的平方成正比
形状相同的纸锥,下落时所受空气阻力与速度的平方成正比
.
(3)物体在流体(液体和气体)中运动时,受到阻碍物体运动的力,称作“流体阻力”.影响“流体阻力”大小的因素有物体表面的粗糙程度、物体和液体间相对运动的速度以及物体垂直运动方向的横截面大小.某同学为了验证“流体阻力的大小与运动物体表面粗糙程度有关”,设计了如下实验方案:
①用弹簧测力计拉一艘表面光滑的船模型在水中运动,并记下弹簧测力计的示数F
1
;
②用弹簧测力计拉另一艘表面粗糙的船模型在水中运动,并记下弹簧测力计的示数F
2
;
③通过比较F
1
与F
2
的大小,就能得出物体受到流体阻力是否与物体表面粗糙程度有关.
请你对该同学的实验方案进行评估,指出其中存在的问题(仅要求写一点).
模型没有在水平方向做匀速直线运动
模型没有在水平方向做匀速直线运动
.
(2010?从化市一模)某同学为探究电磁铁磁性与线圈匝数的关系,设计了如图所示的实验,他用相同的漆包线在相同的铁钉上绕制成两个电磁铁,接通电源后,二者吸附大头针的实验现象如图所示.
(1)这两个电磁铁是
串联
串联
(选填“串联”或“并联”),这样连接的目的是
控制电流相等
控制电流相等
;
(2)根据图示的实验现象,可以得出的实验结论是:
电流和铁芯一定时,线圈匝数越多,电磁铁磁性越强
电流和铁芯一定时,线圈匝数越多,电磁铁磁性越强
.
某同学探究在“并联电路中电流特点”的活动中,提出了一个问题,即并联电路干路电流与各支路电流有什么关系?
他猜想:干路中的电流等于各支路中的电流之和.于是,他进行了实验方案的设计(略).在实验中,他进行了如下操作:如图示,闭合开关,记录A、B、C各点的电流值,如下表所示:
分析表中数据,得出结论:并联电路干路中的电流等于各支路中的电流之和.
(1)、该同学仅凭表格中的数据分析,就得出实验结论,你认为该同学设计的实验方案存在什么问题?
实验次数过少,缺少多次测量,仅凭一次实验数据得出结论有一定偶然性
实验次数过少,缺少多次测量,仅凭一次实验数据得出结论有一定偶然性
;
(2)、实验的改进方法:
换用不同规格的小灯泡,并进行多次测量
换用不同规格的小灯泡,并进行多次测量
.
某小组的同学在探究“比较不同物质的吸热能力”时使用了如图所示装置.
(1)在设计实验时,除图示器材外,还必须添加的测量工具是
天平
天平
,目的是
控制水和煤油的质量相等
控制水和煤油的质量相等
.
(2)实验时用同样的酒精灯加热,某同学观察到:“加热相同的时间时,煤油升高的温度高一些”即认为煤油吸收的热量多一些.”这位同学的判断是否正确?
不正确
不正确
.理由是
用相同的酒精灯加热,加热相同的时间,水和煤油吸收的热量相等
用相同的酒精灯加热,加热相同的时间,水和煤油吸收的热量相等
.
(3)该小组同学测得物质升高一定的温度时所需的加热时间如下表,根据表中数据可得:质量相同的水和沙子,升高相同的温度,
水
水
吸热多一些.
质量/g
升温10℃所需时间/s
升温20℃所需时间/s
升温30℃所需时间/s
沙子
30
64
89
124
水
30
96
163
220
(4)由以上数据还可以分析得出:质量相同的水和沙子,吸收相同热量,
沙子
沙子
温度升高得多一些.下列事实能用上述实验结果解释的是
A
A
A.沿海地区昼夜温差会比内陆地区小 B.用盐水腌蛋,一段时间后蛋会变咸
C.长期堆放煤的水泥地面变成黑色 D.夏天给教室洒水,感觉凉爽.
在探究重力势能与什么因素有关时,同学们经过讨论,提出如下猜想:重力势能的大小可能跟物体的质量有关;也可能跟物体的高度有关.下面是小明和小聪关于这个问题讨论后的实验设计.
设计一:让质量为m的物体从不同高度落向插入沙坑中的木桩.
设计二:让质量为m和2m的两个大小不同的物体从同一高度落向插入沙坑中的木桩.
实验发现B比A插入得深,D比C插入得深,如图1所示.请解答下列问题:
(1)要探究重力势能与高度的关系应选用
设计一
设计一
.
(2)根据设计二及实验结果的图示,可得出的结论是
在高度一定时,物体的质量越大,重力势能越大
在高度一定时,物体的质量越大,重力势能越大
.
(3)如何有效地提高能量利用率是人类所面临的一项重要任务.如图2是某轻轨车站的设计方案示意图,该图表明与站台前后连接的轨道都有一个小坡度.请你说明这种设计可以节能的理由:
车进站时的部分动能转化为重力势能,减小因刹车消耗的机械能;车出站时储存的重力势能又转化为动能,起到节能的作用
车进站时的部分动能转化为重力势能,减小因刹车消耗的机械能;车出站时储存的重力势能又转化为动能,起到节能的作用
.
关 闭
试题分类
高中
数学
英语
物理
化学
生物
地理
初中
数学
英语
物理
化学
生物
地理
小学
数学
英语
其他
阅读理解答案
已回答习题
未回答习题
题目汇总
试卷汇总
练习册解析答案