搜索
题目内容
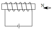
图是未画出绕线的通电螺线管,螺线管旁边有一个小磁针,其稳定指向如图所示,请画出螺线管的绕线方法。
试题答案
相关练习册答案
练习册系列答案
导学练小学毕业总复习系列答案
导学新作业系列答案
学考新视野系列答案
学考英语阅读理解与完形填空系列答案
学考精练百分导学系列答案
学考传奇系列答案
学海乐园系列答案
星级口算天天练系列答案
世纪金榜初中全程复习方略系列答案
芒果教辅达标测试卷系列答案
相关题目
19、如图是未画出绕线的通电螺线管,螺线管旁边有一个小磁针,其稳定指向如图所示,请画出螺线管的绕线方法.
如图是未画出绕线的通电螺线管,螺线管旁边有一个小磁针,其稳定指向如图所示,请画出螺线管的绕线方法.
如图是未画出绕线的通电螺线管,螺线管旁边有一个小磁针,其稳定指向如图所示,请画出螺线管的绕线方法.
如图是未画出绕线的通电螺线管,螺线管旁边有一个小磁针,其稳定指向如图所示,请画出螺线管的绕线方法.
如图是未画出绕线的通电螺线管,螺线管旁边有一个小磁针,其稳定指向如图所示,请画出螺线管的绕线方法.
关 闭
试题分类
高中
数学
英语
物理
化学
生物
地理
初中
数学
英语
物理
化学
生物
地理
小学
数学
英语
其他
阅读理解答案
已回答习题
未回答习题
题目汇总
试卷汇总
练习册解析答案