题目内容
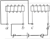
如图所示,两电磁铁的铁芯和线圈匝数相同,将它们接入电源,要求两电磁铁相互吸引且磁性强弱相同.
从题可知,电磁铁的铁芯和线圈匝数相同,为了保证两电磁铁磁性强弱相同,则应让通过它们的电流相等,即两个电磁铁串联.
两电磁铁相互吸引,则两个电磁铁的磁极是异名磁极,由安培定则可知,流经b,c两个导线电流的方向应相同,所以b接P,a接c,d接Q.
故答案如图所示:

两电磁铁相互吸引,则两个电磁铁的磁极是异名磁极,由安培定则可知,流经b,c两个导线电流的方向应相同,所以b接P,a接c,d接Q.
故答案如图所示:
练习册系列答案
相关题目