题目内容
实验桌上有如下器材:符合实验要求的电源一个(两端电压不变)、电流表和电压表各一只、开关一个、阻值为R0的定值电阻一个、电阻箱(符号
)一个、导线若干。要求从实验桌上选择适当器材,设计一个实验探究:“在并联电路中,当其中电阻R0不变时,并联电路的等效电阻大小随另一个电阻阻值变化的情况”。请画出实验电路图,并写出实验步骤。
(1)将实验电路图画在方框内:
(1)将实验电路图画在方框内:
(2)实验步骤:
____________________________________________________________
____________________________________________________________
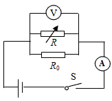
(1)实验电路图 
(2)实验步骤:
①断开开关S,用调节好的电流表、电压表按图连接电路。
②调节电阻箱连入电路阻值为R1,闭合开关S,将电阻箱的阻值R1及电流表、电压表的示数I1、U1,记录在表格中。
③断开开关S,调节电阻箱连入电路阻值为R2,闭合开关S,将电阻箱的阻值R2及电流表、电压表的示数I2、U2,记录在表格中。
④仿照步骤③,再做4次实验,将R3 、R4……R6 和相应的电流表、电压表的示数I3、I4 ………I6 ,U3、U4………U6记录在表格中。记录R3、R4……R6的阻值。
⑤利用公式R=U/I计算出每次并联电路等效电阻值R并1、R并2 ……R并6 ,记录在表格中。
①断开开关S,用调节好的电流表、电压表按图连接电路。
②调节电阻箱连入电路阻值为R1,闭合开关S,将电阻箱的阻值R1及电流表、电压表的示数I1、U1,记录在表格中。
③断开开关S,调节电阻箱连入电路阻值为R2,闭合开关S,将电阻箱的阻值R2及电流表、电压表的示数I2、U2,记录在表格中。
④仿照步骤③,再做4次实验,将R3 、R4……R6 和相应的电流表、电压表的示数I3、I4 ………I6 ,U3、U4………U6记录在表格中。记录R3、R4……R6的阻值。
⑤利用公式R=U/I计算出每次并联电路等效电阻值R并1、R并2 ……R并6 ,记录在表格中。
练习册系列答案
相关题目