题目内容
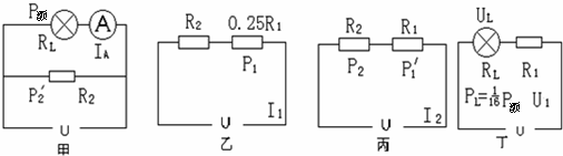
如图所示电路,电源两端电压保持不变,滑动变阻器的最大电阻值为R1,R2为定值电阻,灯泡L标有“12V 9W”字样(不计温度对电阻的影响).当开关都闭合时,灯泡L恰能正常发光.将开关S1、S3断开,S2闭合后,改变滑动变阻器的滑片P的位置,使滑动
变阻器连入电路的电阻分别为0.25R1和R1,这两种情况下,滑动变阻器消耗的电功率相等,当滑动变阻器连入电路的电阻为R1时,R2消耗的电功率为P2.当开关S1、S2断开,S3闭合,滑片P在变阻器的左端时,灯泡L的实际电功率为额定电功率的
.求:
(1)灯泡正常发光时电流表的示数IA为多少安?
(2)滑动变阻器的最大电阻值R1为多少欧?
(3)P2为多少瓦?
(4)电路在以上的几个状态中,功率最大时应为多少瓦?

解:开关都闭合时,等效电路如图甲所示;S1、S3断开,S2闭合,P位于0.25R1和R1时,等效电路如图乙、丙所示;S1、S2断开,S3闭合,P在左端,等效电路如图丁所示.

(1)在甲图中,
∵并联电路中各支路两端的点压相等,且小灯泡正常发光,
∴电源电压U=12V
IA=I额=
=
=0.75A;
(2)根据欧姆定律可得,灯泡的电阻:
RL=
=
=16?,
图乙和丙图中,
∵P=I2R,且P1=P1′
∴
=
=(
)2×
=
,
解得:
=
,
∵电源的电压不变,
∴
=
=
,
解得:R1=2R2,
图丁中,
PL=
=
=
×9W
解得:UL=3V,
∵串联电路总电压等于各分电压之和,
∴U1=U-UL=12V-3V=9V,
∵串联电路中各处的电流相等,
∴
=
,即
=
,
解得:R1=48?,
∴R2=
R1=
×48Ω=24?;
(3)图丙中,
I2=
=
=
A,
∴P2=I22R2=(
A)2×24?=
W;
(4)在甲图中:
P2′=
=
=6W,
电路的最大功率:
P=P额+P2′=9W+6W=15W.
答:(1)灯泡正常发光时电流表的示数IA为0.75A;
(2)滑动变阻器的最大电阻值R1为24Ω;
(3)P2为
W;
(4)电路中功率最大时应15W.
分析:先画出四中情况的等效电路图:
(1)灯泡正常发光时的电压和额定电压相等,根据并联电路的电压特点可知电源的电压;
(2)根据欧姆定律求出灯泡的电阻,图乙和丙图中变阻器消耗的电功率相等,根据P=I2R和电阻关系即可求出两电路的电流关系,根据电阻的串联和欧姆定律表示出电源的电压,利用电源的电压不变结合电流关系即可求出R1与R2的关系,根据P=
和灯泡实际功率与额定功率关系求出图丁中灯泡两端的电压,根据电阻的串联求出R1两端的电压,利用串联电路的电流特点和欧姆定律表示出电源的电压即可求出R1的阻值,进一步求出滑动变阻器的最大电阻值;
(3)根据欧姆定律求出图丙中的电流,利用P=I2R求出P2的大小;
(4)根据P=
可知,电压一定时,图甲中的总电阻最小,电功率最大,利用P=
求出R2的功率,然后加上灯泡的额定功率即为总功率.
点评:本题考查了串联电路的特点和并联电路的特点以及欧姆定律、电功率公式的灵活应用,关键是画出三种情况的等效电路图,解答此类问题时,可将每一种情况中的已知量和未知量都找出来,仔细分析找出各情况中的关联,即可求解.
(1)在甲图中,
∵并联电路中各支路两端的点压相等,且小灯泡正常发光,
∴电源电压U=12V
IA=I额=
(2)根据欧姆定律可得,灯泡的电阻:
RL=
图乙和丙图中,
∵P=I2R,且P1=P1′
∴
解得:
∵电源的电压不变,
∴
解得:R1=2R2,
图丁中,
PL=
解得:UL=3V,
∵串联电路总电压等于各分电压之和,
∴U1=U-UL=12V-3V=9V,
∵串联电路中各处的电流相等,
∴
解得:R1=48?,
∴R2=
(3)图丙中,
I2=
∴P2=I22R2=(
(4)在甲图中:
P2′=
电路的最大功率:
P=P额+P2′=9W+6W=15W.
答:(1)灯泡正常发光时电流表的示数IA为0.75A;
(2)滑动变阻器的最大电阻值R1为24Ω;
(3)P2为
(4)电路中功率最大时应15W.
分析:先画出四中情况的等效电路图:
(1)灯泡正常发光时的电压和额定电压相等,根据并联电路的电压特点可知电源的电压;
(2)根据欧姆定律求出灯泡的电阻,图乙和丙图中变阻器消耗的电功率相等,根据P=I2R和电阻关系即可求出两电路的电流关系,根据电阻的串联和欧姆定律表示出电源的电压,利用电源的电压不变结合电流关系即可求出R1与R2的关系,根据P=
(3)根据欧姆定律求出图丙中的电流,利用P=I2R求出P2的大小;
(4)根据P=
点评:本题考查了串联电路的特点和并联电路的特点以及欧姆定律、电功率公式的灵活应用,关键是画出三种情况的等效电路图,解答此类问题时,可将每一种情况中的已知量和未知量都找出来,仔细分析找出各情况中的关联,即可求解.
练习册系列答案
相关题目