搜索
题目内容
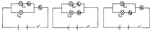
如图所示,现有一个电池组,两只电流表A
1
和A
2
,两只小灯泡L
1
和L
2
(灯L
1
的电流大于灯L
2
的电流),一个开关,导线若干条(用笔画线代替导线)。请你设计一个电路,要求开关闭合后,灯L
1
与灯L
2
并联,两只电流表接在电路中,且电流表A
1
的示数大于电流表A
2
的示数。
试题答案
相关练习册答案
(多个答案,以下任一种方法均可)
练习册系列答案
课课练检测卷系列答案
培优提高暑期班初中衔接教材浙江大学出版社系列答案
新活力总动员新课标暑系列答案
玩加学假期生活暑系列答案
暑假计划兰州大学出版社系列答案
世超金典暑假乐园暑假系列答案
快乐暑假深圳报业集团出版社系列答案
综合暑假作业本系列答案
尚书郎精彩假期暑假篇系列答案
学易优一本通系列丛书赢在假期暑假系列答案
相关题目
(2012?吉州区模拟)现有两个热敏电阻R
1
、R
2
和一个定值电阻R
0
.R
1
的阻值会随温度升高而增大,R
2
的阻值会随温度升高而减小,R
0
的阻值不变,它们的电流随电压的变化曲线如图所示.下列对三条曲线的分析正确的是( )
A.曲线①是R
1
的电流随电压的变化曲线
B.曲线②是R
2
的电流随电压的变化曲线
C.曲线③是R
0
的电流随电压的变化曲线
D.从图中可知R
0
的电阻值为10Ω
实际的电源都有一定的电阻,如干电池,我们需要用它的电压U和电阻r两个物理量来描述它.实际计算过程中,可以把它看成是由一个电压为U、电阻为0的理想电源与一个电阻值为r的电阻串联而成,如图甲所示.实验室有一电源,电源电压约为3V、电阻不到1Ω.为了测量该电源的电压和电阻,现有两个电阻R
1
=15Ω,R
2
=5Ω,一量程为0.3A的电流表,并设计了如图所示的两种测量电路乙和丙.
(1)请选择可行的测量电路
丙
丙
,理由是
若选择乙图,电路中的电流会超过电流表的量程
若选择乙图,电路中的电流会超过电流表的量程
;
(2)实验步骤如下:①闭合开关S
1
、S
2
,读出电流表示数为I
1
;②闭合开关S
1
,断开开关S
2
,读出电流表示数为I
2
;请推导出电源电压和电阻的数学表达式.
某学生为了测量一物体的质量,找到一个力电转换器,该转换器的输出电压正比于受压面的压力( 设比例系数为 k ),如图所示,测量时先调节输入端的电压,使转换器空载时的输出电压为0;而后在其受压面上放一物体,即可测得与物体的质量成正比的输出电压U.
现有下列器材:力电转换器、质量为m
0
的砝码、电压表、滑动变阻、干电池各一个、开关及导线若干、待测物体(可置于力电转换器的受压面上).
请完成对待测物体质量的测量.
(1)为使力电转换器的输入电压可调,并且使电压的调节范围尽可能大,某同学设计了如图所示电路.若去掉ab导线,能否达到设计要求?说明理由.
(2)简要说明按图电路进行测量的实验步骤,求出比例系数k,井写出待测物体的质量m与已知量、可测量之间的关系式.
如图所示,用一根电阻为6R的粗细均匀的镍铬合金线做成一个环,在环上6个对称的点上,焊接6个不计电阻的导线,并与接线柱连接,现有一根不计电阻的导线将6个接线柱中的任意两个相连接,利用这种方法,可以在其它各接线柱之间的获得不同阻值(不含零电阻)的总个数和最大电阻值分别是( )
A.9种,最大为1.5R
B.12种,最大为2.0R
C.15种,最大为2.5R
D.18种,最大为3.0R
某学生为了测量一物体的质量,找到一个力电转换器,该转换器的输出电压正比于受压面的压力(比例系数为k),如图所示.测量时先调节输入端的电压,使转换器空载时的输出电压为零;而后在其受压面上放一物体,即可测得与物体的质量成正比的输出电压U.现有下列器材:力电转换器、质量为m0的砝码、电压表、滑动变阻器、干电池各一个,开关及导线若干、待测物体(可置于力电转换器的受压面上). 请在如图所示的方框内完成对该物体质量的测量.
(1)设计一个电路,要求力电转换器的输入电压可调,并且使电压的调节范围尽可能大,在方框中画出完整的测量电路图.
(2)简要说明测量步骤,求出比例系数k,并测出待测物体的质量m.
(3)请设想实验中可能会出现的一个问题.
关 闭
试题分类
高中
数学
英语
物理
化学
生物
地理
初中
数学
英语
物理
化学
生物
地理
小学
数学
英语
其他
阅读理解答案
已回答习题
未回答习题
题目汇总
试卷汇总
练习册解析答案