搜索
题目内容
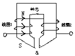
如图所示为录音机上的录音磁头简图。录音时,声音先转变成强弱变化的电流,当电流通过录音磁头上的线圈时,线圈就具有__________性,铁芯缝隙a处就产生________。若线圈1通上如图所示的电流,请在图上标出其磁极。
试题答案
相关练习册答案
磁;磁场;
练习册系列答案
课课练与单元测试系列答案
世纪金榜小博士单元期末一卷通系列答案
单元测试AB卷台海出版社系列答案
黄冈新思维培优考王单元加期末卷系列答案
名校名师夺冠金卷系列答案
小学英语课时练系列答案
培优新帮手系列答案
天天向上一本好卷系列答案
小学生10分钟应用题系列答案
课堂作业广西教育出版社系列答案
相关题目
如图所示为录音机上的录音磁头简图.录音时,声音先转变成强弱变化的电流,当电流通过录音磁头上的线圈时,线圈就具有
磁
磁
性,铁芯缝隙a处就产生
有关磁性变化的信息
有关磁性变化的信息
.
如图所示为录音机上的录音磁头简图.录音时,声音先转变成强弱变化的电流,当电流通过录音磁头上的线圈时,线圈就具有
磁
磁
性.
如图所示为录音机上的录音磁头简图.录音时,声音先转变成强弱变化的电流,当电流通过录音磁头上的线圈时,线圈就具有
性.
如图所示为录音机上的录音磁头简图.录音时,声音先转变成强弱变化的电流,当电流通过录音磁头上的线圈时,线圈就具有______性,铁芯缝隙a处就产生______.
如图所示为录音机上的录音磁头简图.录音时,声音先转变成强弱变化的电流,当电流通过录音磁头上的线圈时,线圈就具有______性,铁芯缝隙a处就产生______.
关 闭
试题分类
高中
数学
英语
物理
化学
生物
地理
初中
数学
英语
物理
化学
生物
地理
小学
数学
英语
其他
阅读理解答案
已回答习题
未回答习题
题目汇总
试卷汇总
练习册解析答案