题目内容
抛物线 y =( x -2) 2 +3的顶点坐标是( ).
A. (2,3) B. (-2,3) C. (2,-3) D. (-2,-3)
下列哪个点在一次函数的图象上( )
A. (2,1) B. (2,0) C. (-2,1) D. (-2,0)
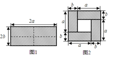
如图1,是一个长为2a宽为2b(a>b的长方形,用剪刀沿长方形的两条对角轴剪开,把它分成四个全等的小长方形,然后按图2拼成一个新的正方形,则中间空白部分的面积是( )
A. ab B. C. D.
抛物线y=2x2﹣bx+3的对称轴是直线x=1,则b的值为 .
抛物线y=x2-4x+3 的顶点坐标和对称轴分别是( )
A. (1,2),直线 x =1
B. (-1,2),直线 x =-1
C. (-4,-5),直线 x =-4
D. (4,-5),直线 x =4
(1)8+(﹣36)×();
(2)﹣14﹣(1﹣0.5)××[2﹣(﹣3)2].
如果向东走 3 米记为+3 米,那么向西走 6 米记作 .
如图:一辆汽车在一个十字路口遇到红灯刹车停下,汽车里的驾驶员看地面的斑马线前后两端的视角分别是∠DCA=30°和∠DCB=60°,如果斑马线的宽度是AB=3米,驾驶员与车头的距离是0.8米,这时汽车车头与斑马线的距离x是多少?
分解因式:x3﹣2x2+x= .