摘要:26.如图20所示,滑动变阻器最大阻值为60Ω.电源电压为24V恒定不变.当开关闭合时.电流表示数为0.4A.电压表的示数为12V,求: (1)电阻R1的阻值是多少? (2)若电流表的量程是0-0.6A,电压表的量程是0-15V,为了保证两电表的安全.则滑动变阻器连入电路的阻值的范围是多少?
网址:http://m.1010jiajiao.com/timu_id_2020643[举报]
(5分)如图所示,滑动变阻器
最大阻值是20Ω,当滑片
移到
端时,闭合开关,R1两端的电压为2V,电流表的示数为0.2A,电源电压保持不变。求:![]()
⑴R1的阻值;
⑵电源电压
;
⑶滑片
移动的过程中,
消耗的最大功率。
(5分)如图所示,滑动变阻器
最大阻值是20Ω,当滑片
移到
端时,闭合开关,R1两端的电压为2V,电流表的示数为0.2A,电源电压保持不变。求:

⑴R1的阻值;
⑵电源电压
;
⑶滑片
移动的过程中,
消耗的最大功率。
⑴R1的阻值;
⑵电源电压
⑶滑片
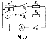
如图20所示,电源电压为12V,且保持不变,已知滑动变阻器R3的最大阻值为20Ω,定值电阻R2=15Ω,电流表的量程为0.6A。
(1)S、S1闭合,S2断开,将滑动变阻器的滑片P移到a端时,读出电压表的示数为8V,求电流表示数和电阻R1的阻值;
(2)S、S2闭合,S1断开时,求电路允许消耗的最大功率。
![]()