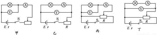
某课外学习小组想描绘标有“4V、2W”的小灯泡的U-I图象,除导线和开关外还备有以下器材
电流表(量程0.6A,内阻约为1Ω) 电压表(量程5.0V,内阻约为5kΩ)
滑动变阻器(最大阻值为5Ω,额定电流1.0A) 电源(电动势为6.0V,内阻约为1.5Ω)
(1)根据以上器材,选出既满足实验要求,又要减小误差的实验电路图______.

(2)根据(1)题所选实验电路图,用笔画线代替导线,将图乙中的实验电路连接完整.
(3)开关S闭合之前,图乙中滑动变阻器的滑片应该置于最______端.(填“左”或“右”)
(4)实验中测得有关数据如下表:
根据表中的实验数据,在图丙中画出小灯泡的U-I特性曲线.

0 64740 64748 64754 64758 64764 64766 64770 64776 64778 64784 64790 64794 64796 64800 64806 64808 64814 64818 64820 64824 64826 64830 64832 64834 64835 64836 64838 64839 64840 64842 64844 64848 64850 64854 64856 64860 64866 64868 64874 64878 64880 64884 64890 64896 64898 64904 64908 64910 64916 64920 64926 64934 176998
电流表(量程0.6A,内阻约为1Ω) 电压表(量程5.0V,内阻约为5kΩ)
滑动变阻器(最大阻值为5Ω,额定电流1.0A) 电源(电动势为6.0V,内阻约为1.5Ω)
(1)根据以上器材,选出既满足实验要求,又要减小误差的实验电路图______.
(2)根据(1)题所选实验电路图,用笔画线代替导线,将图乙中的实验电路连接完整.
(3)开关S闭合之前,图乙中滑动变阻器的滑片应该置于最______端.(填“左”或“右”)
(4)实验中测得有关数据如下表:
| U/V | 0.40 | 0.80 | 1.20 | 1.60 | 2.00 | 2.40 | 2.80 |
| I/A | 0.10 | 0.16 | 0.20 | 0.23 | 0.25 | 0.26 | 0.27 |