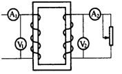
有理想变压器给负载供电,变压器输入电压不变,如图所示。如果负载电阻的滑片向上移动,则图中所有交流电表的读数及输入功率变化情况正确的是 ( )![]()
| A.V1、V2不变,A1增大、A2减小,P增大 |
| B.V1、V2不变,A1、A2增大,P增大 |
| C.V1、V2不变,A1、A2减小,P减小 |
| D.V1不变,V2增大,A1减小,A2增大,P减小 |
理想变压器正常工作时,原线圈一侧与副线圈一侧保持不变的物理量是( )
| A.频率 | B.电压 | C.电流 | D.电动势 |
图中理想变压器原、副线圈匝数之比nl∶n2=4∶ l,原线圈两端连接光滑导轨,副线圈与电阻R相连成闭合回路.当直导线AB在匀强磁场中沿导轨匀速地向右做切割磁感线运动时,电流表Al的读数是12mA,那么电流表A2的读数是 ( )![]()
| A.0 | B.3mA | C.48mA | D.与R值大小无关 |
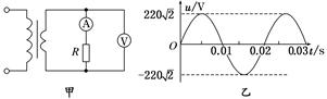
如图甲所示,理想变压器原、副线圈的匝数比为4:1,电压表和电流表均为理想电表,原线圈接如图乙所示的正弦交变电流,图中R1为热敏电阻(温度升高时其电阻减小),R为定值电阻.下列说法正确的是![]()
| A.电压表V2的示数为9V |
| B.原线圈两端电压的瞬时值表达式为 |
| C.R1处温度升高时,电流表的示数变大,电压表V2的示数变大 |
| D.变压器原线圈的输入功率和副线圈的输出功率之比为1:4 |
变压器的铁芯是用薄硅钢片叠压而成,而不是采用一整块硅钢,这是因为( )
| A.增大涡流,提高变压器效率 | B.减小铁芯中的电阻,以减小发热量 |
| C.减小涡流,提高变压器效率 | D.增大铁芯中的电阻,以产生更多的热量 |
如图所示,L1、L2、L3为三个完全相同的白炽灯,接在理想变压器上,变压器的初级和次级线圈匝数比都是3:1,当变压器ab端接交流电压时,L2、L3的实际功率为P,此时L1的实际功率为( )![]()
| A.2P | B.P | C.P/2 | D.4P/9 |
如图甲所示,一个理想变压器原、副线圈的匝数比n1:n2=6:1,副线圈两端接三条支路,每条支路上都接有一只灯泡,电路中L为电感线圈、C为电容器、R为定值电阻.当原线圈两端接有如图乙所示的交流电时,三只灯泡都能发光.如果加在原线圈两端的交流电的最大值保持不变,而将其频率变为原来的2倍,则对于交流电的频率改变之后与改变前相比,下列说法中正确的是 ![]()
| A.副线圈两端的电压有效值均为216V | B.副线圈两端的电压有效值均为6V |
| C.灯泡Ⅰ变亮 | D.灯泡Ⅲ变亮 |
如图甲左侧的调压装置可视为理想变压器,负载电路中 R= 55 Ω,
为理想电流表和电压表。若原线圈接入如图乙所示的正弦交变电压,电压表的示数为 110 V,下列表述正确的是( )![]()
| A.电流表示数的计算值为 | B.原、副线圈匝数比为 2∶1 |
| C.电压表的示数为电压的有效值 | D.原线圈中交变电压的频率为 100 Hz |
有一种调压变压器的构造如图所示.线圈AB绕在一个圆环形的铁芯上,CD之间加上输入电压,转动滑动触头P就可以调节输出电压.图中A为交流电流表,V为交流电压表, R1、R2为定值电阻,R3为滑动变阻器,CD两端接正弦交流电源,变压器可视为理想变压器:![]()
| A.当R3不变,滑动触头P顺时针转动时, 电流表读数变小,电压表读数变小 |
| B.当R3不变,滑动触头P逆时针转动时, 电流表读数变小,电压表读数变大 |
| C.当P不动,滑动变阻器滑动触头向下滑动时, 电流表读数变小,电压表读数变大 |
| D.当P不动,滑动变阻器滑动触头向下滑动时, 电流表读数变大,电压表读数变小 |
变压器是远距离输电线路中的重要设备,在有关输电线路的计算时常将变压器视作为理想变压器,这样的考虑是基于以下因素 [ ]
| A.变压器无论对交流电还是直流电能按需要升压或降压. |
| B.变压器原、副线圈的端电压之比等于它们的匝数比. |
| C.变压器原、副线圈中的磁通量都发生变化,它们产生相同的感应电动势. |
| D.忽略变压器铁心和线圈的能量损耗,输出功率等于输入功率. |