题目内容
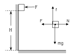
如图所示,水平恒力F=20N,把质量m=0.6kg的木块压在竖直墙上,木块离地面的高度H=6m.木块从静止开始向下作匀加速运动,经过2s到达地面.求:![]()
【小题1】木块下滑的加速度a的大小;
【小题2】画出木块的受力示意图(画在图右的木块上);
【小题3】木块与墙壁之间的滑动摩擦系数(g取10m/s2).
【小题1】![]()
【小题2】如图![]()
【小题3】![]()
解析
练习册系列答案
相关题目
题目内容
如图所示,水平恒力F=20N,把质量m=0.6kg的木块压在竖直墙上,木块离地面的高度H=6m.木块从静止开始向下作匀加速运动,经过2s到达地面.求:![]()
【小题1】木块下滑的加速度a的大小;
【小题2】画出木块的受力示意图(画在图右的木块上);
【小题3】木块与墙壁之间的滑动摩擦系数(g取10m/s2).
【小题1】![]()
【小题2】如图![]()
【小题3】![]()
解析