题目内容

用伏安法测量一个定值电阻阻值,现有器材规格如下:

待测电阻Rx(约100Ω)
直流电流表A1(量程0~50mA ,内阻约50Ω)
直流电流表A2(量程0~0.6A ,内阻约5Ω)
直流电压表V1(量程0~3 V,内阻约5kΩ
直流电压表V2(量程0~15V,内阻约10kΩ)
直流电源E(电动势4V,内阻不计)
滑动变阻器R(阻值范围0~15Ω,允许最大电流1A)
电键1个,导线若干条。
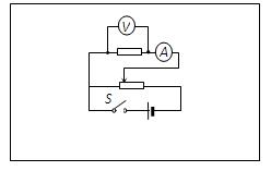
(1)(4分)实验时电流表选择______,电压表选择______。(填仪器字母代号)
(2)(4分)在方框内画出电路图。
(3)(2分)此实验测得电阻的测量值比真实值______。(填“偏大”“偏小”)

(1)(4分)电流表选择___ A1_  __,电压表选择___ V1 ___。
(2)(4分)在方框内画出电路图。

(3)(2分)测量值比真实值__ 偏小____。

解析

练习册系列答案
相关题目
(1)某同学用图1所示的实验装置研究小车在斜面上的运动.实验步骤如下:精英家教网
a.安装好实验器材.
b.接通电源后,让拖着纸带的小车沿平板斜面向下运动,重复几次.选出一条点迹比较清晰的纸带,舍去开始密集的点迹,从便于度量的点开始,每两个打点间隔取一个计数点,用0、1、2…6点表示.
c.测量1、2、3…6计数点到0计数点的距离,分别记作:S1、S2、S3…S6
d.通过测量和计算,该同学判断出小车沿平板做匀加速直线运动.
e.分别计算出S1、S2、S3…S6与对应时间的比值
S1
t1
S2
t2
S3
t3
S6
t6

f.以
S
t
为纵坐标、t为横坐标,标出
S
t
与对应时间t的坐标点,画出
S
t
---t
图线.
结合上述实验步骤,请你完成下列任务:
①实验中,除打点计时器(含纸带、复写纸)、小车、平板、铁架台、导线及开关外,在下面的仪器和器材中,必须使用的有
 
 
.(填选项代号)
A.电压合适的50Hz的交流电源
B.电压可调的直流电源        C.刻度尺       D.秒表        E.天平       F重锤
②如果S2=2.98cm,S5=13.20cm,该同学在图2中已标出1、3、4、6计数点对应的坐标点,请你在该图中标出与2、5两个计数点对应的坐标点,并画出
S
t
---t
图线.
③根据
S
t
---t
图线判断,在打0计数点时,小车的速度v0=
 
m/s;它在斜面上运动加速度a=
 
m/s2
(2)如图3为用伏安法测量一个定值电阻值的实验所需器材的实物图,器材规格如下:
(A)待测电阻Rx(约100Ω)
(B)直流电流表(量程0-10mA,内阻约50Ω)
(C)直流电压表(量程0-3V,内阻约5kΩ)
(D)直流电源(输出电压4V,内阻不计)
(E)滑动变阻器(阻值范围0-15Ω,允许最大电流1A)
(F)电键1个,导线若干条
根据器材的规格和实验要求,先在如图4虚线框内画出实验电路图,然后在实物图上连接.

违法和不良信息举报电话:027-86699610 举报邮箱:58377363@163.com

精英家教网