题目内容
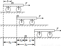
一平板车质量M=50kg,停在水平路面上,车身平板离地面高h=1.25m.一质量m=10kg的小物块置于车的平板上,它到车尾的距离b=1.0m,与平板间的动摩擦因数μ=0.2,如图所示.今对平板车施一水平方向的恒力F=220N,使车由静止向前行驶,经一段时间后物块从平板上滑落,此时车向前行驶的距离x=2.0m.不计路面与平板车间的摩擦,g取10m/s2.求:(1)从车开始运动到物块刚离开车所经过的时间t;
(2)物块刚离开车时,恒力F的功率P;
(3)物块刚落地时,落地点到车尾的水平距离x.
【答案】分析:(1)根据牛顿第二定律求出车的加速度,从车开始运动到物块刚离开车的过程车的位移为x=2.0m,由位移公式求出时间.
(2)由速度公式求出物块刚离开车时车的速度,由P=Fv求出恒力F的功率P.
(3)根据牛顿第二定律和速度公式求出物块离开车瞬间的速度.物块离开车后做平抛运动,由高度求出平抛运动的时间,求出物块水平位移的大小.再由牛顿第二定律和位移公式求出这段时间内车的位移大小,再求解物块刚落地时,落地点到车尾的水平距离x.
解答:
解:(1)如图所示,设作物块与车板间的摩擦力为f,自车开始运动直至物块离开车板所用时间为t,此过程中车的加速度为a1,
由牛顿第二定律有
F-f=Ma1
f=μmg
解以上两式得a1=4m/s2
对车由运动学公式有
解得
s
(2)物块离开车时,车的速度v=a1t=4×1=4m/s.
恒力F的功率p=Fv=220×4=880W
(3)物块在车上运动时的加速度
m/s2
物块离开车瞬间的速度v'=a2t=2×1=2m/s
它将以此初速度做平抛运动,设经时间t′落地,由

解得
=0.5s
通过的水平距离 x1=v't'=2×0.5=1m
在这段时间内,车的加速度为
m/s2
车通过的距离为
=2.55m
可知,物块落地时与平板车右端的水平距离为 x=x2-x1=1.55m
答:
(1)从车开始运动到物块刚离开车所经过的时间t=1s;
(2)物块刚离开车时,恒力F的功率P为880W;
(3)物块刚落地时,落地点到车尾的水平距离x=1.55m.
点评:本题分析物体的受力情况和运动情况是关键,采用牛顿运动定律和运动学结合是处理动力学问题最基本的方法.
(2)由速度公式求出物块刚离开车时车的速度,由P=Fv求出恒力F的功率P.
(3)根据牛顿第二定律和速度公式求出物块离开车瞬间的速度.物块离开车后做平抛运动,由高度求出平抛运动的时间,求出物块水平位移的大小.再由牛顿第二定律和位移公式求出这段时间内车的位移大小,再求解物块刚落地时,落地点到车尾的水平距离x.
解答:
由牛顿第二定律有
F-f=Ma1
f=μmg
解以上两式得a1=4m/s2
对车由运动学公式有
解得
(2)物块离开车时,车的速度v=a1t=4×1=4m/s.
恒力F的功率p=Fv=220×4=880W
(3)物块在车上运动时的加速度
物块离开车瞬间的速度v'=a2t=2×1=2m/s
它将以此初速度做平抛运动,设经时间t′落地,由
解得
通过的水平距离 x1=v't'=2×0.5=1m
在这段时间内,车的加速度为
车通过的距离为
可知,物块落地时与平板车右端的水平距离为 x=x2-x1=1.55m
答:
(1)从车开始运动到物块刚离开车所经过的时间t=1s;
(2)物块刚离开车时,恒力F的功率P为880W;
(3)物块刚落地时,落地点到车尾的水平距离x=1.55m.
点评:本题分析物体的受力情况和运动情况是关键,采用牛顿运动定律和运动学结合是处理动力学问题最基本的方法.
练习册系列答案
相关题目