题目内容
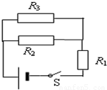
在如图所示的电路中,电源的电动势E=6V,内阻r=1Ω,R1=2Ω,R2=R3=6Ω.求(1)流过电源的电流;
(2)R1的功率.
【答案】分析:根据电阻R2与R3并联,再与R1串联,可求出总电阻,再由闭合欧姆定律求出电源的电流;由功率公式求出R1的功率.
解答:
解:(1)由电路的方式得电路中的总电阻:
由闭合电路的欧姆定律得I=
=1A
(2)R1的功率为P1=I2R1=2w
点评:分析电路结构是电路分析和计算的基础.
解答:
由闭合电路的欧姆定律得I=
(2)R1的功率为P1=I2R1=2w
点评:分析电路结构是电路分析和计算的基础.
练习册系列答案
相关题目