题目内容

用伏安法测量电阻阻值R.并求出电阻率

给定电压表(内阻约为50 kΩ)、电流表(内阻约为40Ω)、滑线变阻器、电源、电键、待测电阻(约为250Ω)及导线若干.

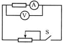
(1)画出测量R的电路图.

(2)图中的6个点表示实验中测得的6组电流I、电压U的值,试写出根据图求R值的步骤:

_________________________________________________________________________________________________________________________________________________________________________________________________________________________________

求出的电阻值R________(保留3位有效数字)

 

(3)待测电阻是一均匀材料制成的圆柱体,用游标为50分度的卡尺测量其长度与直径,结果分别如图、图所示,由这两个图可知其长度为________,直径为________

 

 (4)由以上数据可求得电阻率p=________(保留住有效数字)

 

答案:见详解
解析:

 (1)答案如图或图示.所谓伏安法测电阻就是用电流表测量通过待测电阻的电流I,用电压表测量待测电阻两端的电压U,于是待测电阻

 

在实际测量时,怎样才能使电流和电压测得尽可能准确,是必须考虑的问题.在答案图或图中.因电压表与待测电阻R并联,故电压表两端的电压与待测电阻两端的电压相等,电压表的读数准确地代表待测电阻两端的电压U,但电流表测得的电流即电流表的读数I′ 则是通过待测电阻R的电流I与通过电压表的电流Iv之和,即

I′=I+Iv

I =Iv=

Rv>>R ,即待测电阻R比电压表的内阻Rv小得多时,则Iv<<I ,这时

I′ ≈I根据本题给的条件可知

IIv的200倍,忽略Iv,认为I=I′ 造成的误差不算太大.若把电路连成图所示的电路,则因待测电阻与电流表串联,通过待测电阻的电流与通过电流表的电流相等,故电流表的读数准确地代表通过待测电阻的电流   

I,但电压表测得的电压则是待测电阻两端的电压U与电流表两端电压UA之和,即

U′= U+UA

U=IR, UA=IRA

若待测电阻比电流表的内阻RA大得多,即RRA,则 UUA,这时

U′≈U

根据本题给的条件

显然U>>UA,这一条件并不满足.正是通过分析,才能确定电流表、电压表只能取答案中的联接方法,不能用图的联接方法.

由于本题中,电源的电动势、滑线变阻器的最大阻值等数据并未给出,因而不能限定滑线变阻器只能作分压用或只能作限流用,考生把滑线变阻器用于分压或限流都是正确的,故答案给出的电路图有两个.

(2)①作U—I直线,舍去左起第2点,其余5点尽量靠近直线并均匀分布在直线两侧.

②求直线的斜率K,则R=K;229Ω(221Ω~237 Ω均为正确)

从理论上看U=RI,即电压、电流在IU坐标图上的图线应是过坐标原点的直线,待测电阻是该直线的斜率.为了求出R,必须作UI直线.从题中图给出的6个点看,除左起第2点外,其他5个点都比较好地分布在一条直线上,可见这第2个点的数据是测量中的某种原因如读数读错等造成的错误,此数据不能用,在连直线时应舍去.由于测量中的误差总是存在的,这5个点不可能严格地都在一直线上,故连线时应让5个点尽可能均匀分布在直线两侧,这相当于多次测量求平均,能减少误差.为了求出所画直线的斜率,应在直线上任取相距较远的两点,如图中的ab两点,从图中可得它们的坐标分别为

a (2.1 mA.0.50 V),b(1 9.0 mA.4.37 V)

由此得直线的斜率

K = (R=)Ω = 229Ω

斜率K的值便是待测电阻R.(3)0.800 cm;0.194 cm本题给出的是50分度的游标卡尺,若以mm为单位,则其读数可读到小数点后第二位数.50分度游标卡尺的游标尺上刻有50个分度,这50个分度的总长度等于主尺上的49mm.因此游标尺上每个分度比1 mm小0.02 mm.由于图2—6—6中游标卡尺的游标尺上的“0”刻度位于主尺上0.8 cm右方、0.9 cm左方.从主尺上的0.8 cm刻度到游标尺的“0”刻度线的距离小于0.1 cm.若以mm为单位,则读数的整数部分为8 mm,读数的小数部分由与主尺上某刻度对齐的游标尺上的那条刻度线决定.从图可见,游标尺上的那条刻度线是第0刻度线,因而读数的小数部分为00,故游标卡尺的正确续数为8.00 mm,即0.800 cm.

由于图中游标卡尺的游标尺上的“0”刻度位于主尺上0.1 cm右方、0.2 cm左方.从主尺上的0.1 cm刻度到游标尺上的“0”刻度的距离小于0.1 cm.若以mm为单位,则读数的整数部分为1mm,读数的小数部分由与主尺上某刻度线对齐的游标尺上的那条刻度决定.从图2—6—7可见,游标上的这条刻度是第47刻度线,因而读数的小数部分为0.02×47=0.94 mm,故游标卡尺的正确读数是1.94 mm,即0.194 cm.

(4)8.46×10-2Ω·m.

由上面求得的结果,可知均匀圆柱体的电阻R=229Ω,圆柱体的长度l=0.800 cm=8.00×10-3m,圆柱的横截面的直径d=0.194 cm=1.94×10-3m,则横截面的面积

S= πd2

由电阻定律R=,解得

代入有关数据,得·m。

 


提示:

根据伏安法测电阻实验的原理。可以画出实验的电路图.再根据所给数据求出电阻,利用游标卡尺读出长度和直径,最后根据电阻率的公式求出电阻率.

 


练习册系列答案
相关题目

违法和不良信息举报电话:027-86699610 举报邮箱:58377363@163.com

精英家教网