题目内容

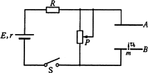
如图所示的电路中,两平行金属板A、B水平放置,两板间的距离d=40 cm.电源电动势E=24 V,内电阻r=1 Ω,电阻R=15 Ω,闭合开关S,待电路稳定后,将一带正电的小球从B板小孔以初速度v0=4 m/s竖直向上射入板间.若小球带电量为q=+1×10-2 C,质量为m=2×10-2 kg,不考虑空气阻力,求滑动变阻器接入电路的阻值为多大时,小球恰能到达A板?

答案:
解析:

  解:小球从B到A,由动能定理有

   4分

  得Up=8 V 1分

  又 3分

  解得 1分

  所以粒子从电场中飞出时沿电场方向的速度为:

  (1分)

  设粒子从电场中飞出时的速度方向与水平方向的夹角为,则:

  =37°(1分)

  因为粒子穿过界面PS最后垂直打在放置于中心线上的荧光屏上,所以该带电粒子在穿过界面PS后将绕点电荷Q作匀速圆周运动,其半径与速度方向垂直.

  匀速圆周运动的半径:(1分)

  由:(1分)

  代入数据,解得:Q=1.04×10-8 C(1分)


练习册系列答案
相关题目

违法和不良信息举报电话:027-86699610 举报邮箱:58377363@163.com

精英家教网