ÌâÄ¿ÄÚÈÝ

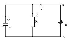
ÈçͼËùʾ£¬Ë®Æ½·ÅÖõÄÁ½¸ùƽÐй⻬½ðÊôµ¼¹ìÏà¾à40cm£¬ÖÊÁ¿Îª0.1kgµÄ½ðÊô¸Ëab´¹Ö±ÓÚµ¼¹ì·ÅÓÚÆäÉÏ£¬µ¼¹ì¼ä½ÓÓеç×èR£½20¦¸ºÍµçÈÝC£½0.05F£¬ÔÈÇ¿´Å³¡·½Ïò´¹Ö±ÓÚµ¼¹ìÆ½ÃæÊúÖ±ÏòÏ£¬´Å¸ÐӦǿ¶ÈB£½1.0T£¬ÏÖÓÐˮƽÏòÓÒµÄÍâÁ¦Ê¹ab´Ó¾²Ö¹¿ªÊ¼ÒÔ¼ÓËÙ¶Èa£½5.0m/s2ÏòÓÒ×÷ÔȼÓËÙÔ˶¯£¬²»¼ÆÆäËûµç×èºÍ×èÁ¦£¬Çó

(1)µçÈÝÆ÷ÖеĵçÁ÷IC£½£¿

(2)t£½2sʱÍâÁ¦µÄ´óС£®

´ð°¸£º
½âÎö£º

¡¡¡¡½â£º(1)È¡ÈÎÒâʱ¿Ìt£¬ÔòabµÄËÙ¶ÈΪ£º

¡¡¡¡v£½at

¡¡¡¡ab²úÉúµÄµç¶¯ÊÆ¡¡¡¡e£½Blv£½Blat

¡¡¡¡µçÈÝCµÄ¶Ëµçѹ¡¡¡¡uc£½e£½Blat

¡¡¡¡ÒòucËæÊ±¼ä¾ùÔÈÔö¼Ó£¬¼´Îª³£Á¿£¬¹ÊµçÈÝÆ÷µÄ³äµçµçÁ÷IcΪ

¡¡¡¡ºã¶¨µçÁ÷¡¡¡¡ÓÉuc£½e£½BlatµÃ¡÷uc£½Bla¡÷t£¬¹Ê£½Bla

¡¡¡¡ÓÉuc£½µÃ¡÷uc£½£¬¹Ê£½£½¡¡¡¡¡àIc£½CBla£½0.1(A)

¡¡¡¡(2)µç×èÉϵĵçÁ÷ΪiR£½£½£½0.1t(A)

¡¡¡¡abÖеĵçÁ÷Ϊ¡¡¡¡i£½Ic£«iR£½0.1t£«0.1(A)

¡¡¡¡abÊܵ½µÄ°²ÅàÁ¦Îª¡¡¡¡FB£½Bli£½0.04t£«0.04(N)

¡¡¡¡ÓÉÅ£¶ÙµÚ¶þ¶¨Âɵá¡¡¡F£­FB£½ma

¡¡¡¡¼´F£½FB£«ma£½0.04t£«0.54t(N)¡¡¡¡t£½2sʱ£¬F£½0.62(N)


Á·Ï°²áϵÁдð°¸
Ïà¹ØÌâÄ¿

Î¥·¨ºÍ²»Á¼ÐÅÏ¢¾Ù±¨µç»°£º027-86699610 ¾Ù±¨ÓÊÏ䣺58377363@163.com

¾«Ó¢¼Ò½ÌÍø