题目内容

一直流电压表,内阻为RV,一直流电源(电动势未知,内阻可忽略不计),两个单刀开关S1、S2及若干导线.已知电压表的量程略大于电池组的电动势,现用这些器材测量一电阻值较大的定值电阻Rx的值.

(1)为达到上述目的,将题中右侧对应的图连成一个完整的实验电路图.
(2)简述实验步骤和需要测量的数据(数据用文字和符号表示):
________________________________________
________________________________________
(3)可以计算出Rx=________.(用已知量和测得量表示)

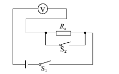
(1)如图所示

(2)闭合S1?S2,读出电压表读数U1;
保持S1闭合,断后S2,读出电压表读U2;
(3) RV

解析

练习册系列答案
相关题目
(2009?潮州一模)有一内阻未知(约25kΩ~35kΩ)、量程未知(约25V一35V),共有30个均匀小格的直流电压表V.某同学在研究性学习过程中想通过上述电压表测量一个多用表中欧姆档的内部电源的电动势,当表针处于多用电表刻度盘正中央时,他从刻度盘上读出表针所指的电阻刻度为30.

(1)①请将他在实验过程中用多用电表测电压表内阻的电路连接起来,②欧姆档的选择开关应拨至倍率ד
1k
1k
”.
(2)在实验中,该同学读出电压表的读数为U,欧姆表指针所指的刻度为n,并且在实验过程中,一切操作都是正确的,请你导出求欧姆表电池的电动势表达式E
=
n+30
n
U.
=
n+30
n
U.

(3)若在实验过程中测得该电压表内阻为30kΩ,为了测出电压表的量程,现有下列器材可供选用,要求测量多组数据,并有尽可能高的精确度,标准电压表Vl:量程3V,内阻3kΩ;电流表A:量程0~3A,内阻0.1Ω;滑动变阻器R:总阻值lkΩ;稳压电源E:30V,内阻不能忽略;  电键、导线若干
①在图2方框中画出实验电路图,并标明所选仪器的符号
②选用记录数据中的任一组,写出计算待测电压表V的量程的表达式Ug=
300U1
N
300U1
N
.式中各字母的意义是:
U1是直流电压表V的指针指到第N格时,标准电压表V1的读数
U1是直流电压表V的指针指到第N格时,标准电压表V1的读数

违法和不良信息举报电话:027-86699610 举报邮箱:58377363@163.com

精英家教网