题目内容
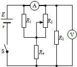
如图所示,r是电源内电阻,
是外电路中的电阻,如果用
分别表示r,
、
上消耗的功率,当
=
=r时,
等于
[ ]
A.1∶1∶1 B.2∶1∶1 C.1∶4∶4 D.4∶1∶1
答案:D
练习册系列答案
相关题目
题目内容
如图所示,r是电源内电阻,
是外电路中的电阻,如果用
分别表示r,
、
上消耗的功率,当
=
=r时,
等于
[ ]
A.1∶1∶1 B.2∶1∶1 C.1∶4∶4 D.4∶1∶1