题目内容

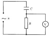
在图所示电路中,u是有效值为220V的交流电源,C是电容器,R是电阻,关于交流电压表的示数,下列说法正确的是( )

 

  A.等于220V          B.大于220V

  C.小于220V          D.等于零

 

答案:C
解析:

电容器的容抗与电阻串联,根据串联分压原理可知电阻两端电压应小于电源电压,而电压表测的是电阻两端的电压,故C项正确,本题答案为C项.

 


练习册系列答案
相关题目

违法和不良信息举报电话:027-86699610 举报邮箱:58377363@163.com

精英家教网