题目内容
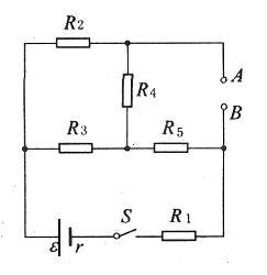
如图所示电路,电源电动势ε=24V,内阻r=1Ω,R1=1Ω,R2=4Ω,R3=10Ω,R4=6Ω,R5=3Ω。求:(1)A、B间接电压表时的示数。(2)A、B间接电流表时的示数。
答案:
解析:
提示:
解析:
| (1)14.4V(2)4A
|
提示:
| 闭合电路的欧姆定律的应用。
|
练习册系列答案
相关题目
题目内容
如图所示电路,电源电动势ε=24V,内阻r=1Ω,R1=1Ω,R2=4Ω,R3=10Ω,R4=6Ω,R5=3Ω。求:(1)A、B间接电压表时的示数。(2)A、B间接电流表时的示数。
| (1)14.4V(2)4A
|
| 闭合电路的欧姆定律的应用。
|