题目内容

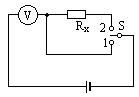
有一只电压表,量程已知,内阻为RV已知,另有一电池(电动势未知,但不超过此电压表量程,内阻可以忽略),请用这只电压表和电池,再用一个电键和一些连接的导线,设计测量某一高值电阻Rx的实验方法,简要地写出测量步骤和需要记录的数据,以及Rx的计算式.画出电路图.

答案:
解析:

  Rx·Rv,由路图见图


练习册系列答案
相关题目
(2011?肇庆一模)(1)某同学用如图1所示的装置测定当地的重力加速度:
①电火花计时器的工作电压是
220V
220V
,频率
50Hz
50Hz

②打出的纸带如图2所示,实验时纸带的
端是和重物相连接;(选填“甲”或“乙”)
③纸带上1至9各点为计时点,由纸带所示数据算出当地的重力加速度是
9.4m/s2
9.4m/s2

④若当地的重力加速度真实数值是9.8m/s2,请任意写出一个测量值与真实值有差异的原因
纸带受到摩擦阻力和空气阻力
纸带受到摩擦阻力和空气阻力

⑤本次实验测量的相对误差为
4.1%
4.1%
.(保留两位有效数字)

(2)有一只电压表,量程已知,内阻为RV,另有一电池组(电动势未知,但不超过电压表的量程,内阻可忽略),小明同学用这只电压表和电池组,再加一个开关和一些连接导线,设计出测量某一高阻值电阻Rx的实验方法.(已知Rx的阻值和电压表的内阻RV相差不大)
①若他通过两个步骤测出了Rx的值,请在下面方框内邦他画出测量步骤(一)和步骤(二)的实验电路图;

②简要写出他在测量步骤(一)和(二)中需记录的数据;
步骤(一)
按图中所示连接实验电路,闭合开关S,读出电压表的示数U1
按图中所示连接实验电路,闭合开关S,读出电压表的示数U1
;步骤(二)
按图中所示连接实验电路,闭合开关S,读出电压表的示数U2
按图中所示连接实验电路,闭合开关S,读出电压表的示数U2
;(以上两空用字母表示并用文字作简要说明)
③用②中的数据表示高阻值电阻Rx的表达式Rx=
(U1-U2)
U2
RV
(U1-U2)
U2
RV

违法和不良信息举报电话:027-86699610 举报邮箱:58377363@163.com

精英家教网