题目内容

面积很大的水池,水深为H,水面上浮着一正方体木块,木块边长为a,密度为水的1/2,质量为m.开始时,木块静止,有一半没入水中,如图所示,现用力F将木块缓慢地压到池底,不计摩擦.求:

(1)从木块刚好完全没入水中到停在池底的过程中,池水势能的改变量;

(2)从开始到木块刚好完全没入水的过程中,力F所做的功.

答案:略
解析:

(1)水的重力势能增加量为

(2)F做的功为

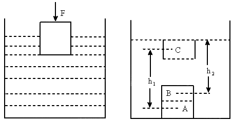
如图,由于水池面积很大,当木块停在池底时,水面高度变化可忽略不计.

(1)当木块从初位置到末位置,水的重力势能的增加量可这样等效计算:把木块在池底占据的空间分为相等的AB两个部分,相当于A部分水填补了C区域,重心升高了B部分水全部升到液面,重心升高了.根据木块最初的平衡条件有:

木块最初下部在水中占据体积

  重力=浮力

AB两部分体积对应水的重力为mg,所以水增加的重力势能为

(2)木块刚好完全没入水时,所受浮力为,根据平衡条件,此时作用力,由于浮力从mg均匀增大到2mg,则作用力从0均匀增大到mg,所以作用力F做的功为


练习册系列答案
相关题目

违法和不良信息举报电话:027-86699610 举报邮箱:58377363@163.com

精英家教网