题目内容

如图所示的理想变压器,输入电压,各线圈匝数之比为,测得通过电阻的电流,求流经电阻及原副线圈的电流

答案:0.7A;1A
解析:

答案:

解析 因为,所以

又因为,即,所以

由能量关系

化简得:

,即,得

代入上式得

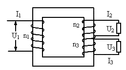
拓展延伸

如果在副线圈中有两个或多个线圈,如图所示,则电压比关系仍然成立,因为通过铁芯的磁通量变化率是相同的,有,…

但电流的关系不再成立,若有多个副线圈同时工作,只能根据功率关系推出电流关系式,由能量守恒定律:

,又

代入前式可得:

推广到多个副线圈有:(电流与匝数乘积称为“安匝数”)


练习册系列答案
相关题目

违法和不良信息举报电话:027-86699610 举报邮箱:58377363@163.com

精英家教网