题目内容
下表是某年美国旧轿车价格的调查资料,今以x表示轿车的使用年数,y表示相应的年均价格,求y关于x的回归
方程.
| 使用年数x | 1 | 2 | 3 | 4 | 5 | 6 | 7 | 8 | 9 | 10 |
| 年均价格 y(美元) | 2 651 | 1 943 | 1 494 | 1 087 | 765 | 538 | 484 | 290 | 226 | 204 |
=e-0.298x+8.165
解析:
作出散点图如图所示.
![]()
可以发现,各点并不是基本处于一条直线附近,因此,y与x之间应是非线性相关关系.与已学函数图象比较,用
=e
来刻画题中模型更为合理,令
=ln
,则
=
x+
,题中数据变成如下表所示:
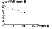
| x | 1 | 2 | 3 | 4 | 5 | 6 | 7 | 8 | 9 | 10 |
| z | 7.883 | 7.572 | 7.309 | 6.991 | 6.640 | 6.288 | 6.182 | 5.670 | 5.421 | 5.318 |
相应的散点图如图所示,从图中可以看出,变换的样本点分布在一条直线附近,因此可以用线性回归方程拟合.
![]()
由表中数据可得r≈-0.996.|r|>r0.05.认为x与z之间具有线性相关关系,由表中数据得
≈-0.298,
≈8.165,所以
=-0.298x+8.165,最后回代
=ln
,即
=e-0.298x+8.165为所求.
练习册系列答案
相关题目