运用化学反应原理研究氮、氧等单质及其化合物的反应有重要意义.
(1)合成氨反应反应N2(g)+3H2(g)2NH3(g),若在恒温、恒压条件下向平衡体系中通入氩气,平衡________移动(填“向左”“向右”或“不”);,使用催化剂________反应的ΔH(填“增大”“减小”或“不改变”).
(2)O2(g)=O+2(g)+e- ΔH1=+1175.7 kJ·mol-1
PtF6(g)+e-1PtF6-(g) ΔH2=-771.1 kJ·mol-1
O2+PtF6-(s)=O2+(g)+PtF6- ΔH3=+482.2 kJ·mol-1
则反应O2(g)+PtF6(g)=O2+PtF6-(s)的ΔH=________ kJ·mol-1.
(3)在25℃下,向浓度均为0.1 mol·L-1的MgCL2和CuCl2混合溶液中逐滴加入氨水,先生成________沉淀(填化学式),生成该沉淀的离子方程式为________.已知25℃时Ksp[Mg(OH)2]=1.8×10-11,KsP[Cu(OH)2]=2.2×10-20.
(4)在25℃下,将a mol·L-1的氨水与0.01 mol·L-1的盐酸等体积混合,反应平衡时溶液中c(NH4*)=c(Cl-),则溶液显________性(填“酸”“碱”或“中”);用含a的代数式表示NH3·H2O的电离常数Kb=________.
依据题目要求回答下列问题.
(1)常温下,浓度均为0.1 mol·L-1的下列六种溶液的pH如下表:
①上述盐溶液中的阴离子,结合H+能力最强的是________.
②浓度均为0.01 mol·L-1的下列五种物质的溶液中,酸性最强的是________(填编号);将各溶液分别稀释100倍,pH变化最小的是________(填编号)
A.HCN
B.HClO
C.C6H5OH
D.CH3COOH
E.H2CO3
③据上表数据,请你判断下列反应不能成立的是________(填编号)
A.CH3COOH+Na2CO3NaHCO3+CH3COONa
B.CH3COOH+NaCNCH3COONa+HCN
C.CO2+H2O+NaClONaHCO3+HClO
D.CO2+H2O+2C6H5ONaNa2CO3+2C6H5OH
④要增大氯水中HC1O的浓度,可向氯水中加入少量的碳酸氢钠溶液,反应的离子方程式为________.
(2)已知常温下Cu(OH)2的Ksp=2×10-20.又知常温下某CuSO4溶液里c(Cu2+)=0.02 mol·L-1,如果要生成Cu(OH)2沉淀,则应调整溶液pH大于________.
(3)已知可逆反应FeO(s)+CO2(g)Fe(s)+CO(g)是炼铁工业中一个重要反应,其温度与平衡常数K的关系如下表:
①写出该反应平衡常数的表达式为________.
②若该反应在体积固定的密闭容器中进行,在一定条件下达到平衡状态,改变下列条件:升高温度,混合气体的密度________(选填“增大”“减小”或“不变”);当,1 mol混合气体的质量为________g.
有机物A()是一种治疗心血管和高血压的药物,可由化合物B()通过以下线路合成:
(1)F的分子式为________.A的核磁共振氢谱图(1H核磁共振谱图)中会出现________个峰.
(2)由C生成D的反应类型为________.E的结构间式为________.
(3)有机物G是B的同分异构体,G的结构具有以下特征:①属于芳香族化合物;②苯环上只有两个取代基,其中一个是氯原子;③可以发生银镜反应.则G的结构可能有________种.
(4)已知一个碳原子上连有两个羟基是不稳定的,会脱水转化为羰基.试写出由B的一种同分异构体制备H()的合成线路图.
合成流程图示例如下:
根据下列信息,回答下题.
乙酰水杨酸(AsPirin)是一种常用的解热镇痛药,广泛应用于临床治疗和预防心脑血管疾病.乙酰水杨酸是一种有机弱酸,Ks=10-3,其结构简式为:,易溶于乙醇而微溶于水,回答下列问题:
(1)
(1)人体胃液的pH为1,人吃了该药剂后,胃液中c()/c()=________.
(2)乙酰水杨酸可溶于NaOH或Na2CO3等碱性溶液中,并生成为水杨酸盐和乙酸盐.其溶解反应式可表示为:
+3OH-+CH3COO-+2H2O
为了测定片剂中乙酰水杨酸的含量,通常采用返滴定法.步骤为:称取10片药物(设质量为Wa/g),研细混匀后,将药粉置于锥形瓶中,加入V1/mL(过量)的NaOH标准溶液(浓度c1/mol·L-1),于水浴上加热反应完全后,再用HCl标准溶液(浓度c2/mol·L1)回滴,以酚酞为指示剂,耗去HCl溶液V2/mL.已知:乙酰水杨酸的摩尔质量为180.2 g·mol-1;水杨酸的Ka2=10-13.
(Ⅰ)以酚酞为指示剂,滴定终点的pH为________;
(Ⅱ)滴定过程的离子方程式有:________;
(Ⅲ)关于该返滴法滴定操作下列说法完全错误的是________(填序号);
A.用过量NaOH目的是将酯基水解
B.用酚酞做指示剂能控制终点为酚钠盐变为酚羟基,而羧酸钠盐没有参加的
C.滴定操作时眼睛注视滴定管内液面读数
D.滴定终点时溶液由无色变为红色
(Ⅳ)该实验需要用到的玻璃仪器有________;
(Ⅴ)写出每片药中含有乙酰水杨酸的质量(W/g片)的表达式为________.
(2)
某同学设计如下路线合成乙酰水杨酸:
已知:A属于芳香族化合物,相对分子质量为92;苯环上的烃基易被酸性高锰酸钾氧化成羧基.
(1)C中的官能团名为:________.
(2)写出A→B和C→D的反应类型:________.
(3)写出C→D的化学方程式________.
(4)E是一种具有八元环的内酯,写出其结构简式:________.
(5)请从有机反应的特点写出该合成路线的缺陷:________.
(6)C的同分异构体中和C具有相同官能团,且核磁共振氢谱只有三组峰的结构简式________.
工业废水中常含有一定量的Cr2O2-7和CrO2-4,它们会对人类及生态系统产生很大的伤害,必须进行处理.常用的处理方法有两种.
方法1:还原沉淀法该法的工艺流程为:
其中第①步存在平衡:2CrO+2H+Cr2O+H2O
(1)若向含CeO2-4的溶液中加入H+,则溶液颜色将由________色变成________色.
(2)能说明第①步反应达平衡状态的是________.
a.Cr2O2-7和CrO2-4的浓度比为1∶2
b.v(Cr2O2-7)正=2v(CrO2-4)逆
c.溶液的离子总数不变
(3)写出第②步的离子方程式:________.
(4)第②步中,还原0.5 mol Cr2O2-7离子,需要________mol的FeSO4·7H2O.
(5)第③步生成的Cr(OH)2在溶液中存在以下沉淀溶解平衡:Cr(OH)3(s)Cr3+(aq)+3OH-(aq).常温下,Cr(OH)3的溶液积KSP=10-32,将溶液pOH调整到3,Cr3+是否可认为沉淀完全________(填“是”或“否”)
方法2:电解法该法用Fe做电极电解含Cr2O2-7的酸性废水,随着电解进行,在阴极附近溶液pH升高,产生Cr(OH)3沉淀.
(6)用Fe做电极的作用________.
(7)电解后的沉淀中有________.
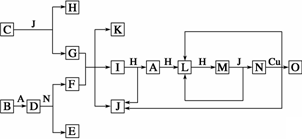
已知A~O分别代表一种物质,它们之间的转化关系如下图所示(反应条件略去).A、B、H分别是由短周期元素组成的单质.B与冷水缓慢反应,与沸水迅速反应,放出氢气.D是一种离子化合物,其阴、阳离子的个数比为2∶3,且能与水反应得到两种碱.C为淡黄色固体化合物,O能与G的水溶液反应生成蓝色沉淀.
请回答下列问题:
(1)组成B单质的元素位于周期表第________周期,第________族.化合物C的电子式为________.
(2)J的沸点比硒化氢(H2Se)的沸点高,其原因是________.
(3)写出I与H在点燃条件下反应生成A和J的化学方程式:________.
(4)写出D与足量的N反应生成E和F的化学方程式:________.
(5)上图中,在同一反应里一种物质既作氧化剂,又作还原剂,这样的反应共有________个.
粉末状试样A是由等物质的量的MgO和Fe2O3组成的混合物.进行如下实验:
①取适量A进行铝热反应,产物中有单质B生成;
②另取20 g A全部溶于0.15 L 6.0 mol/L盐酸中,得溶液C;
③将①中得到的单质B和溶液C反应,放出1.12 L(标准状况)气体,同时生成溶液D,还残留有固体物质B;
④用KSCN溶液检验时,溶液D不变色.
请回答:
(1)①中引发铝热反应的实验操作是________,产物中的单质B是________.
(2)②中所发生的各反应的化学方程式是________.
(3)③中所发生的各反应的离子方程式是________.
(4)若溶液D的体积仍视为0.15 L,则该溶液中c(Mg2+)为________,c(Fe2+)为________.
A、B、C、D、E是中学常见的5种化合物,A、B是氧化物,元素X、Y的单质是生活中常见的金属,相关物质间的关系如下图所示.
(1)X的单质与A反应的化学方程式是________.
(2)若试剂1是NaOH溶液,X的单质与试剂1反应的离子方程式是________.
(3)若试剂1和试剂2均是稀硫酸.
①检验物质D的溶液中金属离子的方法是________.
②将物质C溶于水,其溶液呈酸性,原因是(用离子方程式表示)________.
③某高效净水剂是由Y(OH)SO4聚合得到的.工业上以E、稀硫酸和亚硝酸钠为原料来制备Y(OH)SO4,反应中有NO生成,该反应的化学方程式是________.
卤代烃与金属钠作用,可增加碳链制备高级烃,反应如下:
甲、乙两位同学同时先做铁和硫粉反应生成硫化亚铁的实验,再将硫化亚铁与足量的稀硫酸反应生成硫化氢气体,甲取5.6克铁粉与3.0克硫粉混合,而乙取5.6克铁粉与4克硫粉混合,分别放在石棉网上用烧红了的玻璃棒引发,在空气中等反应停止冷却后,各取石棉网上的固体与足量的稀硫酸反应并收集气体,你认为最终哪位同学收集的气体多?为什么?