甲元素的原子序数是9,乙是元素周期表第三周期中金属性最强的元素,丙元素原子核外有三个电子层,最外层电子层上有6个电子,丁元素比丙多一个质子,由此推断:
(1)甲元素在周期表中位于第二周期的________族
(2)甲元素的气态氢化物的稳定性比HCl的________(填“强”或“弱”)
(3)乙元素单质在空气中燃烧,生成一种淡黄色的固体的名称是________,指出它所含的化学键的类型________.
(4)乙元素原子半径比丙元素原子________(填大或小)
(5)丙元素最高价氧化物的水化物的分子式是________,它的酸性比磷酸的________(填“强”或“弱”)
(6)另有A,B,C三种短周期元素,A和B同周期,A和C同主族,三者的原子序数之和为41,三者的最外层电子总数为19,则推断出的元素依次为A________B________C________.(填元素符号)
将1 mol I2(g)和2 mol H2置于2 L密闭容器中,在一定温度下发生反应:
I2(g)+H2(g)2HI(g);ΔH<0,并达平衡.HI的体积分数w(HI)随时间变化如图曲线(Ⅱ)所示:
(1)达平衡时,I2(g)的物质的量浓度为________;
(2)若改变反应条件,在甲条件下w(HI)的变化如曲线(Ⅰ)所示,在乙条件下w(HI)的变化如曲线(Ⅲ)所示.则甲条件可能是________,则乙条件可能是________(填入下列条件的序号)
①恒容条件下,升高温度;
②恒容条件下,降低温度;
③恒温条件下,缩小反应容器体积;
④恒温条件下,扩大反应容器体积;
⑤恒温恒容条件下,加入适当催化剂.
(3)若保持温度不变,在另一个相同的2 L密闭容器中加入a mol I2(g)、b mol H2(g)和c mol HI(a、b、c均大于0),发生反应,达平衡时,HI的体积分数仍为0.6,则a、b、c的关系是________.
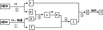
根据下图所示的关系填空,已知A为FeS2固体,C的焰色反应火焰呈黄色,其中①、③是硫酸工业生产中的重要反应,D、E常温下为气体,X常温下为无色液体,F是红棕色固体.
(1)物质X的化学式是________.
(2)化合物B中所包含的化学键有________和________.
(3)反应④的离子方程式为________.
反应②的化学方程式为________,其中还原剂是________.
(4)已知每生成16克E,放出106.5 KJ的热量,则反应①的热化学反应方程式为________.
下表是A、B、C、D、E五种有机物的有关信息;
根据表中信息回答下列问题:
(1)A与溴的四氯化碳溶液反应,其生成物的结构简式为________;写出在一定条件下,A生成高分子化合物的化学反应方程式________.
(2)A与氢气发生加成生成F,与F在分子组成和结构上相似的有机物有一大类,它们均符合通式CnH2n+2.当n=________时,这类有机物开始出现同分异构体.
(3)B具有的性质是________(填序号):①无色无味液体、②有毒、③不溶于水、④密度比水大、⑤与酸性KMnO4溶液或溴水反应而使它们褪色
写出在浓硫酸作用下,B与浓硝酸反应的化学方程式________.
(4)写出由C氧化生成D的化学反应方程式________.
(5)写出C与E发生反应的化学方程式________,其反应类型为________.
有机物A的结构简式为,它可通过不同化学反应分别制得B、C、D和E四种物质.
请回答下列问题:
(1)指出反应的类型:A→C:________.
(2)在A~E五种物质中,互为同分异构体的是________(填代号).
(3)写出由A生成B的化学方程式________
(4)已知HCHO分子中所有原子都在同一平面内,则在上述分子中所有的原子有可能都在同一平面的物质是________(填序号).
(5)C能形成高聚物,该高聚物的结构简式为________.
(6)写出D与NaOH溶液共热反应的化学方程式________.
通常情况下,多个羟基连在同一个碳原子上的分子结构是不稳定的,容易自动失水,生成碳氧双键的结构:
下面是9种化合物的转变关系:
(1)化合物①的结构简式________,它跟氯气发生反应的条件A是________.
(2)化合物⑤跟⑦可在酸的催化作用下去水生成化合物⑨,⑨的结构简式是________,名称是________.
(3)③→⑥的化学反应方程式是________.
(4)化合物⑨是重要的定香剂,香料工业上常用化合物②和⑧直接合成它,此反应的化学反应方程式是________.
下图的各方框表示有关的一种反应物或生成物(某些物质已经略去),其中常温下A、C、D为无色气体,C能使湿润的红色石蕊试纸变蓝.
(1)写出下列各物质的化学式:
X:________;B:________;F:________;G:________.
(2)写出下列变化的反应方程式:
A→D:________;
G→E:________.
(3)实验室里,常用加热________的混合物的方法制取气体C,常采用________法来收集.
现有aA、bB、cC、dD、eE五种短周期元素,它们都是生命体不可缺少的重要元素.已知它们的原子序数有如下关系:a+b=c,a+c=d,c+d=e,B、D、E都有多种同素异形体.人类已知的化合物中,有一类化合物的种类已超过三千万种,这类化合物中一般都含有A、B两种元素.根据以上信息回答下列有关问题:
(1)元素E的外围电子排布式:________
(2)元素B与D的电负性的大小关系是________,C与D的第一电离能的大小关系是________.(填﹥、﹤、﹦,用元素符号表示)
(3)B、D两元素组成的极性分子和C元素形成的单质互为等电子体,则B、D两元素组成的极性分子的结构式为________.
(4)A和D按原子个数比1∶1形成的化合物是________分子(填极性和非极性)
(5)写出由A、B、C、D四种元素组成的离子化合物和共价化合物的化学式(各写出1种即可)________、________
(6)在A、B、D三种元素中选择2种或3种元素,组成2种可发生反应的阴离子,请写出该反应的离子方程式:________.
依据事实,填空:
(1)在25℃、101 kPa下,1 g甲醇液体完全燃烧生成CO2和液态水时放热22.68 kJ.则表示甲醇燃烧热的热化学方程式为________
(2)已知拆开1 mol H-H键,1 mol N-H键,1 molN≡N键分别需要的能量是436 kJ、391 kJ、946 kJ,则N2与H2反应生成NH3的热化学方程式为________
(3)氢氧燃料电池已用于航天飞机.以30%KOH溶液为电解质的这种电池在使用时的电极反应式:正极:________;负极:________
(4)在25℃时,密闭容器中X、Y、Z三种气体的初始浓度和平衡浓度如下表:
该反应的反应方程式可表示为________,平衡时Y气体的转化率________.
(5)某核素AZX的氯化物XCl2 1.11 g配成溶液后,需用1 mol·L-1的硝酸银溶液20 ml才能把氯离子完全沉淀下来.则X的质量数为________;若X的核内中子数为20,则37 g XCl2中所含质子的物质的量________.
碘钨灯具有使用寿命长、节能环保等优点.一定温度下,在碘钨灯灯泡内封存的少量碘与沉积在灯泡壁上的钨可以发生如下的可逆反应:
W(s)+I2(g)WI2(g);ΔH<0
为模拟上述反应,在450℃时向一体积为2 L的恒容密闭容器中加入0.1 mol碘单质和足量的钨,2 min后反应达到平衡,测得碘蒸气浓度为0.005 mol·L-1.请回答下列问题:
(1)
前两分钟内碘蒸气的反应速率为________.
(2)
能够说明上述反应已经达到平衡状态的有
A.
I2与WI2的浓度相等
B.
容器内气体压强不再变化
C.
W的质量不再变化
D.
单位时间内,金属钨消耗的物质的量与碘化钨生成的物质的量相等
E.
容器内混合气体的密度保持不变
(3)
下图为该反应在450℃时的时间-速率图,则t2时刻改变的外界条件可能是________,若t4时刻将容器压缩至一半(各物质状态不变),保持该条件至t6,请在图中画出t4到t6时间段内大致曲线图,并在相应曲线上标上υ3(正)、υ3(逆)
(4)
假设灯丝温度为660℃,灯泡壁温度为350℃.请根据化学反应原理分析在灯泡内充入碘能够延长钨丝寿命的原因________.