(1)分别向盛有等量铜片的四支试管中加入等体积的①浓硫酸②稀硫酸③浓硝酸④稀硝酸,能随即发生剧烈反应的是(填序号,下同)________,常温下缓慢反应(或微热后能发生剧烈反应)的是________,常温下不反应,但加热后发生剧烈反应的是________,加热也不发生反应的是________.由此可以得到上述四种酸氧化性由强到弱的顺序是:________.
(2)工业上用洗净的废铜屑作原料来制备硝酸铜.为了节约原料和防止污染环境,宜采取的方法是________(填序号)
A.Cu+HNO3(浓)Cu(NO3)2
B.Cu+HNO3(稀)Cu(NO3)2
C.CuCuOCu(NO3)2
D.CuCuSO4Cu(NO3)2
(3)先将铜与浓硫酸反应产生的气体X持续通入下图装置中,一段时间后再将铜与浓硝酸反应产生的大量气体Y也持续通入该装置中,可观察到的现象包括________
A.通入X气体后产生白色沉淀
B.通入X气体后溶液中无明显现象
C.通入Y气体后开始沉淀
D.通入Y气体后沉淀溶解
E.通入Y气体后溶液中无明显现象
由此可得到的结论是:________
A.HNO3的酸性比H2SO4强
B.盐酸的酸性比H2SO3强
C.BaSO3能溶于盐酸
D.HNO3能氧化H2SO3(或SO2)
E.BaSO4不溶于水也不溶于HNO3溶液
Ⅰ.恒温、恒压下,在一个可变容积的容器中发生如下发应:
A(气)+B(气)C(气)
(1)若开始时放入1 mol A和1 mol B,到达平衡后,生成a mol C,这时A的物质的量为________mol
(2)若开始时放入3 mol A和3 mol B,到达平衡后,生成C的物质的量为________mol.
(3)若开始时放入x mol A,2 mol B和1 mol C,到达平衡后,A和C的物质的量分别是ymol和3a mol,则x=________mol,y=________mol.平衡时,B的物质的量________(选填一个编号)
(甲)大于2 mol(乙)等于2 mol(丙)小于2 mol(丁)可能大于、等于或小于2 mol作出此判断的理由是________.
(4)若在(3)的平衡混合物中再加入3 mol C,待再次到达平衡后,C的物质的量分数是________.
Ⅱ.若维持温度不变,在一个与(1)反应前起始体积相同、且容积固定的容器中发生上述反应.(5)开始时放入1 mol A和1 mol B到达平衡后生成b mol C.将b与(1)小题中的a进行比较________(选填一个编号).
(甲)a<b
(乙)a>b
(丙)a=b
(丁)不能比较a和b的大小
作出此判断的理由是________.
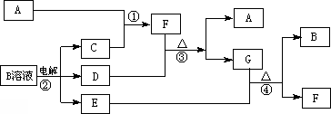
下图为中学化学中几种常见物质的转化关系(部分产物已略去).已知:A、C、D是常见的气体单质,F气体极易溶于水,且液态常做制冷剂.
(1)写出化学式A________,D________,G________,写出电子式F________;
(2)鉴定G中阳离子的实验方法和现象:________;
(3)D单质和E溶液反应,生成一种常见的消毒剂和漂白剂的有效成分,写出D+E溶液反应的离子方程式和③的化学方程式
D+E________、③________.
(4)工业上电解B溶液制得一系列化工原料,写出其电解的化学方程式,并标出电子转移的方向和数目________.
美国Bay等工厂使用石油热裂解的副产物甲烷来制取氢气,其生产流程如
下图:
(1)此流程的第II步反应为:CO(g)+H2O(g)H2(g)+CO2(g),该反应的化学平衡常数表达式为K=________;反应的平衡常数随温度的变化如表一,
从上表可以推断:此反应是________(填“吸”、“放”)热反应.
在830℃下,若开始时向恒容密闭容器中充入CO与HzO均为1 mo1,则达到平衡后CO的转化率为________.
(2)此流程的第II步反应CO(g)+H2O(g)H2(g)+CO2(g),在830℃,以表二的物质的量(单位为mol)投入恒容反应器发生上述反应,其中反应开始时,向正反应方向进行的有________(填实验编号);
(3)在一个不传热的固定容积的容器中,判断此流程的第II步反应达到平衡的标志是
①体系的压强不再发生变化
②混合气体的密度不变
③混合气体的平均相对分子质量不变
④各组分的物质的量浓度不再改变
⑤体系的温度不再发生变化
⑥v(CO2正)=v(H2O逆)
(4)下图表示该反应此流程的第II步反应在时刻t1达到平衡、在时刻t2分别因改变某个条件而发生变化的情况:图中时刻t2发生改变的条件是________.(写出两种)
(5)若400℃时,第Ⅱ步反应生成l mol氢气的热量数值为33.2(单位为kJ),第Ⅰ步反应的热化学方程式为:
CH4(g)+H2O(g)=3H2(g)+CO(g)△H=-103.3 kJ·mol-1.
则400℃时,甲烷和水蒸气反应生成二氧化碳和氢气的热化学方程式为________.
某实验小组同学对电化学原理进行了一系列探究活动.
(1)下图为某实验小组依据氧化还原反应:(用离子方程式表示)________设计的原电池装置,反应前,电极质量相等,一段时间后,两电极质量相差12 g,导线中通过________mol电子.
(2)其它条件不变,若将CuCl2溶液换为NH4Cl溶液,石墨电极反应式为________,这是由于NH4Cl溶液显________性,(填酸性、碱性或中性)用离子方程式表示溶液显此性的原因________,用吸管吸出铁片附近溶液少许至于试管中,向其中滴加少量新制饱和氯水,写出发生反应的离子方程式________,然后滴加几滴硫氰化钾溶液,溶液变红,继续滴加过量新制饱和氯水,颜色褪去,同学们对此做了多种假设,某同学的假设是:“溶液中的+3价铁被氧化为更高的价态.”如果+3价铁被氧化为FeO,试写出该反应的离子方程式________.
(3)如图其它条件不变,若将盐桥换成弯铜导线与石墨相连成n型,如图所示,一段时间后,在甲装置铜丝附近滴加酚酞试液,现象是________,电极反应为________;乙装置中石墨(1)为________极(填正、负、阴、阳),乙装置中与铜线相连石墨电极上发生的反应式为________,产物常用________检验,反应的离子方程式为________.
全球气候变暖已经成为全世界人类面临的重大问题,温家宝总理在“哥本哈根会议”上承诺到2020年中国减排温室气体40%.
(1)地球上的能源主要源于太阳,绿色植物的光合作用可以大量吸收CO2以减缓主要过程可以描述分为下列三步(用“C5”表示C5H10O4,用“C3”表示C3H6O3):
Ⅰ、H2O(1)=2H+(aq)+1/2O2(g)+2e- ΔH=+284 kJ/mol
Ⅱ、CO2(g)+C5(s)+2H+(aq)=2C(s) ΔH=+396 kJ/mol
Ⅲ、12C3+(s)+12e-=C6H12O6(葡萄糖、s)+6C5(s)+3O2(g) ΔH=-1200 kJ/mol
温室效应,写出绿色植物利用水和二氧化碳合成葡萄糖并放出氧气的热化学方程式________.
(2)降低大气中CO2的含量及有效地开发利用CO2,目前工业上有一种方法是用产燃料甲醇.为探究反应原理,现进行如下实验,在体积为1 L的恒容密闭容器中,充入lmol CO2和3 mol H2,一定条件下发生反应:CO2(g)+3H2(g)CH3OH(g)+H2O(g)CO2来生ΔH=-49.0 kJ/mol.测得CO2和CH3OH(g)的浓度随时间变化如图所示.
①从反应开始到平衡,氢气的平均反应速率
②氢气的转化率=________;
③该反应的平衡常数为________(保留小数点后2位);
④下列措施中能使平衡体系中n(CH3OH)/n(CO2)增大的是________.
A.升高温度
B.充入He(g),使体系压强增大
C.将H2O(g)从体系中分离出去
D.再充入1 mol CO2和3 mol H2
⑤当反应达到平衡时,H2的物质的量浓度为c1,然后向容器中再加入一定量H2,待反应再一次达到平衡后,H2的物质的量浓度为c2.则c1________c2的关系(填>、<、=).
(3)减少温室气体排放的关键是节能减排,大力开发利用燃料电池就可以实现这一目标.如图所示甲烷燃料电池就是将电极表面镀一层细小的铂粉,铂吸附气体的能力强,性质稳定.将其插入KOH溶液从而达到吸收CO2的目的.请回答:
①通入甲烷一极的电极反应式为________;
②随着电池不断放电,电解质溶液的pH________(填“增大”、“减小”或“不变”).
③通常情况下,甲烷燃料电池的能量利用率________(填“大于”、“小于”或“等于”)甲烷燃烧的能量利用率.
某学生利用下面实验装置探究盐桥式原电池的工作原理(Cu元素的相对原子质量为64).
按照实验步骤依次回答下列问题:
(1)
导线中电子流向为________(用a、b表示).
(2)
写出装置中锌电极上的电极反应式:________;
(3)
若装置中铜电极的质量增加0.64 g,则导线中转移的电子数目为________;(不许用“NA”表示)
(4)
装置中盐桥中除添加琼脂外,还要添加KCI的饱和溶液,电池工作时,对盐桥中的K+、CI-的移动方向表述正确的是________
A.
盐桥中的
B.
C.
D.
(5)
若ZnSO4溶液中含有杂质Cu2+,会加速Zn电极的腐蚀、还可能导致电流在较短时间内衰减.欲除去Cu2+,最好选用下列试剂中的________(填代号).
NaOH
Zn
Fe
H2SO4
醋酸是日常生活中最常见的调味剂和重要的化工原料,醋酸钠是其常见的盐.(已知:25℃,Ka(CH3COOH)=1.69×10-5).请回答:
写出醋酸钠在水中发生水解反应的离子方程式:________;
在CH3COONa溶液中离子浓度由大到小的顺序为________(用“
25℃时,醋酸的电离平衡常数表达式Ka=.0.10 mol/L的醋酸溶液的pH约为________(提示:醋酸的电离常数很小,平衡时的
对于醋酸溶液和醋酸钠溶液的下列说法正确的是________;
稀释醋酸溶液,醋酸的电离程度增大,而稀释醋酸钠溶液则醋酸的水解程度减小.
升高温度可以促进醋酸电离,而升高温度则会抑制醋酸钠水解.
醋酸和醋酸钠的混合液中,醋酸抑制醋酸钠的水解、醋酸钠也抑制醋酸的电离.
醋酸和醋酸钠的混合液中,醋酸促进醋酸钠的水解、醋酸钠也促进醋酸的电离.
物质的量浓度均为0.1 mol/L的CH3COONa和CH3COOH溶液等体积混合(注:混合前后溶液体积变化忽略不计),混合液中的下列关系式正确的是________;
c
(6)
常温时,有以下3种溶液,其中pH最小的是________
0.02 mol·L-1CH3COOH与0.02 mol·L-1 NaOH溶液等体积混合液
0.03 mol·L-1 CH3COOH与0.01 mol·L-1NaOH溶液等体积混合液
pH=2的CH3COOH与pH=12的NaOH溶液等体积混合液
(7)
已知醋酸能够和小苏打溶液发生下列反应:
CH3COOH+NaHCO3=CH3COONa+CO2↑+H2O.用pH试纸在常温下分别测定0.10 mol/L的醋酸钠溶液和0.10 mol/L的碳酸氢钠溶液,则pH(CH3COONa)________pH(NaHCO3).(填:“>”、“<”或“=”)
向体积为10 L的固定密闭容器中通入3 mol X气体,在一定温度下发生如下反应:2X(g)Y(g)+3Z(g)
经5 min后反应达到平衡Ⅰ,此时测得容器内的压强为起始时的1.2倍,则且Y表示的反应速率为________mol/(L·min);
若上述反应在甲、乙、丙、丁四个同样的密闭容器中进行,在同一段时间内测得容器内反应速率分别为:甲:v(X)=3.5 mol/(L·min);乙:v(Y)=2 mol/(L·min);丙:v(Z)=4.5 mol/(L·min);丁:v(X)=0.075 mol/(L·s).若其它条件下同,温度不同,则温度由高到低的顺序是(填序号)________;
若向Ⅰ的平衡体系中充入氮气,则平衡________(填“向左”或“向右”或“不”)移动;若将Ⅰ的平衡体系中部分混合气体移走,则平衡________(填“向左”或“向右”或“不”)移动;
若在相同条件下向Ⅰ的平衡体系中再充入0.5 mol X气体,则原平衡Ⅰ中X的转化率与重新平衡后X的转化率相比较________(选填字母).
无法确定
前者一定大于后者
前者一定等于后者
前者一定小于后者
若保持温度不变,起始时加入X、Y、Z物质的量分别为a mol、b mol、c mol,达到平衡时各气体体积分数与Ⅰ平衡相同,且起始时维持化学反应向逆反应方向进行.则c的取值范围应该为________.
常温下,浓度均为0.1 mol/L的四种溶液:
①Na2CO3溶液
NaHCO3溶液
③盐酸
④氨水
试回答下列问题:
(1)上述溶液中有水解反应发生的是________(填编号,下同),溶液中溶质存在电离平衡的是________;
(2)比较①、②溶液,PH值较大的是________;
(3)在溶液④中加入少量NH4Cl固体,此时的值将________(填“变小”,“变大”或“不变”);
(4)用溶液③滴定V mL溶液④,其滴定曲线如图所示:
①试分析在滴定过程中,滴定曲线上a、b、c、d四点:
水的电离程度最大的是________点,理由是;________;
②a点溶液中离子浓度大小关系是________;
③取少量c点溶液于试管,再滴加0.1 mol/L NaOH溶液至中性.此时溶液中除H+、OH-外,离子浓度大小关系是________.