A、B、C、D、E五种短周期元素,它们的原子序数依次增大;A元素的离子不含电子;B元素的最高价氧化物对应水化物与其氢化物能反应生成盐F;D与A同主族,且与E同周期;E元素原子的最外层电子数是其次外层电子数的3/4,A、B、D、E这四种元素,每一种与C元素都能形成元素的原子个数比不相同的若干种化合物.请回答下列问题:
(1)C元素在元素周期表中的位置是________
(2)C和E两种元素相比较,非金属性较强的是(填元素名称)________,可以验证该结论的是(填写编号)________;
a.比较这两种元素的常见单质的沸点
b.比较这两种元素的单质与氢气化合的难易
c.比较这两种元素的气态氢化物的稳定性
(3)A、C、E间可形成甲、乙两种微粒,它们均为负一价双原子阴离子,且甲有18个电子,乙有10个电子,则甲与乙反应的离子方程式为________;
(4)F含有的化学键类型是________,其水溶液呈酸性,请用相关的离子方程式解释其原因________
(5)D和C形成的一种化合物能与A和C形成的一种化合物反应产生C单质,该过程的化学方程式为________
已知:①R-NO2R-NH2,②苯环上原有的取代基对新导入的取代基进入苯环的位置有显著影响.以下是用苯作原料制备一系列化合物的转化关系图:
(1)A转化为B的化学方程式是________.
(2)图中“苯→①→②”省略了反应条件,请写出①、②物质的结构简式:①________,②________.
(3)有机物的所有原子________(填“是”或“不是”)在同一平面上.
在有机物分子中,不同氢原子的核磁共振谱中给出的信号也不同,根据信号可以确定有机物分子中氢原子的种类和数目.例如二乙醚的结构简式为:CH3-CH2-O-CH2-CH3,其核磁共振谱中给出的信号有两个,如图所示:
(1)
下列物质中,其核磁共振氢谱中给出的信号只有一个的是
A.
CH3CH3
B.
CH3COOH
C.
CH3COOCH3
D.
CH3OCH3
(2)
化合物A和B的分子式都是C2H4Br2,A的核磁共振氢谱图如图所示,则A的结构简式为________,请预测B的核磁共振氢谱上有________种信号.
(3)
在常温下测得的某烃C8H10(不能与溴水反应)的核磁共振谱上,观察到两种类型的H原子给出的信号,其强度之比为2∶3,试确定该烃的结构简式为________;该烃在光照下生成的一氯代物在核磁共振谱中可产生________种信号,强度比为________.
(4)
在常温下测定相对分子质量为128的某链烃的核磁共振谱,观察到两种类型的H原子给出的信号,其强度之比为9∶1,则该烃的结构简式为________,其名称为________.
由环己烷可制得1,4–环己二醇,流程如下(其中无机产物都已略去),试回答:
(1)反应________属于取代反应.
(2)化合物的结构简式:B________,C________
(3)反应⑥所用试剂和条件是________;
(4)写出反应②、⑤的化学方程式:反应②________反应⑤________
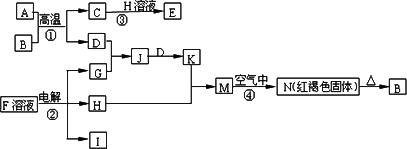
下图是一些常见的单质、化合物之间的转化关系图,有些反应中的部分物质被略去.反应①常被应用于野外焊接钢轨,A为日常生活中常见的金属单质,G为黄绿色气体,F是海水中含有盐的主要成分,J为D、G反应产物形成的水溶液.
请回答下列问题:
(1)H的化学式为________.(2)反应②在工业上通常称之为________工业.
(3)写出反应③的离子方程式________.
(4)写出反应②的化学方程式________.
2010年上海世博会主题是“城市,让生活更美好”,试回答下列问题:
(1)为确保世博会期间申城空气质量优良率达到95%以上,世博会期间的空气质量状况监测中,不需要监测的指标是________.
a.可吸入颗粒物(PM10)
b.NO2浓度
c.SO2浓度
d.CO2浓度;
(2)造成臭氧层空洞的主要物质是________.为了改善空气质量,必须控制大气中二氧化硫、氮氧化物、烟尘等污染物的排放量.对汽车加装尾气催化净化装置,使其中的有害气体NO、CO转化为无害气体,该反应的化学方程式为________.
(3)为2010年世博会期间提供科学有效的环境质量保障方案,白龙港污水处理厂升级改造,处理废水时加入K2SO4·Al2(SO4)3·24H2O或碱式氯化铝的作用是________;通入臭氧或二氧化氯的作用是________.某农村地区为获得饮用水,在将地表水取回家后,常使用漂白粉或漂白精片进行杀菌消毒,其原理可用化学方程式表示为________.
(4)世博会中国馆——“东方之冠”,它由钢筋混凝土、7000多块红色铝板和1200多块玻璃等建成.生产玻璃所用的工业设备是________;石英玻璃化学稳定性强、膨胀系数小,是一种特种玻璃,石英玻璃的主要成分是________;
亚硝酸钠有毒,其外观和咸味与食盐很相似,因此要防止因误食亚硝酸钠而发生事故.亚硝酸钠和氯化钠的部分性质如下表:
请根据表中信息设计一种鉴别NaNO2和NaCl的方法,写出简单的操作过程、现象和结论:________
碘是人体中不可缺少的________(选填“常量”或“微量”)元素.
食盐中加入碘元素能有效防止缺碘引起的疾病.以前在食盐中加入碘化钾(KI),放置一年后,碘流失约92%.现在食盐中加入碘酸钾(KIO3),在相同条件下碘仅损失约7%.食盐中加入碘化钾的碘损失率高的原因是________;(填字母).
a.碘化钾被氧化,造成碘化钾的碘损失率高.
b.碘化钾升华,造成碘化钾的碘损失率高.
c.碘化钾与食物中的成分发生反应,造成碘化钾的碘损失率高.
萃取碘水中的碘时,一般选用的试剂是
酒精
四氯化碳
乙酸
(5)
可用盐酸酸化的碘化钾和淀粉溶液检验食盐中的碘酸钾.反应化学方程式为:5KI+KIO3+6HCl6KCl+3I2+3H2O,反应的现象是________
(6)
已知碘酸钾受热易分解,你认为在用碘酸钾加碘盐进行烹饪时应注意什么问题?________.
某可降解塑料的单体为A,经测定A的相对分子质量在90~120之间,其中含碳的质量分数为46.2%,含氢的质量分数为7.7%,其余为氧.请回答下列问题:
(1)A的分子式为________.
(2)1 mol A与足量NaHCO3反应得到22.4 L(标准状况下)CO2,与足量金属钠反应,得到22.4 L(标准状况下)H2;在一定条件下,A也能发生反应生成五元环,则A的结构简式为________.A反应成五元环岛反应方程式为:________.
(3)一定条件下A聚合成可降解塑料的化学方程式为________.
糖尿病是由于体内胰岛素紊乱导致的代谢紊乱综合症,以高血糖为主要标志.长期摄入高热量食品和缺少运动都易导致糖尿病.
血糖是指血液中的葡萄糖
糖尿病人尿糖偏高,可用新制的氢氧化铜悬浊液来检测病人尿液中的葡萄糖
葡萄糖属于碳水化合物,分子可表示为C6(H2O)6,则每个葡萄糖分子中含6个H2O
葡萄糖可用于制镜工业
淀粉水解的最终产物是葡萄糖
含糖类丰富的农产品通过发酵法可以制取乙醇,但随着石油化工的发展,工业上主要是以乙烯为原料,在加热、加压和有催化剂存在的条件下跟水反应生成乙醇,这种方法叫做乙烯水化法.试写出该反应的化学方程式:________.
烯烃加到溴水中能使溴水褪色,现将丙烯和溴水褪色后的有机物与氢氧化钠的醇溶液混合加热,又能得到一种烃类物质,该反应堆化学方程式为:________.
卤代烃的一些数据如下表,分析表中数据可以得出的结论是(写出2条即可)________.
某重要的香料F其合成路线有多条,其中一条合成路线如下:
(1)在(a)~(e)的反应中,属于取代反应的是________.(填编号)
(2)化合物F的结构简式是________.
(3)在上述转化过程中,步骤(b)的目的是________.
(4)写出同时满足下列四个条件的D的两种同分异构体的结构简式________.
A.该物质属于芳香族化合物
B.该分子中有4种不同类型的氢原子
C.1 mol该物质最多可消耗2 mol NaOH
D.该物质能发生银镜反应