题目内容

在用“伏安法测导体电阻”的实验中:
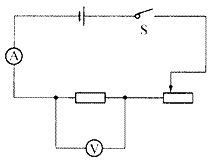
(1)小明连接的实物电路如图,其中有几处是错误的,请在错误之处 打“×”并改正。
(2)下表是小明同学拟出的实验报告。请将下述报告中的三处空白补充完整,
(3)从“实验步骤”看,存在的主要缺陷是什么?
(1)
(2);B端或最右端;10
(3)没有多次测量
练习册系列答案
相关题目

初中物理欧姆定律阶梯训练

欧姆定律

基础知识与基本技能

*1.导体中的电流,跟这段导体          成正比,跟这段导体       成反比。这个结论是德国物理学家           在19世纪初通过实验研究得出的。通常叫做            。它写成公式是           。[2.5]

*2.电流的符号是   ,单位是     ,单位的符号是     ;电压的符号是     ,单位是     ,单位的符号是     ;电阻的符号是     ,单位是     ,单位的符号是     。*3.单位换算:[1.5]24000Ω=      kΩ=      MΩ 1.1×105V=      kV=       mV

 260mA=         A=           μA

*4.用      表测出电阻两端的电压,用      表测出通过电阻的电流,根据欧姆定律就可以计算出电阻R,这种测电阻的方法叫        法。此实验的原理是          。[1.5]

**5.装有两节新干电池的手电筒,它的电压是    V。若灯泡的电阻为10Ω,当它正常发光时,通过灯丝的电流约是      。[1.0]

**6.有一导体两端的电压为12V时,通过它的电流为0.2A,它的电阻是      ;当它两端的电压为6V时,它的电阻是      ;当它两端的电压为0V时,它的电阻是      ,通过导体的电流是      。[1.5]

**7.我们利用下列器材研究电流跟电压、电阻之间的关系。按电路图(图15-2)用笔线连接电路(图15-3)。[3.5]

在研究电流跟电压的关系时,应保持      不变,移动变阻器的滑片,改变电阻R两端的      ,测出相应的         。在研究电流跟电阻的关系时,应保持

      不变,改变        ,测出相应的       

**8.下面的表格是“研究电流跟电压、电阻关系”的实验数据记录:[2.5]

电阻R(Ω)

5

10

20

电流I(A)

0.4

0.2

0.1

 表1电阻R=15Ω                       表2  电压U=2V

电压U(V)

1.5

3

4.5

电流I(A)

0.1

0.2

0.3

分析表1数据,可得出结论                                      

分析表2数据,可得出结论                                      

**9.某导体两端的电压为0.5V时,通过导体的电流是0.1A,那么当电压为1.5V时,通过导体的电流是     A。[1.0]

**10.在研究电流与电阻的关系时,若导体的电阻为20Ω时,电流为0.2A,那么,导体的电阻为       Ω时,通过导体的电流为0.4A。[1.0]

**11.将30Ω的电阻接在一电源的两端,通过电阻的电流是0.3A,若把30Ω的电阻拿走,将10Ω与60Ω的电阻分别接在这个电源的两端,那么通过两电阻的电流分别是(   )。[1.5

 A.0.9A,0.15A      B.0.15A,0.9A       C.0.1A,0.6A       D.0.6A,0.1A

**12.在研究“电流跟电压、电阻的关系”的实验中,

如图15-4所示,我们先使电阻箱R的电阻取某一值,多次改变滑动变阻器的阻值,记录每一次的       和相应的电流值,得到当电阻不变时,电流跟     成正比的关系;然后多次改变电阻箱R的电阻,调节变阻器的滑片,使每次     保持不变,记录每次电阻箱R的阻值和相应的     值,得到电流跟      成反比的关系。[3.5]

**13.导体的电阻为15Ω,当其两端电压为6V时,通过它的电流是0.4A,若将它两端的电压增加到12V时,通过它的电流为    ,此时该导体的电阻为     。[1.5]

**14.如图15-5所示的电路,是表示滑动变阻器连入电路的四种接法。当滑片向左滑动的过程中,(1)电流表示数变大的是     电路图;(2)电流表的示数变小的是       电路图;(3)电流表的示数不变的是     电路图;(4)不正确的连法是    电路图。[2.5]

**15.判断题:[2.5]

①(  )灯泡发光时通过的电量越多,则电流越大

②(  )电阻是导体对电流的阻碍作用,所以当导体中没有电流时,导体中就没有电阻了 

③(  )欧姆就是电阻

④(  )某段导体中的电压越大,则对电流的阻碍作用就越大

⑤(  )导体长度越长,横截面积越大,则它对电流阻碍作用就越大

⑥(  )将两个阻值不同的电阻串联后接在电阻中,则电阻大的通过的电流小

⑦(  )由U=IR可知,在并联电路中电阻较大的,它两端的电压也较大

知识的应用**16.下列说法中正确的是(   )。[0.5]

A.电流跟电压成正比                B.电流跟电阻成反比

C.在导体的电阻一定时,导体中的电流跟导体两端的电压成正比

D.在导体两端电压一定时,导体中的电流跟导体的电阻成正比

**17.由欧姆定律 推得,下列说法中正确的是(   )。[1.0]

A.导体的电阻与导体两端电压成正比B.导体的电阻与通过导体的电流成反比

C.导体的电阻是导体本身的属性,等于电压与电流的比值D.以上说法都不对

18.一个灯泡的灯丝的电阻是4Ω,当它两端的电压是2.8V时,求通过灯泡的电流是多少?

 

**19.通过一个电阻器的电流是0.4A,电阻器的电阻是90Ω,求它们两端的电压是多大?

**20.把一个电热器把它接在家庭电路上,通过它的电流是5A,该电热器的电阻是多少?

**21.如图15-6,开关合上前,滑动变阻器的滑片P应移至   端。当滑片从中点开始(此时灯泡正常发光)向右移动时,变阻器连入电路的阻值变      ,电路中的电流变     ,灯泡亮度变     。[2.5] 

**22.如图15-7电流表A1的示数为0.9A,电流表A2的示数为0.5A,则通过电阻R1的电流是      ,通过电阻R2的电流是     。[1.5]

**23.如图15-8所示的电路,S合上后,电压表V1的示数是6V,V2的示数是3.8V,那么电灯L1两端的电压是      ,灯L2两端的电压是      。[1.5]

**24.一盏白炽灯接在家用电路上,灯泡正常发光时的电阻是1210Ω,求此灯正常发光时的电流是多大?[1.5]

25.加在某导体两端的电压为3V时,测出通过导体的电流是150mA,则该导体的电阻多大?

**26.用电压表测出一段导体两端的电压是72V,用电流表测出通过这段导体的电流为0.4A,则这段导体的电阻是    Ω。[1.0]

**27.一个电阻为5Ω的导体,通过它的电流为0.8A,说明它两端的电压是   V。[1.0]

**28.一个导体当它两端加8V电压时,通过它的电流为0.2A,则它的电阻是    Ω;这段导体两端加6V电压时,它的电流为      A,电阻为      Ω;当它两端不加电压时,导体的电阻是      Ω,通过导体的电流是      A。[3.0]

**29.有甲、乙两个导体,当通过相同的电流时,甲两端的电压比乙两端的电压高,则两者的电阻相比(   )A.R>R     B.R=R     C.R<R     D.无法判定

**30.加在阻值12Ω的电阻两端的电压是6V,则在3分20秒内通过该电阻的电量是多少?

**31.某段电路两端的电压是220V,用电器的电阻是40Ω,能否用量程为0~3A的电流表测其电流?[1.5]

**32.加在阻值为30Ω的电阻两端的电压是6V,10min通过该电阻的电量是    C。[1.0]

**33.若导体两端加8V电压时,1min内通过导体横截面积的电量是18C,导体中的电流是      A,导体的电阻是      Ω;若导体两端不加电压时,导体的电阻为

    Ω,通过导体的电流是       A。[2.5]

**34.甲、乙两个导体的电阻之比是1∶2,将它们分别接到同一电源的两端,则通过它们的电流之比是        。[1.0]

35.在电阻是5Ω的导体中,1.5min通过该导体的电量是45C,那么导体两端的电压是    V。

**36.一个5Ω的电阻两端电压为U时,通过电阻的电流为3A,如果将这个电压加在10Ω的电阻两端,则电流是        A。[1.0]

**37.当导体两端电压为10V时,通过导体的电流为500mA,那么导体两端电压为2V时,导体的电阻是(   )。 A.0.004Ω       B.0.02Ω        C.4Ω        D.20Ω

**38.在下面的方框内画出伏安法测电阻的电路图,并根据电路图连接15-9电路。[3.5]

在连接电路图时开关应处于      状态,滑动变阻器的滑片应位于    (填A或B)端,这主要是为了避免电路中的      过大,而烧坏电路中的有关元件。

**39.在伏安法测电阻的实验中,利用R=U/I计算出各次的电阻值。但算出的结果往往是不同的,这属于实验中的        ,是不可避免的,采取多次测量取平均值的办法可以             。[1.5]

**40.将6V的电压加在用电器两端时,通过的电流是0.2A,该用电器的电阻是

      Ω;将3V的电压加在同一用电器两端时,通过电路的电流是      A,用电器的电阻是    Ω;如果用电器两端的电压为零,该电阻的阻值是     Ω。[2.0]

**41.如图15-10所示的电路,电源电压为6V,电灯L1上的电压为1.5V,则电压表的示数(   )A.1.5V     B.4.5V   C.6V       D.7.5V

***42.有甲、乙、丙三根用同种材料制成的导线,已知甲和乙粗细相同,但甲比乙长;乙和丙的长度相同,但乙比丙细。则三根导线中电阻最大的是(   )。

[A.甲      B.乙      C.丙      D.无法判断

***43.质量相同的铜丝和铝丝,它们的横截面积相等,铜丝和铝丝的电阻相比较(   )。

 A.铜丝的电阻大        B.铝丝的电阻大

 C.电阻一样大          D.无法比较

***44.如图15-11是滑动变阻器的结构示意图,若滑片向

右移动时,电路中的电流变小,则应选用的接线柱是(   )。

 A.AC或AD             B.BC或BD

 C.AC或BD             D.AB或BD

***45.请按要求将图15-12所示的器材用色笔连好电路并画出电路图。要求:当滑片向右移动时,电灯变亮。

知识的拓展

***46.下列说法中正确的是(   )。[1.0]

 A.电流表和电压表都可以直接接到电源的两极上

 B.电流表可以直接接到电源的两极上,而电压表不行

 C.电压表可以直接接到电源的两极上,而电流表不行

 D.电流表和电压表都不能直接接到电源的两极上

***47.如图15-13闭合开关S,电压表测的电压是(   )。[1.0]

A.R1两端的电压   B.R2两端的电压    C.R1和R2两端的电压   D.电源两端的电压

***48.一段导体两端的电压是2V时,导体中的电流是0.2A,如果电压增大到9V时,导体中的电流变为多大。[1.5]

***49.一只电阻器两端的电压从3V增加到3.8V时,通过该电阻器的电流增加了0.2A,则该电阻是多少?[1.5]

***50.在图15-14所示的电路中,当开关S闭合后,

电压表V1和V2示数相同,发生的故障是(   )。[1.5]

     A.灯L1的灯丝断了      B.灯L2的灯丝断了

     C.开关S处断路        D.L1两接线柱短路

***51.当导体两端的电压是8V时,通过导体的电流是0.4A,如果使导体两端的电压再增加6V时,该导体中的电流是(   )A.0.4A      B.0.5A         C.0.7A        D.0.93A

***52.如图15-15所示,是滑动变阻器接入电路的4种情况,当变阻器的滑片向右移动时,使电路中电流增大的是(   )。

***53.设计电路。要求:L1和L2串联,电流表测L1的电流,电压表测L2两端的电压,滑动变阻器控制电路中的电流不超过0.5A。画出电路图,并用铅笔线代替导线将图15-16中的元件连接起来。[3.5]

 

***54.加在导体两端的电压为3V,通过它的电流为200mA,如果将两端电压再增加6V时,应选什么量程的电流表测其电流?[1.5]

55.如图15-17所示的电路,灯L的电阻为10Ω,电源电压为6V,如果电压表被短路,那么(   )A.电流表被烧坏   B.电压表被烧坏  C.灯L被烧坏   D.不发生任何事故

***56.某同学做伏安法测电阻的实验时,无论怎样移动变阻器的滑片,发现电压表的示数均为零,而电流表的指针指在满量程之外,这时(   )。[1.5]

  A.一定是电压表已损坏,应立即断开关

  B.一定是电流表与电源两极直接相连,应立即断开开关

  C.可能是电压表发生了故障,而电流表既未接错也未损坏

  D.可能是电流表与电压表接成了串联电路

***57.如图15-18所示的电路中,电源电压不变,当开关闭合,滑动变阻器的滑片向左移动时(   )A.电流表示数减小,电压表示数不变 B.电流表示数增大,电压表示数增大

C.电流表示数减小,电压表示数减小D.电流表示数增大,电压表示数减小

串联、并联电路的特点

基础知识与基本技能

*1.串联电路的总电阻等于                               ,写成数学表达式是           ;串联电路中的电流               ,写成数学表达式是          ;串联电路的总电压等于                           ,写成数学表达式是          

*2.几个导体串联起来总电阻比其中任何一个导体的电阻都    ,因为导体的串联相当于增加了导体的        。[1.0]

**3.阻值为10Ω的电阻R1与阻值为25Ω的电阻R2串联后的总电阻是      。若通过R1的电流为0.2A,则通过电阻R2的电流是      ,R2两端的电压是     。[1.5]

**4.R1与R2串联后的总电阻为350Ω,已知电阻R1=170Ω,则电阻R2=      Ω。

**5.电阻R1、R2串联在电路中,已知R1∶R2=3∶2,则通过的电流之比I1∶I2=      ,电阻两端的电压之比U1∶U2=         。[2.5]

**6.R1=5Ω,R2=10Ω,串联后接到6V的电源上,则R1两端的电U1       ,R2两端的电压U2        ,U1∶U2=       。[2.5]

**7.电阻R1=30Ω,与电阻R2串联后总电阻为90Ω,则电阻R2      Ω。将这两个电阻并联,其并联的电阻为       Ω。[1.5]

8.粗细相同的两根铝导线,长度关系是L1>L2,串联接入电路后,其电流和两端电压的关系是(  )A.I1>I2,U1<U2   B.I1<I2,U1>U2   C.I1=I2,U1>U2  D.I1=I2,U1<U2

**9.串联电路随着用电器的个数增加,其总电阻(   )。[1.0]

A.变大      B.变小      C.不变       D.无法判断

**10.已知:R1=4Ω,它与一只电阻R2并联后的总电阻是2.4Ω,求:R2的阻值。[1.5]

**11.如图15-19,R1=6Ω,U2=3V,总电压为7V,求:R2=?

**12.如图15-20,R1=2Ω,R2=3Ω,电压表的示数为1V。求:R2两端的电压和电源电压。[1.5]

知识的应用

**13.在家庭电路中,同时工作的用电器越多,干路中的电流(   )。[0.5]

 A.越大          B.越小        C.不变         D.无法判断

**14.将电阻R1、R2并联在电路中,已知R1=4R2,则在通过R1、R2的电流之比为(   )[1.5]

 A.1:4        B.4:1      C.2:1       D.1:16

**15.将20只电阻都是9Ω的小灯泡串联后接在36V的电源上,通过其中一个小灯泡的电流为       mA。[1.0]

**16.如图15-21所示的电路,电压U为24V,电流表的示数为1.2A,电压表的示数为6V,则电阻R1阻值为    Ω。[1.0]

**17.电阻R1和R2串联后的总电阻是1.5kΩ,接入电路后,R1两端的电压为6V,R2两端的电压为3V,则R1的阻值是

     Ω。[1.5]

**18.如图15-22所示,已知R1=6Ω,U∶U2=4∶1,则R2的阻值是    Ω,U1∶U2=       。[2.0]

**19.把6个完全相同的小灯泡串联起来,接在24V的电路上,每个小灯泡两端的电压是      V。若每个小灯泡的电阻都是16Ω,电路中的电流是     A。[2.5]

**20.如图15-23所示的电路中,并联电路的电压U =      ;干路中的电流I =    ;总电阻的倒数1/R =         。[1.5]

**21.并联电路的总电阻比其中任何一个电阻都要      ,因为导体并联相当于                            。[1.5]

**22.两个相同的电阻并联后的总电阻为4Ω,那么将它们串联后的总电阻是   Ω。[1.0]

**23.将6只30Ω的电阻并联起来,其电阻为       Ω,15Ω的电阻与30Ω的电阻并联,总电阻是       Ω。[1.5]

**24.将两个灯泡L1与L2并联,用电流表测出通过L1和干路中的电流分别为0.5A和0.7A,则通过L2的电流为      mA。[1.5]

25.将一阻值为10Ω的均匀的电阻丝对折后,当成一根使用,则对折后的电阻为     Ω。

***26.如图15-24所示的电路,R1的阻值为10Ω,电流表的示数为0.4A,电压表的示数为3.2V。求:R1两端的电压,R2的阻值及电源电压。[2.5]

***27.如图15-25:U1=6V,U=10V,通过R1的电流是0.4A,求:R1、R2的阻值。[2.5]

***28.判断题:[2.5]

(1)(   )导体的电阻决定于导体的长度、横截面积和材料,而与两端的电压和通过的电流无关

(2)(   )欧姆定律公式中的I、U、R是同一电路上的电流、电压和电阻

(3)(   )串联电路中的任一用电器被烧断时,其它用电器仍然正常工作

(4)(   )串联电路上,其中一个电阻增大时,总电阻也增大

(5)(   )金属中能够自由移动的是自由电子,所以电流和方向就是自由电子移动的方向

 ***29.两盏电灯L1、L2串联在家庭电路中,如果它们的电阻分别是440Ω和110Ω,求电路中的电流和电灯L1、L2两端的电压各多大?[2.5]

***30.R1与R2串联后,连到10V的电源上,R1=30Ω,测得R1两端的电压为6V,求:电路中的电流和R2的阻值。[2.5]

***31.R1、R2串联后接到18V的电源上,测得通过R1的电流为0.2A,R2的电阻是40Ω。求:R1的阻值和R2两端的电压。[2.5]

***32.R1=60Ω,R2=70Ω,它们串联后接到某电源上,测得5秒钟通过R1的电量是6C,则电源电压和R2两端的电压各多大?[2.5]

***33.如图15-26所示的电路,电源电压为20V,R1=25Ω,电流表的示数为0.25A,求R2的阻值和电压表的示数。[2.5]

***34.n个阻值分别为R1、R2……Rn电阻串联在电压为U的电路中,U1∶U2=      ;U1∶U=    ;Un∶U=    。由此可见串联电路中的总电压的分配与各部分电阻成       。[2.5]

***35.粗细相同的两根镍铬合金线A和B,A的长度大于B的长度,将它们串联后接入电路,则通过它们的电流和两端电压的关系是(   )。[1.5]

A.IA>IB, UA=UB    B. IA<IB, U1=U2    C.IA=IB, UA<UB     D. IA=IB, UA>UB

***36.有三个电阻,阻值分别是3Ω、6Ω、9Ω,串联后接到6V的电源上,则三个电阻两端的电压分别是(   )。

A.2V、4V、6V      B.1V、2V、3V     C.3V、2V、1V     D.6V、4V、2V

***37.有一电铃正常工作的电压是12V,要将此电铃接到电压是20V的电源上,应如何办? 

***38.一把电铬铁,正常工作的电阻是72Ω,通过的电流是0.1A,问必须给它串联一个多大的电阻才能把接到220V的电源上?[2.5]

***39.一个用电器正常工作的电压为6V,阻值为15Ω,将它与一只12Ω的电阻串联后接到电压是多大的电源上,此用电器才能正常工作?[2.5]

***40.两个电阻R1、R2,它们的阻值分别是10Ω、20Ω,将它们串联后接在电压为6V的电源上,通电5min,则通过R1、R2的电量分别是(   )。[1.5]

A.1C,2C      B.180C,90C  C.40C,20C     D.60C,60C   

***41.将电阻R1、R2串联在电路中,已知:R1=3R2,总电压为4V,则R1两端的电压为(   )。

A.4V        B.3V        C.2V          D.1V

***42.两根长度相同,粗细不同的锰铜丝,把它们串联在电路中,则(   )。[1.5]

A.粗的电流大,且电压也大     B.细的电流大,且电压也大

C.粗的、细的电流一样大,但细的电压大D.粗的、细的电流一样大,但粗的电压大

***43.一段导体的电阻增加3Ω后,接在原电源上,发现通过该导体的电流是原来的4/5,则该导体原来的阻值是多少?[2.5]

***44.如图15-27所示的电路,R1=20Ω,变阻器R2的阻值范围为0~40Ω,当变阻器滑片P移至变阻器的中点时,电流表的示数为0.5A,那么当变阻器滑片P移至阻值最大位置时,电流表的示数多大?[3.5]

***45.如图15-28所示,小灯泡正常发光时灯丝的电阻是7.5Ω,电压是1.5V。如果电源电压为4V,要使小灯泡正常发光,应串联一个变阻器分去电压    V,并控制电路中的电流为     A,调节滑动变阻器的阻值为     Ω。[2.5]

***46.如图15-29所示,电流表的示数是0.3A,灯泡L的电阻为3Ω,整个电路的电阻为30Ω,那么,灯泡两端的电压为     V,电压表的示数是  V。

***47.如图15-30所示的电路中,当变阻器的滑片在向右移动过程中,变阻器连接入电路的阻值将       ,电路中的电流将       ,电阻R1两端的电压将      。(填“变大”、“变小”或“不变”)[2.5]

***48.如图15-31所示当滑动变阻器的滑片自左向右移动的过程中,电路的总电阻、电流表示数和电压表示数的变化情况分别是(   )。[1.5]

 A.变小、变大、不变       B.不变、变大、变小

 C.变大、变小、变小       D.变大、变大、变大

***49.如图15-32,R1=10Ω,R2是阻值为0~40Ω的变阻器,电源电压为10V。当P在B端时,电压表的示数多大?当P在AB中点时,电流表、电压表的示数各多大?[2.5]

***50.R1=5Ω,R2=7Ω,将R1、R2串联在某电路上,通过两电阻的电流之比I1∶I2=       ,两电阻两端的电压之比U1∶U2=       。[2.0]

***51.下列各图15-33中,滑动变阻器滑片P移动时,电压表、电流表的示数各怎样变化:

若滑片P向右移动:         若滑片P向左移动:       若滑片P向右移动:

电流表示数      ;        电流表示数      ;       电流表示数      

电压表示数      ;        电压表示数      ;       电压表示数      

***52.如图15-34所示的电路,移动滑片P,使电压表的示数由U1变化到U2,U1∶U2=5∶2,则滑动变阻器滑片移动前后,通过电阻R的电流之比为(   )。[2.5]

A.5∶2    B.2∶5   C.1∶1     D.无法判断

***53.将电阻R1和R2组成串联电阻,R1∶R2=3∶1,如果电路两端的总电压是12V,那么R1两端的电压是(   )。[2.0]

 A.4V       B.3V        C.8V       D.9V

***54.如图15-35所示的电路,电源电压为12V不变,R1=8Ω,R2是最大阻值为60Ω的变阻器。求电压表和电流表的变化范围。[2.5]

***55.如图15-36所示的电路,电源电压为12V且保持不变。R1=10Ω,R2是0~50Ω的变阻器。求当变阻器滑片移动时,电流表、电压表的示数变化范围。[2.5]

***56.某用电器R1上标有“10Ω  3A”,另一用电器R2上标有“50Ω  1.5A”,串联后接到电源上,为了使用电器正常工作,电源电压应不超过何值?[2.5]

***57.如图15-37所示的电路,灯L1、L2      联的,当开关S闭合后,电流表A1的示数为0.2A,A2的示数为A1示数的3倍,则A3的示数为      A。

***58.1Ω和10Ω的电阻并联后的总电阻是R1,1Ω、10Ω和100Ω的三电阻并联后的总电阻是R2,则R1、R2的大小关系是(   )。      

A.R1<R2      B.R1>R2       C.R1=R2        D.无法判断

***59.学校照明电路的总电阻(   )。[1.5]

A.只开一盏灯时总电阻最小          B.不开灯时总电阻最小

C.所有灯都开着时总电阻最小        D.所有灯都开着时总电阻最大

60.如图15-38所示的电路,当滑动变阻器的滑片向右移动时,电流表、电压表的示数变化情况分别是(   )A.变大,变大  B.变小,变小    C.变小,不变     D.变大,不变

***61.下面四对并联的电阻,总电阻最小的是(   )。[1.5]

A.两个4Ω的            B.一个4Ω,一个6Ω

C.一个1Ω,一个8Ω     D.一个2Ω,一个7Ω

***62.有一根粗细均匀的锰铜线,阻值为R,将其对折后的电阻是原电阻的(   )。[1.5]

     A.1/2倍        B.1/4倍          C.1/8倍          D.2倍

***63.两个电阻并联后的接入电路,总电阻为R,若将其中任一电阻的阻值减小,则总电阻将     R;若将其中任一个电阻的阻值增大,则总电阻将     R。(填“>,<或=”[1.5]

***64.两个同样的电阻串联后的总电阻是36Ω,若将它们并联后,总电阻是      Ω。

***65.导体串联后相当于增加了导体的       ,因此导体串联后总电阻       ;导体并联后相当于增加导体的           ,导体并联后总电阻      。[1.5]

***66.一根粗细均匀的电阻线,阻值为R,将其用拉丝机均匀拉长为原来的2倍,再将其对折,则它的电阻值     R。(填“>”,“<”或“=” [1.5]

***67.现有20Ω的电阻若干,实验时需要用5Ω的电阻一只,应用     只20Ω的电阻     联;若需要80Ω的电阻一只,应用    只20Ω的电阻    联。[1.5]

***68.现有阻值分别是2Ω,5Ω,8Ω和20Ω的电阻各一个,要获得4Ω的电阻可以将           的电阻     联;如果要获得10Ω的电阻,则应将            的电阻     联。[2.5]

***69.如图15-39所示的电路中,电流表的读数:A1为0.12A,A2为0.08A,A3为0.1A,电压表的示数为2.8V。由此可知干路中的电流是      A;灯L1两端的电压为     V,灯L2两端的电压为      V。[2.5]

70.电阻R1=1Ω,R2=24Ω,把它们并联后的总电阻(  )。A.一定大于24Ω,  B.大于1Ω,小于24Ω

C.一定小于1Ω       D.可能等于1Ω

***71.并联电路,随着并联支路数目增加,其总电阻将(   )。[1.0]

A.变大          B.变小           C.不变          D.无法判断

***72.串联后的总电阻为10Ω的两个电阻,并联后可能的最大总电阻是(   )。[2.5]

 A.2.4Ω          B.2.5Ω         C.5Ω            D.1.25Ω

***73.n个阻值相同的电阻,串联的总电阻与并联后的总电阻之比(   )。[2.0]

A.n:1            B.n2:1          C.1:n             D.1:n2

***74.如图15-40所示的电路,滑动变阻器的滑片P向右移动时,各电表示数变化情况是(   )。[2.0]

 A.V1增大,V2减小,A减小 

 B.V1增大,V2减小,A增大

 C.V1减小,V2增大,A增大

 D.V1减小,V2增大  A减小

***75.如图15-41所示,R1=R2=10Ω,则A、B间的总电阻是(   )。[1.0]

 A.5Ω     B.10Ω     C.20Ω    D.0Ω

***76.如图15-42,R1=5Ω,R2=20Ω,已知干路中的电流是0.5A,求电路两端的电压和通过的电阻的电流。[2.0]

***77.如图15-42,若电路两端的电压是9V,I=0.2A,I1=0.15A。求:R1、R2的阻值。[2.5]

***78.如图15-43,电源电压是18V,R1=60Ω,R2=10Ω,I1=0.2A。求:I2=?,I=?[2.5]

***79.一段电阻两端的电压是4V时,通过它的电流是0.2A,如果在它两端再并联上阻值为R的电阻时,干路中的电流增加了0.4A,那么电路的总电阻R和R的阻值各是多大?[2.5]

***80.如图15-44:R1=10Ω,R2=20Ω,S断开时,电流表的示数为0.6A.求S闭合时电流表的示数。[2.5]

  

***81.如图15-45所示的电路,灯L的电阻RL=40Ω,R是标有“20Ω 1.5A”字样的变阻器,电源是由两节干电池串联而成的电池组。试求电流表和电压表的变化范围。[2.5]

***82.把R1与R2并联后接在电源上,当R1减小时,其总电阻(   )。[1.0]

A.一定减小     B.一定增大       C.可能会增大     D.可能会减小

***83.把两根长度相同粗细不同的镍铬合金线连接在电路中,若通过它们的电流相等,则它们的连接方式是(   )。[1.0]A.一定是串联        B.一定是并联

 C.可能是串联,也可能是并联        D.无法判断

***84.如图15-46所示的电路,R1=2R2,电流表在A、B两处测得的电流分别为IA和IB,则(   )。[2.5]

 A.IA=IB   B.IA=IB   C.IA=IB   D.IA=IB

***85.将电阻R1、R2并联后接到某电源上,干路中的电流为I,则(   )。[2.5]

 A.R1中的电流为  B.电源电压为()I

 C.R2上的电压为IR2       D.R1、R2上的电压之比为R2:R1

***86.如图15-47所示的电路,电流表A1与电流表A2的读数之比是5:2,则两个电阻R1与R2之比是(   ) A.2:5     B.5:2      C.3:2      D.2:3

***87.如图15-48所示的电路,当开关S断开时,电流表的示数是1A,开关闭合时,电流表的示数将(   )。A.不变     B.增加到2A    C.减少到1/2A   D.增加到4A

***88.如图15-49,电源电压4V,R1=R2=4Ω,R3=2Ω。电流表A1、A2、A3的示数分别是多少?[3.5]

***89.如图15-50所示的电路,R1=2Ω,R2=6Ω,开关闭合后,电流表的示数为4.8A,求:[3.5]

(1)电路的总电阻;

(2)电阻R1、R2两端的电压之比;

(3)通过R1、R2的电流之比。

知识的拓展

****90.如图15-51,当S闭合时,电流表的示数1.5A,电压表的示数为9V。(1)求电源电压和R1的阻值;(2)当S断开时,电压表的示数为6V,电流表的示数为1A,R2的阻值是多大?[3.5]

****91.如图15-52所示的电路,电源电压12V且保持不变。R1=8Ω,R2为0~12Ω的滑动变阻器。开关S合上后,变阻器滑片P从A端移动到B端时,求电流表、电压表的变化范围。

[3.5]

****92.如图15-53所示的电路,R1=9Ω,R2=6Ω,R3=4Ω。开关S1、S2均断开时,电压表的示数为5.4V。求:(1)开关S1、S2均闭合时,电流表、电压表的示数。(2)仅合上开关S2时,电压表、电压表的示数。[3.5]

****93.如图15-54所示的电路,灯L2的阻值R2=20Ω,当S1断开,S2合上时,电流表、电压表的示数分别为0.3A和3V。求:(1)电源电压;(2)S1、S2均合上时,电流表、电压表的示数。[3.5]

****94.如图15-55所示,R1=15Ω,R2=10Ω,当S1合上、S2断开时,电流表的示数为0.4A;当S1、S2均合上时,电流表的示数为0.6A。求:(1)R3的阻值;(2)S1、S2均断开时,电流表的示数。[3.5]

****95.如图15-56所示的电路,电源电压保持6V不变。灯L1的电阻为15Ω,当开关S1、S2闭合时,电流表的示数为1A,求灯L2的电阻。(2)当开关S1、S2都断开时,电流表的示数为0.3A,求L3的电阻。[3.5]

****96.如图15-57所示的电路,电源电压为12V且保持不变。R1=6Ω,R3=4Ω,当S1、S2均断开时,电流表的示数为1.2A。求:(1)R2的阻值;(2)当S1、S2均合上时,电流表和电压表的示数;(3)仅合上S1时,电流表、电压表的示数。[3.5]

****97.如图15-58所示电路中,RL=6Ω,电流表的量程为0~0.6A,电压表的量程为0~3V,电源电压为8V。为了使两表都能安全使用,对变阻器连入电路的阻值有何要求?[3.5]

****98.如图15-59所示,R1为0~200Ω的变阻器,R2=50Ω,电源电压为20V,电流表的量程A1是0~0.6A,电流表A2的量程是0~3A。合上S,当滑动变阻器的滑片位于R1的中点时,1min通过R1的电量是多少?为了使两表都不损坏,R1连入电路的电阻只能在什么范围内变化?[4.5]

****99.实验:给你一个电池组,一只电压表,一只已知阻值的定值电阻R,一只开关和几根导线,请你用来测一个未知阻值的电阻RX。要求:(1)画出电路图;(2)简述实验原理和步骤;(3)写出计算RX的公式。[4.5]

 

****100.如图15-60所示的方框称为黑箱(看不见内部情况的意思),它外面有四个接线柱,并知道内部有三只阻值相同的电阻,但不知道接法。经从外部对四接线柱进行测定,得知RAD=RBC=R,RAB=RCD=2R。请在黑箱内画出电阻的连接方法。[3.5]

检 测 题

(每题10分,共100分;完成时间30分钟)

基础知识与基本技能*1.电压是使电路中形成      的原因。电阻是表示导体对电流的      作用的,其它条件一定时,电阻越大,电流越小。

*2.在用实验研究一段导体(电阻)中的电流与它两端电压的关系时,应当运用滑动变阻器进行调节,不断地改变        值,并记录对应的         值,然后对数据进行分析得出结论;在研究一段导体(电阻)中的电流与导体电阻的关系时,每次实验应换用不同阻值的导体,并运用滑动变阻器进行调节,使每一次导体两端的电压       ,并记录对应的        值,然后对数据进行分析,得出结论。综合以上两方面的实验结果可得到著名的欧姆定律,其内容是                                     

**3.一段导体两端的电压是6V时,通过导体的电流是200mA,则该导体的阻值为

      Ω;若使该导体两端电压变为3V,则该导体的电阻为        Ω。

**4.已知两个导体的电阻分别为R1=4Ω,R2=6Ω。若将它们串联接人电路,则总电阻为     Ω,它们各自两端的电压U1∶U2=      ;若将它们并联接人电路,则总电阻为      Ω,通过它们的电流之比I1∶I2=         

知识的应用

**5.电阻R1:R2=4:3,它们并联后接入电路中,通过它们的电流之比为        ,它们两端的电压之比为       

**6.在并联电路中,通过支路的电流跟该支路的电阻成      比,并联电路具有

         作用。

***7.n个等值电阻并联后,总电阻R等于某一电阻的      倍,总电流等于某一条支路电流的     倍。

***8.已知:R1<R2,将图15-1中的四种不同接法接到同一电源的两极间,电路中的电流最小的是(   )。

知识的拓展****9.给你一个电池组,一只电流表,一只已知阻值的定值电阻R,以及开关、导线。用这些器材测一个未知阻值的电阻Rx的阻值。要求:(1)画出电路图;(2)写出主要步骤和计算式。

****10.某同学用伏安法测一只小灯泡的电阻,请你回答该同学在实验中遇到的问题:

(1)灯泡的亮度在他看来是正常时,他停止了对滑动变阻器的调节,并细心地观察电流表,发现电流表的示数在缓慢地变小,你认为出现这种现象的原因是     

                                        

(2)后来他又调节滑动变阻器,一不留神灯泡熄灭了(灯丝烧断了)。这时他观察到两电表的示数情况将是(    )。

A.两电表示数都为零         B.电流表有示数,电压表示数为零

C.两电表的示数都不为零     D.电流表示数为零,电压表有示数且比原来大

2008初中物理中考模拟题七

一、下列各小题均有四个选项,其中只有一个符合题意。(共44分,每小题2分,错选、多选,该小题不得分) 

  1、下列四个单位中,属于压强的单位是 (??)

  2、家庭用电中,电能表通常用来测量的是 (??)

  3、通常情况,下列各物质属于绝缘体的是 (??)

  4、下列四种现象中,不能用光的直线传播解释的有 (??)

   (??)

  6、跟液体蒸发快慢无关的因素是 (??)

  7、以下四种事例中,属于电能完全变成内能的是 (??)

  8、制造发电机利用的是 (??)

  9、下面四种说法中,正确的是 (??)

  10、某人用一个焦距为f的放大镜来观察邮票,应该使放大镜到邮票的距离 (??)

  11、下列四种变化中,属于液化的是 (??)

  12、关于磁场的以下四种说法中,正确的是 (??)

  13、自行车在沿斜坡滑下的过程中,它具有的动能和重力势能的变化是 (??)

  14、当发现有人触电时,正确的处理方法是 (??)

  15、如图1所示,其中属于晶体熔化的图象是 (??)

  个电阻并联起来,并联后的等效电阻为R,则 (??)

  17、要使电磁铁具有磁性,可以采用的方法是 (??)

  18、重100牛的物体,在20牛的水平拉力作用下,沿力的方向前进了10米。此过程中拉力对物体所做的功为 (??)

    

   

  

二、下列各小题均有四个选项,其中有两个符合题意(共6分,每小题2分,错选、多选、漏选,该小题不得分) 

  23、如图5所示,一块砖放在水平地面上。若沿虚线切成相等的两块,取走右半块,则剩下的砖对地面的 (??)

  24、液体内部压强的大小 (??)

  25、如图6所示,同一物体浸在甲、乙两种不同的液体中。比较

三、填空题(每空1分,共20分) 

  26、经验表明,只有不高于__________伏的电压对人体才是安全的。 

  27、一切正在发声的物体都在__________;声音在空气中的传播速度为__________米/秒。 

  28、当入射光线跟镜面的夹角是30度时,反射角为__________度。 

  29、力的作用效果是改变物体的运动状态或改变物体的__________。 

  30、科学上规定__________移动的方向为电流的方向。 

  31、当电车突然向前启动时,人会倒向电车的后方,这是由于人具有__________。 

  32、导体的电阻大小决定于导体的材料、__________和横截面积。 

  33、最早测出大气压值的实验是 实验。通常把__________毫米汞柱的大气压叫标准大气压。 

  34、家庭电路中电流过大的原因有两个,一个是__________,另一个是__________。 

  35、在空中运动的球__________机械能,__________内能。(填“具有”或“不具有”) 

  36、北京到天津的铁路线长约135千米,某次特快列车从北京到天津共行驶了1.5小时,这列火车的平均速度是__________千米/时。 

  37、完全燃烧10千克的木炭能放出__________焦的热量。(木炭的 

  38、某电热丝的电阻是10欧,接在电压为24伏的电源上,通过电热丝的电流是__________安,通电5秒钟产生的热量是__________焦。 

  39、图7所示的是一个电灯泡上印有的字样,该灯泡在正常工作时的电阻为__________欧。1千瓦时的电功可供该灯泡正常工作__________小时。

四、作图题(共8分)

 40、球重12牛,在图8中用所给的标度画出重力的图示。 (1分)

 

   42、在图10中标出通电螺线管的N极和S极。(1分)

 43、图11中,AO是由空气向水面斜射的一条光线。大致画出折射光线,并用箭头标明它的传播方向。(1分)

 44、在图12中完成发光点S在平面镜MN中的成像光路图。 (2分)

 45、吊在起重机钢索下的集装箱处于静止状态。在图13中画出集装箱受力的示意图。(2分)

     

五、实验题(共12分) 

  46、如图14所示,弹簧秤的示数是__________牛。(1分)

  47、图15表示温度计的一部分,它的示数是__________℃。 (1分)

  48、(1)请在图16中按照电路图将实物图连接起来。(滑动变阻器要用C端)(1分)

  49、根据杠杆原理,如果不计横杆自重,则图17中的横杆__________保持平衡。(填“能”或“不能”)(1分)

  50、在测量砖的密度的实验中,图18是托盘天平和量筒在测量时的示意图。由图可以读出砖的质量是__________克,体积是(3分)

  51、在实验室中可以用伏安法测电阻。

六、计算题(共10分)

  53、如图20所示,用甲,乙两个滑轮组将物重均为G的物体提

   54、一个电热器接在电压是220V的电源上,电热器的功率为25W。在使用时发现它生热太快,需将它的功率降为16W。如果电源电压不变,且电热器的电阻不随温度变化。

违法和不良信息举报电话:027-86699610 举报邮箱:58377363@163.com

精英家教网