题目内容
如图所示电路,电源电压保持不变,开关S由闭合到断开时( )

| A.电流表的示数变小 | B.电路的总电阻变小 |
| C.灯中电流变大 | D.电压表的示数变小 |
当开关S闭合时,电阻R被短路,电路中只有灯泡L,电流表测量的是整个电路中的电流,电压表测量的是电源电压,如图1所示.

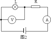
当开关S断开时,电阻R与灯泡L串联,电流表测量的是整个电路中的电流,电压表测量的是灯泡L两端的电压,如图2所示.

①在图1状态下,电路中的总电阻为RL;在图2状态下,电路中的总电阻为RL+R;则电路中的总电阻变大,故B错误.
②从图1到图2,电路中的总电阻变大,而电源电压不变,由公式I=
可知,电路中的电流变小,即电流表的示数变小,同时通过灯泡L的电流变小,故A正确;C错误.
③在图1状态下,电压表测量的是电源电压;在图2状态下,电阻R与灯泡L串联,电压表测量的是灯泡L两端的电压,则电压表的示数变小,故D正确.
故选A、D.
当开关S断开时,电阻R与灯泡L串联,电流表测量的是整个电路中的电流,电压表测量的是灯泡L两端的电压,如图2所示.
①在图1状态下,电路中的总电阻为RL;在图2状态下,电路中的总电阻为RL+R;则电路中的总电阻变大,故B错误.
②从图1到图2,电路中的总电阻变大,而电源电压不变,由公式I=
| U |
| R |
③在图1状态下,电压表测量的是电源电压;在图2状态下,电阻R与灯泡L串联,电压表测量的是灯泡L两端的电压,则电压表的示数变小,故D正确.
故选A、D.
练习册系列答案
相关题目