题目内容
利用电压表与电流表测电阻的方法叫做“伏安法”,如图所示,“伏安法”测电阻R的电路图应该是( )
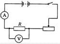
分析:(1)伏安法测电阻的原理是欧姆定律;
(2)伏安法测电阻,电源、开关、滑动变阻器、电流表、待测电阻组成串联电路,电压表并联在待测电阻两端,据此作出电路图.
(2)伏安法测电阻,电源、开关、滑动变阻器、电流表、待测电阻组成串联电路,电压表并联在待测电阻两端,据此作出电路图.
解答:解:伏安法测灯泡电阻,电源、滑动变阻器、灯泡、电流表、开关组成串联电路,电压表并联在待测灯泡两端,电路图如图所示:

故选A.
故选A.
点评:本题考查了利用伏安法测电阻的电路设计,知道伏安法测电阻的原理是正确作出电路图的前提与基础,本题考查的内容是常考内容一定要理解、掌握.
练习册系列答案
相关题目