ÌâÄ¿ÄÚÈÝ
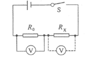
Óá°·ü°²·¨¡±²âµç×裬С»ªÊµÑéʱµÄµç·Èçͼ14¼×Ëùʾ¡£
(1)ÇëÓñʻÏß´úÌæµ¼Ïߣ¬½«ÊµÎïµç·Á¬½ÓÍêÕû£®
(2)ÕýÈ·Á¬½Óµç·ºó¡£±ÕºÏ¿ª¹ØÇ°»¬Æ¬pÓ¦ÖÃÓÚ»¬¶¯±ä×èÆ÷µÄ ¶Ë(Ñ¡Ìî¡°×ó¡±»ò¡°ÓÒ¡±)£®
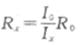
(3)²âÁ¿Ê±£¬µ±µçѹ±íµÄʾÊýΪ2.4Vʱ£¬µçÁ÷±íµÄʾÊýÈçͼ14ÒÒËùʾ£¬¸ù¾ÝʵÑéÊý¾Ý¿ÉµÃRx ¦¸£®![]()
(4)Èç¹ûÉí±ßÖ»ÓÐÒ»Ö»µçÁ÷±í»òµçѹ±í£¬ÀûÓÃÒ»ÒÑÖª×èֵΪR0µÄ¶¨Öµµç×è¡¢¿ª¹Ø¡¢µ¼Ïß¡¢µçÔ´µÈÆ÷²ÄÒ²¿ÉÒÔ²â³öδ֪µç×èRx£®ÇëÉè¼Æ²âÁ¿Rx×èÖµµÄÆäËû·½·¨£¨Ö»ÒªÇó»³öʵÑéµç·ͼ²¢Ð´³öRxµÄ½á¹û±í´ïʽ£©¡£
£¨1£©
£¨2£©×ó £¨3£©4.8
£¨4£©
»ò
![]()
£¨ÆäËü´ð°¸Ö»ÒªÕýÈ·Ò²¿ÉÒÔ£©
½âÎö
Á·Ï°²áϵÁдð°¸
Ïà¹ØÌâÄ¿
СÌÎÓ÷ü°²·¨²âÁ¿Ä³µç×èRµÄ×èֵʱ£¬ÒÑÁ¬½ÓÈçͼ¼×Ëùʾµç·£º

£¨1£©Í¬ÊµÑéС×éÁíһλͬѧÓÖ²¹ÁËÒ»¸ùµ¼Ïߣ¬Ê¹µç·ÍêÕû£®ÇëÄãÔÚͼÖл³öÕâ¸ùµ¼Ïߣ®

£¨2£©ÊµÑéÖ묶¯±ä×èÆ÷µÄ×÷ÓÃÊÇ £®
£¨3£©Ð¡ÌÎÕýÈ·²Ù×÷²âµÃÊý¾ÝÈçÉÏ±í£¬µçÁ÷±íµÚ3´ÎʾÊýÈçͼÒÒËùʾ£¬ÇëÄã°ïСÌÎÌîÈë±í¸ñµÄ¿Õ¸ñÖУ®
£¨4£©×îÖÕ²âµÃµÄµç×è×èֵΪ ¦¸£¨¼ÆËã½á¹û±£ÁôһλСÊý£©£®
£¨5£©Í¬ÑùÊDzâÁ¿RµÄ×èÖµ£¬ÁíÒ»¸öʵÑéС×éµÄС»ªÖ»Ñ¡ÓÃÁ˵ç×èÏä¡¢µçÁ÷±í¼°µçÔ´¸÷Ò»¸ö¡¢¿ª¹ØºÍµ¼ÏßÈô¸ÉÒ²ÄÜÍê³É¸ÃʵÑ飺
¢ÙÔÚÓұ߿հ״¦£¬»³öС»ªµÄʵÑéµç·ͼ£®

¢Ú˵³öʵÑéµÄÖ÷Òª²½Ö裺 ¢ÛС»ª²âµç×èµÄ·½·¨ÊǵÈÐ§Ìæ´ú·¨£¬ÔپٳöÔËÓô˷¨µÄÒ»¸öʵÀý £®
£¨1£©Í¬ÊµÑéС×éÁíһλͬѧÓÖ²¹ÁËÒ»¸ùµ¼Ïߣ¬Ê¹µç·ÍêÕû£®ÇëÄãÔÚͼÖл³öÕâ¸ùµ¼Ïߣ®
£¨2£©ÊµÑéÖ묶¯±ä×èÆ÷µÄ×÷ÓÃÊÇ
£¨3£©Ð¡ÌÎÕýÈ·²Ù×÷²âµÃÊý¾ÝÈçÉÏ±í£¬µçÁ÷±íµÚ3´ÎʾÊýÈçͼÒÒËùʾ£¬ÇëÄã°ïСÌÎÌîÈë±í¸ñµÄ¿Õ¸ñÖУ®
£¨4£©×îÖÕ²âµÃµÄµç×è×èֵΪ
| ÊÔÑé´ÎÊý | 1 | 2 | 3 |
| µçѹU/V | 1.5 | 2.0 | 2.5 |
| µçÁ÷I/A | 0.34 | 0.42 |
¢ÙÔÚÓұ߿հ״¦£¬»³öС»ªµÄʵÑéµç·ͼ£®
¢Ú˵³öʵÑéµÄÖ÷Òª²½Ö裺