人教版第九章   电与磁 复习提纲

一、磁现象

1、磁性:物体能够吸引铁、钴、镍的性质叫做磁性。

2、磁体:具有磁性的物体称为磁体。

3、磁体的性质:吸铁性、指向性

4、磁极:磁体上两端磁性最强的部位叫磁极。任何磁体都有北极(N极)和南极(S极)。

5、磁极间的相互作用规律:同名磁极相互排斥,异名磁极相互吸引。

6、判断一个物体是不是磁体的方法:

①根据吸铁性;

②根据指向性;

③根据磁极间的相互作用规律;

④根据磁体两极磁性最强,中间最弱。

7 、磁化:使原来没有磁性的物体获得磁性的过程电磁化。

去磁:使具有磁性的物体失去磁性的过程叫去磁。

容易失去磁性的物体叫做软磁体;不容易失去磁性的物体叫做永磁体或硬磁体。

二、磁场

1、磁场:磁体周围存在的一种看不见、摸不着,能够使磁针偏转的物质。磁极间的相互作用就是通过磁场发生的。

2、磁场方向:放在磁场中某点的小磁针静止时北极所指的方向就是该点的磁场方向。

3、基本性质:磁场对放入其中的磁体产生力的作用。

4、磁感线:为了形象直观地描述磁场中各点的磁场方向,根据铁屑的排列情况,在磁场中画出的一些带箭头的曲线。

注意:

①磁场是真实存在于磁体周围的一种物质;而磁感线是人们为了研究磁场方便,假想出来的一种模型,它并不真实存在。

②磁体周围的磁感线都是从北极出发回到磁体的南极,在磁体内部磁感线从磁体的南极出发回到北极。可见磁感线是一组闭合的曲线。

③磁感线的疏密可以表示磁场的强弱,磁体两极处磁感线最密,表示磁极处磁场最强。

④磁感线布满磁体周围的所有空间并且不相交。磁感线的形状可以是直的,也可以是弯曲的。

⑤磁感线的方向:磁感线上任意一点的切线方向与放在该点的小磁针静止时北极的指向一致也就是该点的磁场方向。

⑥不同磁体周围磁感线以及同名磁极间、异名磁极间的磁场分布分别如图所示。

5、地磁场:地球周围的磁场。地磁的两极与地理的两极不重合,它们之间稍有偏离,最早发现地磁的两极与地理的两极不重合的是我国宋代学者沈括。

三、电生磁

1、电流的磁效应:

①通电导线的周围有磁场,磁场的方向跟电流方向有关,这就是电流的磁效应。

②奥斯特实验:第一个揭示了电和磁有联系的实验,奥斯特在世界上第一个发现了电和磁之间的联系。

奥斯特实验表明:通电导线周围存在磁场;电流的磁场文秘和电流的方向有关。

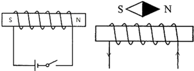
2、通电螺线管的磁场:通电螺线管的磁场与条形磁体相似,它也有N、S极,它的N、S极与螺线管上电流的方向有关,可以用安培定则来判断。

安培定则的内容:用右手握住螺线管,让四指指向螺线管中电流的方向,则大拇指所指的那端就是螺线管的N极。

判断方法:

  1. 标出螺线管上电流的环绕方向;
  2. 用右握住螺线管,让四指弯向电流的方向;

③大拇指所指的那端就是通电螺线管的N极。

影响螺线管极性的因素:螺线管的极性和电流的方向与螺线管的缠绕方法有关。

通电螺线管的外部磁感线由N极到S极,在内部由S极到N极。

3、关于通电螺线管的作图

关于通电螺线管的题目有三种类型:第一种是已知电源的正、负极和绕线方法来判断螺线管的极性;第二种是已知螺线管的极性和绕线方法来判断电源的正、负极;第三种是已知电源的正、负极和螺线管的极性画螺线管的绕线情况。解决这三种问题,应从以下几点入手:

①记住常见的几种磁感线分布情况。

②磁场中的小磁针静止时N极的指向为该点的磁场方向和该点的磁感线方向。

③磁感线是闭合曲线:磁体外部的磁感线都是从磁体的北(N)极出发回到磁体的南(S)极;在磁体内部磁感线从磁体的南极出发回到北极。

④对于通电螺线关健是根据N、S极或电源的“+”、“-”极判断出螺线管的电流方向,绕时的绕线线形状应像“S”或反“S”,螺线管朝向读者的一侧应画导线,内侧不画导线,最后将导线跟电源连接志闭合电路 

四、电磁铁

1、电磁铁:带有铁心的通电螺线管叫做电磁铁。

2、电磁铁的工作原理:电磁铁是内部插有铁心的螺线管,当通电螺线管插入铁心后,由于铁心被磁化,产生了与原螺线管磁场方向一致的磁场,因而它的磁性比原来强得多。电磁铁就是利用电流的磁效应和通电螺线管中插入铁心生磁性大大增强的原理工作的。

②影响电磁铁磁性强弱的因素有电流的大小、线圈匝数、有无铁心等。线圈匝数一定时,电流越大,磁性越强;结构相同的电磁铁,电流一定,线圈匝数越多,磁性越强。有铁芯时比无铁芯磁性强。

电磁铁

永磁体

相同点

都有两极

不同点

磁性的有无

可由通断电流来控制

不能控制

磁极的极性

可由电流的方向控制

不能控制

磁性的强弱

可由电流的大小和线圈的匝数控制

不能控制

应用

电磁起重机、电磁选矿机、电磁继电器、电铃、电话、扬声器、全自动进水排水阀门、感应式冲水器阀门

指南针

五、电磁继电器  扬声器

1、电磁继电器:是利用低电压、弱电流电路的通断来间接地控制高电压、强电流电路的装置,实质是由电磁铁控制电路工作的开关。

构造:电磁铁、衔铁、弹簧、动触点、静触点。

电路组成:低压控制电路;高压工作电路。

工作原理:电磁铁通电时具有磁性吸引衔铁,使动触点和静触点接触,工作电路闭合,电磁铁断电时失去磁性,弹簧把衔铁拉起来切断电路。

2、扬声器:是把电信号转换成声信号的一种装置。

构造:永磁体、线圈、纸盆。

工作原理:当线圈中通过交变电流时,线圈的磁性大小及方向不断变化,受到永磁体的吸引和排斥来回变化,带动纸盆来回振动,于是扬声器就发出了声音。

其发声原理可表示为:变化的电流—变化的磁场—纸盆的振动—声音。

六、电动机

1、磁场对通电导线的作用:通电导线大磁场中要受到力的作用,力的方向跟电流的方向、磁感线的方向有关。当电流的方向或磁感线的方向变得相反时,通电导线受力的方向也变得相反。

2、左手定则:张开左手,让四指与大拇指垂直,让磁感线垂直穿过掌心,四指指向电流方向,大拇指马提尼克指的方向就是磁场对通电导线的作用力的方向。

3、通电线圈在磁场中会受力发生转动。

4、电动机

①工作原理:通电线圈在磁场中受力而转动,其能量转化过程是电能转化为机械能。

②种类:直流电动机、交流电动机

③直流电动机构造:磁体、线圈、换向器、电刷。

④换向器:由两个铜制半环构成。

作用:每当线圈刚转过平衡位置时,自动改变线圈中电流方向使线圈能沿着同一方向连续转动。

⑤转速:电动机的转速由电流大小决定。

⑥电动机的转动的方向由电流方向和磁场方向决定。

⑦能量转化:电能转化为机械能。

⑧电动机优点:构造简单;控制方便;体积小;无污染;效率高。

七、磁生电

1、 电磁感应现象:闭合电路中的一部分导体在磁场中作切割磁感线运动产生电流的现象叫做电磁感应现象,产生的电流叫感应电流。

英国物理学家法拉第发现了电磁感应现象,进一步揭示了电与磁之间的联系,发明了发电机。

感应电流的方向与导体做切割磁感线运动的方向和磁感线方向有关。

2、产生感应电流的条件:电路必须是闭合的;部分导体在磁场中做切割磁感线运动。

3、发电机:

①制成原理:利用电磁感应现象制成的

②能量的转化:机械能转化为电能

③分类:直流发电机、交流发电机

④交流发电机的构造:转子、定子、2个铜环、2个电刷。

4、交流电和直流电:

①交流电:大小和方向周期性变化的电流。符号AC。

②直流电:电流方向不变的电流。符号DC。

5、我国供生产和生活用的是交流电,频率是50Hz,周期是0.02s,电流在每秒内产生的周期性变化的次数是50次,在1秒内电流方向变化100次。

八、电磁现象作图

1、已知磁体的磁极画磁感线方向或通电螺线管中电流方向。

2、根据磁感线方向确定磁极,标出通电螺线管的磁极或电流方向。

3、根据题中或图中的已知条件,画出螺线管线圈的绕法。

4、根据图中通电螺线管的电流方向,标出磁极、磁场中某点的小磁针的极性,以及另一个通电螺线管的磁极或线圈的绕法。

5、根据要求完成电磁继电器线路的连接。

违法和不良信息举报电话:027-86699610 举报邮箱:58377363@163.com

精英家教网