搜索
题目内容
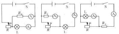
现有电流表两只、一个阻值为R
0
的定电阻、滑动变阻器一个、电源(电压值为4.5V) 一个、一个开关、一个额定电压为2.5V而额定功率未知的小灯泡和导线若干.要求测出该灯泡的额定功率(上述器材的规格均符合实验要求).请设计出符合要求的实验电路图.
试题答案
相关练习册答案
见下图说明:以下三种情况中任意一种都正确.
练习册系列答案
时刻准备着寒假作业系列答案
时习之期末加寒假系列答案
寒假作业假期园地中原农民出版社系列答案
天府大本营学期总复习系列答案
完美假期寒假作业系列答案
为了灿烂的明天寒假生活系列答案
衔接训练营寒系列答案
小学生寒假生活系列答案
小学生聪明屋寒暑假作业系列答案
寒假作业二十一世纪出版社系列答案
相关题目
23、如图所示,现有一个电池组,两只电流表A
1
和A
2
,两只小灯泡L
1
和L
2
(灯L
1
的电流大于灯L
2
的电流),一个开关,导线若干条(用笔画线代替导线).请你设计一个电路,要求开关闭合后,灯L
1
与灯L
2
并联,两只电流表接在电路中,且电流表A
1
的示数大于电流表A
2
的示数.
如图1是小明研究小灯泡电阻的实验电路图,如图2是根据实验数据绘出的U-I图.小灯泡标有“2V”字样,滑动变阻器R标有“20Ω 1A”字样.
(1)闭合开关前,小明应将滑动变阻器的滑片移到
端.该实验中,滑动变阻器的作用是保护电路和
.
(2)小明闭合开关后发现灯不亮,电流表有示数,电压表无示数,故障原因可能是
.
(3)小灯泡正常发光时,灯丝的电阻为
Ω.
(4)同桌小华想用小明的实验器材测未知电阻的阻值,但他发现电压表已经损坏而无法使用,经过思考后,他从物理老师那里借采了一只定值电阻R
0
、两只开关和若干导线.
①请你利用小华手边现有的器材,在右框中为小华设计一个测量未知电阻阻值的实验电路图(部分电路已画出);
②写出R
x
的表达式:R
x
=
.
图(甲)是小强探究“电流跟电阻的关系”的实验电路.
实验器材:电源(恒为4.5V),电流表、电压表各一只,一个开关,三个定值电阻(5Ω、10Ω、15Ω),两只滑动变阻器(“10Ω 2A”、“20Ω 1A”),导线若干.
(1)实验中多次改变R的阻值,并得到多组实验数据,由这些数据得到如图(乙)所示的I-R图象,由图象可得结论:
电压不变,导体中的电流跟导体的电阻成反比
电压不变,导体中的电流跟导体的电阻成反比
.
(2)在上述实验中,小强先用5Ω的电阻做完实验后,断开开关,接着仅把10Ω的电阻换下5Ω的电阻继续做实验,闭合开关后,电压表的示数将
大于
大于
2.5V(填“大于”、“小于”或“等于”),接下来应把滑片P适当向
上
上
(填“上”、或“下”)移动,使电压表示数保持不变.
(3)当小强改用15Ω的电阻继续实验时,发现无论怎样移动滑片,都无法使电压表的示数达到实验要求的值.请你分析“电压表的示数无法达到实验要求的值”的原因是:
滑动变阻器的阻值太小
滑动变阻器的阻值太小
.
(4)为了完成实验,请你想一想利用现有的实验器材如何解决这一问题.说出一种方法并简要说明方法的理由.方法:
换用最大阻值为20Ω的滑动变阻器
换用最大阻值为20Ω的滑动变阻器
理由:
根据串联电路的电流相等:
2.5V
15Ω
=
2V
R
滑
解得:R
滑
=12Ω,故换用“20Ω1A”的滑动变阻器
根据串联电路的电流相等:
2.5V
15Ω
=
2V
R
滑
解得:R
滑
=12Ω,故换用“20Ω1A”的滑动变阻器
.
现有一个电池组,两只电流表A
1
和A
2
,两只相同规格的小灯泡L
1
和L
2
,一个开关,导线若干条.请你设计一个电路图画在下图的方框中,要求开关闭合后,灯L
1
与灯L
2
并联,两只电流表接在电路中,且电流表A
1
的示数大于电流表A
2
的示数.
关 闭
试题分类
高中
数学
英语
物理
化学
生物
地理
初中
数学
英语
物理
化学
生物
地理
小学
数学
英语
其他
阅读理解答案
已回答习题
未回答习题
题目汇总
试卷汇总
练习册解析答案