搜索
题目内容
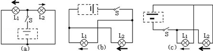
根据图中开关闭合后电灯L
1
的电流方向,在虚线方框内画出电池组正确接入电路的符号,并在图上画出另一盏电灯L
2
电流方向.
试题答案
相关练习册答案
练习册系列答案
新课堂新坐标高三一轮总复习系列答案
百年学典全优课堂高考总复习系列答案
新课标高考总复习创新方案系列答案
金版学案高考总复习系列答案
三维设计新课标高考总复习系列答案
单元滚动检测卷系列答案
每周6加13读3练1周1测系列答案
一品课堂通关测评系列答案
阶段检测优化卷系列答案
高中必刷题系列答案
相关题目
(2012?邗江区一模)家庭电路中,当电路发生故障时,电工师傅常用一只额电压为220V的灯泡L
0
(检验灯泡),放在保险丝位置上,并且断开保险丝,来检查家庭电路中每个支路的情况,如图所示,当S闭合时,再逐一闭合S
1
、S
2
、S
3
(每次只闭合其中的一个开关)时,可能出现下列几种现象,请你根据所提供的现象判断电路的状况(选填:“短路”、“断路”或“正常”):
(1)L
0
不亮,说明该支路
断路
断路
.
(2)L
0
正常发光,说明该支路
短路
短路
.
(3)L
0
发光呈暗红色,说明该支路
通路
通路
.
(4)家庭电路中所有用电器都工作时,总电阻
最小
最小
.(填最大或最小).
(5)如果想再接一盏,把它接在开关的两端,与开关并联,则无论开关断开还是闭合,该灯不能正常发光,原因
当开关闭合时,该灯被短路,当开关断开时,该灯实际电压低所以不能正常工作
当开关闭合时,该灯被短路,当开关断开时,该灯实际电压低所以不能正常工作
.
(6)测电笔的是用来辨别火线和零线的,使用时,笔尖与
电线
电线
接触,手与
笔尾金属体
笔尾金属体
接触,用电器两端氖管都发光表示是火线.
(7)当把台灯插入插座,家中熔丝立即烧断,则
插头短路
插头短路
;若台灯开关闭合后家中熔丝立即烧断,则
台灯短路
台灯短路
.
(8)利用家庭电路中的电能表和手表测家用电器的功率,其实验原理是P=
W
t
W
t
.
(9)其具体做法是:如图所示的电能表,只让待测用电器单独工作,观察电能表,数出转盘转过25圈所需的时间3min,则该用电器的功率为
200
200
W.
铅笔芯主要成分是石墨,笔芯软硬程度不同的铅笔其用途不同,例如作图用6B软铅笔、写字用软硬适中的HB铅笔、制图用6H硬铅笔.铅笔芯是导体,张华同学猜想铅笔芯电阻大小可能与其软硬程度有关.张华选择干电池、软硬程度不同的铅笔芯、小灯泡、开关、导线,设计实验对这个问题进行了探究.
(1)张华同学选取软硬程度不同的铅笔芯进行研究时,应考虑到它们的
长度
长度
和
横截面积
横截面积
等因素是相同的;
(2)若图乙中铅笔芯的硬度比图甲中大,开关闭合后,张华根据观察到的小灯泡的亮度情况,可确定乙图中铅笔芯的电阻
大
大
(选填“大”或“小”),说明铅笔芯的电阻与软硬程度
有关
有关
(选填“有关”或“无关”);
(3)张华想借助电阻箱,用“替代法”较准确的测出铅笔芯的电阻.除了上述器材和电阻箱外,还需必备的器材是:
电压表或电流表
电压表或电流表
;张华的做法是:用电阻箱替代图中的铅笔芯,调节电阻箱的电阻值,使
电压或电流
电压或电流
的大小与原来接铅笔芯时的大小相同,则电阻箱接入电路的阻值就是铅笔芯的电阻值.
(2010?内江)用“伏安法”测量阻值约为7Ω的电阻的阻值,现备有的实验器材有:
A.待测电阻R
x
;
B.三节串联的干电池;
C.电压表一个(量程0~3V,0~15V);
D.电流表一个(量程0~o.6A,O~3A);
E.滑动变阻器R
0
(阻值为0~12Ω);
F.开关S一个,导线若干.则:
(1)根据题意,在图1虚线方框内画出实验电路图,并在图上标出电表的正、负接线柱(其中,部分已画好).
(2)为了使测量结果尽可能准确,要求电表的指针能达到电表刻度线的中线以上,那么,电流表的量程应选
0~0.6A
0~0.6A
;电压表的量程应选
0~3V
0~3V
.
(3)根据题意,用铅笔画线代替导线将图2中实物图连接起来(其中,部分导线已连好).
(4)电路连接好后,闭合开关,调节滑动变阻器,当滑片移到某一位置时,两表的读数如图3所示,则电压表的示数为
2.4
2.4
V,电流表的示数为
0.4
0.4
A.为了防止损坏电表,开关闭合后,滑动变阻器R0接入电路中的电阻值应不小于
3
3
Ω,该电路中电流可变化的范围为
0.25A~0.5A
0.25A~0.5A
.
回顾实验和探究:(请将下列实验报告中的空缺部分填写完整)
(1)探究串、并联电路的特点:
电
路
图
①小明用图乙所示的电路探究了串联电路中开关的位置改变时它的控制作用是否改变.他把开关先后接在a、b、c三处,实验获得的结果如下表所示:
过程
开关状态
灯泡状态
a处
b处
c处
闭合
断开
闭合
断开
闭合
断开
灯L
1
亮
不亮
亮
不亮
亮
不亮
灯L
2
亮
不亮
亮
不亮
亮
不亮
由上面的实验可以看出:在串联电路中,开关的位置改变时,它的控制作用
不变
不变
.
②小明又按照图乙的电路图,连接了实物,把开关闭合后,发现两个小灯泡都亮了,然后把其中的一个小灯泡拧下来,发现另一个小灯泡
不亮
不亮
,由此说明,串联电路中,各用电器之间相互
影响
影响
(2)小明想探究并联电路的电流规律:电流过大,可能会烧坏电流表和电源
实验
装置
③请根据电路图将实物电路连接完整:
步骤
④把电流表分别接入A、B、C三点,闭合开关,读出电流表的示数,填入表中.请将表格补充完整.
表格
测量位置
A
B
C
电流I/A
0.3
0.5
结论
⑤在并联电路中,干路电流等于
各支路
各支路
电流之和.
自古以来,人们一直认为电与磁没有联系,直到近代许多科学家的出色工作,才将电与磁统一起来.
(1)1820年,丹麦物理学家
奥斯特
奥斯特
做实验时偶然发现,当导线中通过电流时,它旁边的磁针发生了
偏转
偏转
.由此说明了
通电导体周围存在磁场
通电导体周围存在磁场
,在世界上第一个发现了电与磁之间的联系.
(2)请你在图中标明开关闭合后磁感线的方向和螺线管中的电流方向和N、S极,以及甲、乙磁铁的N、S极.
(3)电磁铁的应用较广泛,用它制成的电磁继电器更是一种自动控制的重要元件.如图所示是一种水位报警装置的原理图,当水位没有到达金属块
A
A
时,
绿
绿
灯亮;水位到达金属块
A
A
时,电磁铁中有电流通过,电磁铁产生
磁性
磁性
,吸引衔铁,使衔铁与下触点接触,
红
红
灯亮,表示水位过高.
(4)发现电流磁效应之后,许多科学家都在思索,既然电能生磁,那么反过来,磁能否生电呢?这种思考问题的方法在创造学中叫
逆向思考法
逆向思考法
法.英国物理学家
法拉第
法拉第
经过10年探索,于1831年发现了电磁感应现象.根据这个现象发明了发电机,将
机械能
机械能
能转化成
电
电
能,开辟了电气化的时代.
(5)什么情况下磁能生电呢?小明进行了如下的探究:如图所示,把导线与灵敏电流计组成闭合电路.
A、让导线在
磁场中
磁场中
中做
切割磁感线
切割磁感线
运动,灵敏电流计指针偏转,证明有感应电流生成;
B、小明进一步思考,感应电流方向与什么因素有关?小明让导线在磁场中反方向运动,发现灵敏电流计指针偏转的方向与刚才
相反
相反
,证明感应电流方向与导体的运动方向
有关
有关
(填“有关”或“无关”).
关 闭
试题分类
高中
数学
英语
物理
化学
生物
地理
初中
数学
英语
物理
化学
生物
地理
小学
数学
英语
其他
阅读理解答案
已回答习题
未回答习题
题目汇总
试卷汇总
练习册解析答案