18.在进行干电池并联和串联的探究实验中.分别将1节、2节、……干电池并联或串联起来,如图所示,测得电池组两端电压如下表.

电池个数
1
2
3
4
5
电池并联电压/V
1.5
1.5
1.5
1.5
1.5
电池串联电压/V
1.5
3.0
4.5
6.0
7.5

根据上述数据中你能得到的结论是:

a.                                                   

b.                            

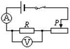
19.小明同学想用电流表、电压表测量一段电阻丝R 的电阻,实验电路图如下:

(1)该实验的测量原理是:          。闭合开关前,滑动变阻器的滑片应位于变阻器的_________端(填a或b)。

(2)当电压表示数为2.4V时,电流表的示数如图所示,这时电路中的电流是     A,电阻丝的电阻为     Ω。小明通过改变被测电阻两端的电压,共测得三组对应的电压值和电流值,最后算出电阻的平均值,这样做的目的是            

(3)若实验中所用器材良好,但在某次测量中发现电流表的指针几乎不动,而电压表的示数较大,则电路中发生故障的原因是_____________________________________。

(4)若将上面实验中的定值电阻R 换成小灯泡,在多次测小灯泡电阻的过程中,发现当电压表的示数增大时,电压表与电流表示数的比值将增大,造成这一现象的原因是       

               

 0  143657  143665  143671  143675  143681  143683  143687  143693  143695  143701  143707  143711  143713  143717  143723  143725  143731  143735  143737  143741  143743  143747  143749  143751  143752  143753  143755  143756  143757  143759  143761  143765  143767  143771  143773  143777  143783  143785  143791  143795  143797  143801  143807  143813  143815  143821  143825  143827  143833  143837  143843  143851  447348 

违法和不良信息举报电话:027-86699610 举报邮箱:58377363@163.com

精英家教网