摘要:总体.个体.样本和样本容量.注意“考查对象 是所要研究的数据. 例1:为了了解某地区初一年级7000名学生的体重情况.从中抽取了500名学生的体重.就这个问题来说.下面说法中正确的是( ) (A)7000名学生是总体 (B)每个学生是个体 (C)500名学生是所抽取的一个样本 (D)样本容量是500 例2:某市今年有9068名初中毕业生参加升学考试.从中抽出300名考生的成绩进行分析.在这个问题中.总体是 ,个体是 ,样本是 ,样本容量是 .
网址:http://m.1010jiajiao.com/timu3_id_457194[举报]
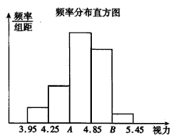
青少年视力水平的下降已经引起全社会的关注,某校为了了解初中毕业年级500名学生的视力情况,从中抽查了一部分学生视力,通过数据处理,得到如下频率分布表和频率分布直方图:
请你根据给出的图表回答:
(1)填写频率分布表中未完成部分的数据;
(2)在这个问题中,总体是_____________,样本容量是_________________;
(3)在频率分布直方图中梯形ABCD的面积是_______________;
(4)请你用样本估计总体,可以得到哪些信息(写一条即可)_________________________。
查看习题详情和答案>>
(1)填写频率分布表中未完成部分的数据;
(2)在这个问题中,总体是_____________,样本容量是_________________;
(3)在频率分布直方图中梯形ABCD的面积是_______________;
(4)请你用样本估计总体,可以得到哪些信息(写一条即可)_________________________。