摘要:2.如图所示的电路中.设灯丝的电阻为.且不随温度变化.已知电压且不变.先闭合开关S.并调节滑片P使它位于的A处.这时消耗功率为2W,后断开开关S.并调节滑片P使它位于的B处.这时消耗的功率为0.25W.电压表先后的示数之比为2:1.求: ①先后通过的电流和之比. ②开关S断开.滑片P位于的B处时.接入电路中的电阻. 答案:2﹕1.4Ω
网址:http://m.1010jiajiao.com/timu3_id_1448944[举报]
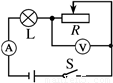
如图所示的电路中,设灯丝的电阻为RL且不随温度变化,已知R1=2RL,电压U=10伏且不变,先闭合开关S,并调节滑片P使它位于R2的A处,这时R2消耗的功率为2瓦;后断开开关S,并调节滑片P使它位于R2的B处,这时R2消耗的功率为0.25瓦,电压表先后的示数之比为2∶1.
求:(1)先后通过R2的电流强度IA和IB之比;
(2)开关S断开、滑片P位于R2的B处时,R2接入电路中的电阻.
查看习题详情和答案>>
查看习题详情和答案>>
如图所示的电路中,灯L1、L2都标有“9V 9W”的字样,设灯丝的电阻不随温度变化.当闭合开关S,并调节滑片P使它位于某一位置,这时电压表的示数为4V;然后断开开关S,并调节滑片P使它位于另一位置,这时电压表的示数为8V,灯泡L1先后的功率之比为4:1.求
(1)灯泡L1的电阻;
(2)电源电压;
(3)为了保护电路的安全,在什么情况下,滑动变阻器接入电路的电阻值不能为零,其最小阻值为多大?你如何判定该最小值的位置?
(1)灯泡L1的电阻;
(2)电源电压;
(3)为了保护电路的安全,在什么情况下,滑动变阻器接入电路的电阻值不能为零,其最小阻值为多大?你如何判定该最小值的位置?