摘要:35.图26所示的电路中.电源电压不变.闭合开关S后.L1.L2都发光.一段时间后.其中一灯突然熄灭.而电流表.电压表的示数都不变.产生这种现象的原因可能是: A.灯L1短路, B.灯L2短路, C.灯L1断路, D.灯L2断路.
网址:http://m.1010jiajiao.com/timu3_id_1425545[举报]
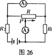
如图26所示电路中,电源电压保持不变.Rl、R2均为定值电阻.当滑动变阻器R的滑动触头P由左向右移动时( )
A.电流表A1的示数始终在增大,电流表A2示数先减小后增大
B.电流表A2的示数始终在增大,电流表A1示数先减小后增大
C.电流表A1示数先增大后减小,电流表A2示数先减小后增大
D.电流表A2示数先增大后减小,电流表A1示数先减小后增大
![]()
许婷用如图1所示的电路测量小灯泡的电功率的同时,测量小灯泡的电阻.小灯泡额定电压为2.5V,正常工作时电阻约8Ω.
![]()
实验室提供的器材有:电压为6V的电源,电压表V(量程为6V).滑动变阻器R1(规格为“10Ω,1A”),滑动变阻器R2(规格为“50Ω,0.5A”),电流表A1(量程0.6A),电流表A2(量程3A).
(1)为保证实验顺利进行,并且有较高的准确性,滑动变阻器应该选 ,电流表应该选 .
(2)许婷在实验时,将电流表和电压表的位置交换了,其他连接正确,闭合开关后 .
A.电流表烧坏 B.电压表示数约6V C.小灯泡烧坏 D.小灯泡不亮
(3)正确连接好电路后,闭合开关,从大到小调节滑动变阻器的阻值,并将电压表和电流表部分读数填在下表中.电压表读数为2.5V时,电流表的示数如图2所示,请帮许婷将此读数填在下表中.
|
序号 |
电压表示数U/V |
电流表示数I/A |
|
1 |
1.0 |
0.14 |
|
2 |
1.5 |
0.21 |
|
3 |
2.0 |
0.26 |
|
4 |
2.5 |
|
|
5 |
3.0 |
0.36 |
(4)根据补充完整后的上表数据,测得小灯泡在电压为2.0V时的实际功率是 W,在正常工作状态时电阻是 Ω.
查看习题详情和答案>>
| 实验次数 | 灯泡两端电压U/v | 通过灯丝的电流I/A |
| 1 | 2.2 | 0.26 |
| 2 | 2.5 | 0.28 |
| 3 | 3.0 | 0.30 |
0.7
0.7
w;(2)灯泡正常发光时,滑动变阻器接入的电阻是
7.14
7.14
Ω(3)小明分析表中数据后发现:当灯丝两端电压改变时,灯丝电阻也在改变.你认为引起灯丝电阻变化的原因是:
灯丝电阻随温度的升高而增大
灯丝电阻随温度的升高而增大
;请你根据生活经验或科技应用列举一例:热敏电阻
热敏电阻
.