如图所示的三条相互平行、距离相等的虚线分别表示电场中的三个等势面,电势分别为7 V、14 V、21 V,实线是一带电粒子(不计重力)在该区域内的运动轨迹,下列说法正确的是( )![]()
| A.粒子一定带负电荷,且粒子在a、b、c三点所受合力相同 |
| B.粒子运动径迹一定是a→b→c |
| C.粒子在三点的动能大小为Ekb>Eka>Ekc |
| D.粒子在三点的电势能大小为Epc>Epa>Epb |
(2011年江苏南京模拟)如图6-2-12所示,A、B、O、C为在同一竖直平面内的四点,其中A、B、O沿同一竖直线,B、C同在以O为圆心的圆周(用虚线表示)上,沿AC方向固定有一光滑绝缘细杆L,在O点固定放置一带负电的小球.现有两个质量和电荷量都相同的带正电的小球a、b,均可视为点电荷,先将a穿在细杆上,让其从A点由静止开始沿杆下滑,后使b从A点由静止开始沿竖直方向下落.则下列说法中正确的是( )![]()
图6-2-12
| A.从A点到C点,小球a做匀加速运动 |
| B.小球a在C点的动能等于小球b在B点的动能 |
| C.从A点到C点,小球a的机械能先增加后减小,但机械能与电势能之和不变 |
| D.小球a从A点到C点电场力做的功大于小球b从A点到B点电场力做的功 |
如图5所示,带等量异号电荷的两平行金属板在真空中水平放置,M、N为板间同一电场线上的两点,一带电粒子(不计 重力)以速度vM经过M点在电场线上向下运动,且未与下板接触,一段时间后,粒子以速度vN折回N点,则 ( ) ![]()
| A.粒子受电场力的方向一定由M指向N |
| B.粒子在M点的速度一定比在N点的大 |
| C.粒子在M点的电势能一定比在N点的大 |
| D.电场中M点的电势一定高于N点的电势 |
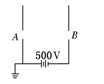
如图2所示,两平行金属板竖直放置,板上A、B两孔正好水平相对,板间电压为500 V.一个动能为400 eV的电子从A孔沿垂直板方向射入电场中.经过一段时间电子离开电场,则电子离开电场时的动能大小为 ( )![]()
| A.900 eV | B.500 eV |
| C.400 eV | D.100 eV |
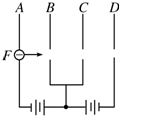
如图7所示,从F处释放一个无初速度的电子向B板方向运动,指出下列对电子运动的描述中哪项是正确的(设电源电动势为E) ( )![]()
| A.电子到达B板时的动能是Ee |
| B.电子从B板到达C板动能变化量为零 |
| C.电子到达D板时动能是3Ee |
| D.电子在A板和D板之间做往复运动 |
如图7所示,在沿水平方向的匀强电场中有a、b两点,已知a、b两点在同一竖直平面内,但不在同一电场线上,一个带电小球在重力和电场力作用下由a点运动到b点,在这一运动过程中,以下判断正确的是 ( ) ![]()
| A.带电小球的动能可能保持不变 |
| B.带电小球运动的轨迹一定是直线 |
| C.带电小球做的一定是匀变速运动 |
| D.带电小球在a点的速度可能为零 |
在电场中运动时,仅受电场力作用,其由a点运动到b点的轨迹如图中虚线所示.图中一组平行等距实线可能是电场线,也可能是等势线,则下列说法中正确的是( )![]()
| A.不论图中实线是电场线还是等势线,a点的电势都比b点低 |
| B.不论图中实线是电场线还是等势线,a点的场强都比b点小 |
| C.如果图中实线是电场线,则电子在a点动能较小 |
| D.如果图中实线是等势线,则电子在b点动能较小 |
美国物理学家劳伦斯于1932年发明的回旋加速器,应用带电粒子在磁场中做圆周运动的特点,能使粒子在较小的空间范围内经过电场的多次加速获得较大的能量,使人类在获得高能量带电粒子方面前进了一步.如图为一种改进后的回旋加速器示意图,其中盒缝间的加速电场场强大小恒定,且被限制在A、C板间,如图所示.带电粒子从P0处以速度v0沿电场线方向射入加速电场,经加速后再进入D型盒中的匀强磁场做匀速圆周运动。对于这种改进后的回旋加速器,下列说法正确的是( )![]()
| A.带电粒子每运动一周被加速两次 |
| B.带电粒子每运动一周P1P2=P2P3 |
| C.加速粒子的最大速度与D形盒的尺寸有关 |
| D.加速电场方向需要做周期性的变化 |
如图甲所示,两平行金属板竖直放置,左极板接地,中间有小孔,右极板电势随时间变化的规律如图乙所示,电子原来静止在左极板小孔处,不计电子的重力,下列说法正确的是( )![]()
| A.从t=0时刻释放电子,电子始终向右运动,直到打到右极板上 |
| B.从t=0时刻释放电子,电子可能在两极间振动 |
| C.从t=T/4时刻释放电子,电子可能在两板间振动,也可能打到右极板上 |
| D.从t=3T/8时刻释放电子,电子必将打到左极板上 |