题目内容

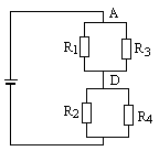
如图所示,电源电动势ε=12V,内阻r=1Ω,电阻R1=R4=15Ω,R2=R3=3Ω,求:

(1)电键K断开时,A、B、D三点的电势;

(2)电键K闭合时,流过电键K中的电流强度及电流方向.

答案:
解析:

  (1)电键K断开时,

  RAB=9Ω

  ∴UAB·RAB×9=×9=V  ①

  =5  ②

  而UAB=UAC+UCB  ③

  由①②③得:UCBV,UAC=9V

  而UCBCB  UACACC=0

  得A=9V,B=-1.8V

  同理UADV=AD

  ∴D=9-=7.2V

  (2)电键K闭合时,C=D,即等效电路如图所示.

  R=2=2×=5Ω

  流过R1的电流I1A

  流过R3的电流I2A

  同理流过R2的电流I3A,流过R4的电流I4A,所以流过K的电流I==1.33A,方向由D→C.


练习册系列答案
相关题目

违法和不良信息举报电话:027-86699610 举报邮箱:58377363@163.com

精英家教网