题目内容
16.A. 电压表(量程0~9V,内阻约20kΩ)
B. 电流表(量程0~50mA,内阻约20Ω)
C. 电流表(量程0~300mA,内阻约4Ω)
D. 滑动变阻器(最大阻值为10Ω,额定电流1A)
E. 直流电源(电动势为9V,内阻约为0.5Ω)
F. 电键K、导线若干.
①为精确测量定值电阻Rx的阻值,电流表应选择C.(填写相应序号)
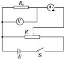
②请在方框中画出实验电路图.
分析 ①估算电路中最大电流,从而选择电流表的量程.
②首先选择必要的器材,再确定电路的结构.为获得较大的电压条件范围,滑动变阻器选择分压式接法;由于待测电阻的电阻值与电流表的电阻值较接进,故采用电流表外接法.
解答
解:①电压表的量程为 U=9V,若选择量程0~50mA,内阻约20Ω的电流表,通过电流表的最大电流约为 Imax=$\frac{U}{{R}_{x}+{R}_{A}}$=$\frac{9}{20+20}$A=0.225A=225mA,故该电流表量程过小.若选择量程0~300mA,内阻约4Ω的电流表,通过电流表的最大电流约为 Imax=$\frac{U}{{R}_{x}+{R}_{A}}$=$\frac{9}{20+4}$A=0.375A=375mA,该电流表合适.
故答案为:C.
②首先选择器材:电源、滑动变阻器、导线和电键是构成闭合电路必须选择的,伏安法测电阻还需要电压表和电流表;
其次确定电路的结构:由于待测电阻的阻值大于变阻器的最大电阻,所以为获得较大的电压条件范围,滑动变阻器选择分压式接法;
由于待测电阻的电阻值与电流表的电阻值较接近,故采用电流表外接法.画出实验电路图如图所示.
故答案为:①C;②画出实验电路图如图所示.
点评 本题关键要明确电阻的测量方法、原理和实验误差的处理,其中用伏安法测量电阻时电流表内、外接法和滑动变阻器的接法选择是重点所在.
练习册系列答案
相关题目
6.为测量一定值电阻Rx(约15Ω~20Ω)的阻值,实验室提供的主要器材如下:
电池组E(电动势约3V)
电流表
(量程0~0.6A)
电压表
(量程0~3V) 电阻箱R(阻值范围0~999.9Ω)
为使测量尽可能准确,某同学用图1所示电路进行测量.闭合开关,调节电阻箱R的值,读出电阻箱的阻值R及对应电流表
的示数I、U,所得数据如表所示:
完成下列问题:
(1)请用笔画线代替导线,将图2中实物连成实验电路;
(2)将电流表、电压表视为理想电表、则电流表的示数I、电压表的示数U、电阻箱的阻值R及待测电阻Rx四个物理量之问满足的关系式是$\frac{U}{I}=\frac{{R}_{x}R}{{R}_{x}+R}$;
(3)根据表中给出的数据,在图3给出的坐标系中作出$\frac{1}{U}$-$\frac{1}{R}$图线;
(4)由作出的$\frac{1}{U}$-$\frac{1}{R}$图线,可求得电阻Rx的测量值为Rx=28.6Ω.(保留3位有效数字)
电池组E(电动势约3V)
电流表
电压表
为使测量尽可能准确,某同学用图1所示电路进行测量.闭合开关,调节电阻箱R的值,读出电阻箱的阻值R及对应电流表
| 次数 | 1 | 2 | 3 | 4 | 5 |
| R/Ω | 8.0 | 11.1 | 14.3 | 16.7 | 20.0 |
| I/A | 0.48 | 0.39 | 0.35 | 0.33 | 0.31 |
| U/V | 2.53 | 2.60 | 2.69 | 2.75 | 2.81 |
| $\frac{1}{U}$/Ω-1 | 0.19 | 0.15 | 0.13 | 0.12 | 0.11 |
| $\frac{1}{R}$/Ω-1 | 0.13 | 0.09 | 0.07 | 0.06 | 0.05 |
(1)请用笔画线代替导线,将图2中实物连成实验电路;
(2)将电流表、电压表视为理想电表、则电流表的示数I、电压表的示数U、电阻箱的阻值R及待测电阻Rx四个物理量之问满足的关系式是$\frac{U}{I}=\frac{{R}_{x}R}{{R}_{x}+R}$;
(3)根据表中给出的数据,在图3给出的坐标系中作出$\frac{1}{U}$-$\frac{1}{R}$图线;
(4)由作出的$\frac{1}{U}$-$\frac{1}{R}$图线,可求得电阻Rx的测量值为Rx=28.6Ω.(保留3位有效数字)
4.小明每天骑车上学,若他在某段路上做直线运动的位移x与时间t的关系为x=3t+t2(各物理量均采用国际单位制单位),则该质点( )
| A. | 第1s内的位移是3m | B. | 前2s内的平均速度是5m/s | ||
| C. | 任意相邻1s内的位移差都是1m | D. | 任意1s内的速度增量都是2m/s |
11.在高空匀速水平飞行的飞机上自由释放一物体,若空气阻力不计,飞机上的人观察物体的运动轨迹是( )
| A. | 倾斜的直线 | B. | 竖直的直线 | C. | 不规则曲线 | D. | 抛物线 |
1.如果物体运动状态发生了变化,则( )
| A. | 速度方向一定发生了变化 | B. | 速度大小一定发生了变化 | ||
| C. | 可能受到了力的作用 | D. | 受到的合外力一定不为0 |
8.如图所示,斜面静止在水平地面上,A、B两个物体通过光滑的滑轮相连,连接A物体的细线与斜面平行,下列说法中正确的是( )

| A. | 当A沿斜面匀速下滑时,地面对甲乙的摩擦力均为零 | |
| B. | 当A沿斜面加速下滑时,地面对甲乙的摩擦力方向均向左 | |
| C. | 当A沿斜面加速上滑时,地面对甲的摩擦力方向向左,地面对乙的摩擦力方向向右 | |
| D. | 把B球向左拉到水平位置放手向下摆到最低点的过程中,若A保持静止,则地面对甲乙的摩擦力方向均向右 |
5.重力做功与重力势能变化的关系错误的是( )
| A. | 重力做功不为零,重力势能一定变化 | |
| B. | 重力做正功,重力势能增加 | |
| C. | 重力做正功,重力势能减少 | |
| D. | 克服重力做功,重力势能增加 |