题目内容
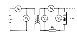
如图所示是通过街头变压器降压给用户供电的示意图。输入电压是市区电网的电压,负载变化时输入电压不会有大的波动。输出电压通过输电线送给用户,两条输电线总电阻用R0表示。当负载增加时,则
![]()
A.表压表V1、V2的读数几乎不变
B.电流表A2的读数增大,电流表A1的读数减小
C.电压表V3的读数增大,电流表 A2的读数增大
D.电压表V2、V3的读数之差与电流表A2的读数的比值不变
【答案】
AD
【解析】
试题分析:由于输入电压不变,所以V1读数不变,则根据
可知,V2读数也不便,所以A正确。由于负载增加,所以并联用电器变多,则并联后总电阻变小,根据闭合电路欧姆定律知A2会变大,而U1I1=U2I2,所以I1也变大,因此B错。根据闭合电路欧姆定律,当I2变大时,由于R0分得电压变大,所以负载得到电压变小,因此V3应减小,所以C错。电压表V2 、V3的读数之差与电流表A2的读数的比值为定值电阻R0,因此不变,D正确。
考点:变压器、闭合电路欧姆定律
点评:此类题型考察了结合变压器的闭合电路欧姆定律,当外电阻变化时电路中电流及电压是如何变化的
练习册系列答案
相关题目
如图所示是通过街头变压器降压给用户供电的示意图。输入电压是市区电网的电压,负载变化时输入电压不会有大的波动。输出电压通过输电线送给用户,两条输电线总电阻用R0表示。当负载增加时,则![]()
| A.表压表V1、V2的读数几乎不变 |
| B.电流表A2的读数增大,电流表A1的读数减小 |
| C.电压表V3的读数增大,电流表 A2的读数增大 |
| D.电压表V2、V3的读数之差与电流表A2的读数的比值不变 |