题目内容
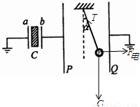
如图所示,C为中间插有电介质的电容器,a和b为其两极板;a板接地;P和Q为两竖直放置的平行金属板,在两板间用绝缘线悬挂一带电小球;P板与b板用导线相连,Q板接地.开始时悬线静止在竖直方向,在b板带电后,悬线偏转了角度a.在以下方法中,能使悬线的偏角a变大的是( )A.缩小a、b间的距离
B.加大a、b间的距离
C.取出a、b两极板间的电介质
D.换一块形状大小相同、介电常数更大的电介质
【答案】分析:(1)对小球受力分析,小球受重力,拉力,电场力三个力的作用,要使悬线的偏角a变大,需要增加PQ两极板间的电场强度,PQ两极板距离不变,即只需增加PQ两极板间的电压即可.两个电容器串在一起,所以两个电容器极板间的电压相同,只需增加ab两极板之间的电压就可以增加PQ两极板间的电压.
(2)ab电容器带电量不变,由:
,
进行分析即可.
解答:解:对小球受力分析如图:

要使悬线的偏角a变大,需要增加F电,即增加PQ两极板间的电场强度,PQ两极板距离不变,所以只需增加PQ两极板间的电压即可.
两个电容器串在一起,所以两个电容器极板间的电压相同,只需增加ab两极板之间的电压就可以增加PQ两极板间的电压.
对电容器ab:Q不变
由:
得:增加U,需要将电容C减小
由:
得:减小电容C可有三个方法:
①增大极板距离d
②减小正对面积s,如将ab板错开
③换介电常数小的电介质
故选:BC
点评:本题综合了电路、电容的知识,综合性较强;是通过平衡条件的考查转移到电容器动态分析的一个考查,需要认真推敲一下.
(2)ab电容器带电量不变,由:
解答:解:对小球受力分析如图:
要使悬线的偏角a变大,需要增加F电,即增加PQ两极板间的电场强度,PQ两极板距离不变,所以只需增加PQ两极板间的电压即可.
两个电容器串在一起,所以两个电容器极板间的电压相同,只需增加ab两极板之间的电压就可以增加PQ两极板间的电压.
对电容器ab:Q不变
由:
由:
①增大极板距离d
②减小正对面积s,如将ab板错开
③换介电常数小的电介质
故选:BC
点评:本题综合了电路、电容的知识,综合性较强;是通过平衡条件的考查转移到电容器动态分析的一个考查,需要认真推敲一下.
练习册系列答案
相关题目