题目内容

用下列器材,测定小灯泡的额定功率.
A.待测小灯泡:额定电压6V,额定功率约为5W;
B.电流表:量程l.0A,内阻约为0.5Ω;
C.电压表:量程3V,内阻5kΩ;
D.滑动变阻器R:最大阻值为20Ω,额定电流1A;
E.电源:电动势10V,内阻很小;
F.定值电阻R(阻值10kΩ);
G.开关一个,导线若干.
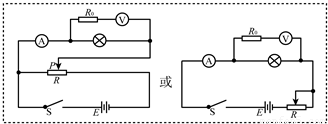
要求:①实验中,电流表应采用______接法(填“内”或“外”);滑动变阻器应采用______接法(填“分压”或“限流”).
②在方框中画出实验原理电路图.
③实验中,电压表的示数调为______V时,即可测定小灯泡的额定功率.

【答案】分析:①根据灯泡电阻与电流表电压表的电阻大小可得出电流表的接法;分析滑动变阻器与灯泡的电阻的大小关系可得出滑动变阻器的接法;
②由以上分析可知滑动变阻器及电流表的接法,本题选用分压限流均可.
③由串联电路的分压规律可知电压表的示数.
解答:解:①由功率公式可得,灯泡电阻RL==7.2Ω;
,故电流表应采用外接法;
滑动变阻器的最大电阻为20Ω,大于灯泡内阻,故可以采用限流接法;分压也可以.
②由以上分析可知,电路采用分压或限流均可;由于电压表量程只有3V,而灯泡额定电压为6V,故应将电压表与定值电阻串联充当电压表;故电路如图

③串联电路中电流相等,分压之比等于电阻之比,故灯泡与电源的电压之比等于1:2;故当灯泡两端电压为6V时,电压表示数为2V;
故答案为:①外接法,限流(分压);②电路见上图,2.
点评:本题为电学实验题,重在考查考生的实验设计能力、探究能力、推理能力,涉及的知识点主要有电流表的内外接,滑动变阻器的限流、分压,表量程的扩大等.
练习册系列答案
相关题目

第Ⅰ卷(选择题 共31分)

一、单项选择题.本题共5小题,每小题3分,共计15分.每小题只有一个选项符合题意.

1. 关于科学家和他们的贡献,下列说法中正确的是[来源:Www..com]

A.安培首先发现了电流的磁效应

B.伽利略认为自由落体运动是速度随位移均匀变化的运动

C.牛顿发现了万有引力定律,并计算出太阳与地球间引力的大小

D.法拉第提出了电场的观点,说明处于电场中电荷所受到的力是电场给予的

2.如图为一种主动式光控报警器原理图,图中R1R2为光敏电阻,R3R4为定值电阻.当射向光敏电阻R1R2的任何一束光线被遮挡时,都会引起警铃发声,则图中虚线框内的电路是

A.与门                  B.或门               C.或非门                  D.与非门

 


3.如图所示的交流电路中,理想变压器原线圈输入电压为U1,输入功率为P1,输出功率为P2,各交流电表均为理想电表.当滑动变阻器R的滑动头向下移动时

A.灯L变亮                                    B.各个电表读数均变大

C.因为U1不变,所以P1不变                              D.P1变大,且始终有P1= P2

4.竖直平面内光滑圆轨道外侧,一小球以某一水平速度v0A点出发沿圆轨道运动,至B点时脱离轨道,最终落在水平面上的C点,不计空气阻力.下列说法中不正确的是

A.在B点时,小球对圆轨道的压力为零

B.BC过程,小球做匀变速运动

C.在A点时,小球对圆轨道压力大于其重力

D.AB过程,小球水平方向的加速度先增加后减小

5.如图所示,水平面上放置质量为M的三角形斜劈,斜劈顶端安装光滑的定滑轮,细绳跨过定滑轮分别连接质量为m1m2的物块.m1在斜面上运动,三角形斜劈保持静止状态.下列说法中正确的是

A.若m2向下运动,则斜劈受到水平面向左摩擦力

B.若m1沿斜面向下加速运动,则斜劈受到水平面向右的摩擦力

C.若m1沿斜面向下运动,则斜劈受到水平面的支持力大于(m1+ m2+Mg

D.若m2向上运动,则轻绳的拉力一定大于m2g

二、多项选择题.本题共4小题,每小题4分,共计16分.每小题有多个选项符合题意.全部选对的得4分,选对但不全的得2分,错选或不答的得0分.

6.木星是太阳系中最大的行星,它有众多卫星.观察测出:木星绕太阳作圆周运动的半径为r1 周期为T1;木星的某一卫星绕木星作圆周运动的半径为r2 周期为T2.已知万有引力常量为G,则根据题中给定条件

A.能求出木星的质量

B.能求出木星与卫星间的万有引力

C.能求出太阳与木星间的万有引力

D.可以断定

7.如图所示,xOy坐标平面在竖直面内,x轴沿水平方向,y轴正方向竖直向上,在图示空间内有垂直于xOy平面的水平匀强磁场.一带电小球从O点由静止释放,运动轨迹如图中曲线.关于带电小球的运动,下列说法中正确的是

A.OAB轨迹为半圆

B.小球运动至最低点A时速度最大,且沿水平方向

C.小球在整个运动过程中机械能守恒

D.小球在A点时受到的洛伦兹力与重力大小相等

8.如图所示,质量为M、长为L的木板置于光滑的水平面上,一质量为m的滑块放置在木板左端,滑块与木板间滑动摩擦力大小为f,用水平的恒定拉力F作用于滑块.当滑块运动到木板右端时,木板在地面上移动的距离为s,滑块速度为v1,木板速度为v2,下列结论中正确的是

A.上述过程中,F做功大小为            

B.其他条件不变的情况下,F越大,滑块到达右端所用时间越长

C.其他条件不变的情况下,M越大,s越小

D.其他条件不变的情况下,f越大,滑块与木板间产生的热量越多

9.如图所示,两个固定的相同细环相距一定的距离,同轴放置,O1O2分别为两环的圆心,两环分别带有均匀分布的等量异种电荷.一带正电的粒子从很远处沿轴线飞来并穿过两环.则在带电粒子运动过程中

A.在O1点粒子加速度方向向左

B.从O1O2过程粒子电势能一直增加

C.轴线上O1点右侧存在一点,粒子在该点动能最小

D.轴线上O1点右侧、O2点左侧都存在场强为零的点,它们关于O1O2连线中点对称

 


第Ⅱ卷(非选择题 共89分)

三、简答题:本题分必做题(第lO、11题)和选做题(第12题)两部分,共计42分.请将解答填写在答题卡相应的位置.

必做题

10.测定木块与长木板之间的动摩擦因数时,采用如图所示的装置,图中长木板水平固定.

(1)实验过程中,电火花计时器应接在  ▲  (选填“直流”或“交流”)电源上.调整定滑轮高度,使  ▲ 

(2)已知重力加速度为g,测得木块的质量为M,砝码盘和砝码的总质量为m,木块的加速度为a,则木块与长木板间动摩擦因数μ=  ▲ 

(3)如图为木块在水平木板上带动纸带运动打出的一条纸带的一部分,0、1、2、3、4、5、6为计数点,相邻两计数点间还有4个打点未画出.从纸带上测出x1=3.20cm,x2=4.52cm,x5=8.42cm,x6=9.70cm.则木块加速度大小a=  ▲  m/s2(保留两位有效数字).

 


11.为了测量某电池的电动势 E(约为3V)和内阻 r,可供选择的器材如下:

A.电流表G1(2mA  100Ω)             B.电流表G2(1mA  内阻未知)

C.电阻箱R1(0~999.9Ω)                      D.电阻箱R2(0~9999Ω)

E.滑动变阻器R3(0~10Ω  1A)         F.滑动变阻器R4(0~1000Ω  10mA)

G.定值电阻R0(800Ω  0.1A)               H.待测电池

I.导线、电键若干

(1)采用如图甲所示的电路,测定电流表G2的内阻,得到电流表G1的示数I1、电流表G2的示数I2如下表所示:

I1(mA)

0.40

0.81

1.20

1.59

2.00

I2(mA)

0.20

0.40

0.60

0.80

1.00

 


根据测量数据,请在图乙坐标中描点作出I1I2图线.由图得到电流表G2的内阻等于

  ▲  Ω.

(2)在现有器材的条件下,测量该电池电动势和内阻,采用如图丙所示的电路,图中滑动变阻器①应该选用给定的器材中  ▲  ,电阻箱②选  ▲  (均填写器材代号).

(3)根据图丙所示电路,请在丁图中用笔画线代替导线,完成实物电路的连接.

 


12.选做题(请从A、B和C三小题中选定两小题作答,并在答题卡上把所选题目对应字母后的方框涂满涂黑.如都作答,则按A、B两小题评分.)

A.(选修模块3-3)(12分)

(1)下列说法中正确的是  ▲ 

A.液体表面层分子间距离大于液体内部分子间距离,液体表面存在张力

B.扩散运动就是布朗运动

C.蔗糖受潮后会粘在一起,没有确定的几何形状,它是非晶体

D.对任何一类与热现象有关的宏观自然过程进行方向的说明,都可以作为热力学第二定律的表述

(2)将1ml的纯油酸加到500ml的酒精中,待均匀溶解后,用滴管取1ml油酸酒精溶液,让其自然滴出,共200滴.现在让其中一滴落到盛水的浅盘内,待油膜充分展开后,测得油膜的面积为200cm2,则估算油酸分子的大小是  ▲  m(保留一位有效数字).

(3)如图所示,一直立的汽缸用一质量为m的活塞封闭一定量的理想气体,活塞横截面积为S,汽缸内壁光滑且缸壁是导热的,开始活塞被固定,打开固定螺栓K,活塞下落,经过足够长时间后,活塞停在B点,已知AB=h,大气压强为p0,重力加速度为g

①求活塞停在B点时缸内封闭气体的压强;

②设周围环境温度保持不变,求整个过程中通过缸壁传递的热量Q(一定量理想气体的内能仅由温度决定).

B.(选修模块3-4)(12分)

(1)下列说法中正确的是  ▲ 

A.照相机、摄影机镜头表面涂有增透膜,利用了光的干涉原理

B.光照射遮挡物形成的影轮廓模糊,是光的衍射现象

C.太阳光是偏振光

D.为了有效地发射电磁波,应该采用长波发射

(2)甲、乙两人站在地面上时身高都是L0, 甲、乙分别乘坐速度为0.6c和0.8cc为光速)的飞船同向运动,如图所示.此时乙观察到甲的身高L  ▲  L0;若甲向乙挥手,动作时间为t0,乙观察到甲动作时间为t1,则t1  ▲  t0(均选填“>”、“ =” 或“<”).

(3)x=0的质点在t=0时刻开始振动,产生的波沿x轴正方向传播,t1=0.14s时刻波的图象如图所示,质点A刚好开始振动.

①求波在介质中的传播速度;

②求x=4m的质点在0.14s内运动的路程.

   C.(选修模块3-5)(12分)

(1)下列说法中正确的是  ▲ 

A.康普顿效应进一步证实了光的波动特性

B.为了解释黑体辐射规律,普朗克提出电磁辐射的能量是量子化的

C.经典物理学不能解释原子的稳定性和原子光谱的分立特征

D.天然放射性元素衰变的快慢与化学、物理状态有关

(2)是不稳定的,能自发的发生衰变.

①完成衰变反应方程    ▲ 

衰变为,经过  ▲  α衰变,  ▲  β衰变.

(3)1919年,卢瑟福用α粒子轰击氮核发现质子.科学研究表明其核反应过程是:α粒子轰击静止的氮核后形成了不稳定的复核,复核发生衰变放出质子,变成氧核.设α粒子质量为m1,初速度为v0,氮核质量为m2,质子质量为m0, 氧核的质量为m3,不考虑相对论效应.

α粒子轰击氮核形成不稳定复核的瞬间,复核的速度为多大?

②求此过程中释放的核能.

四、计算题:本题共3小题,共计47分.解答时请写出必要的文字说明、方程式和重要的演算步骤,只写出最后答案的不能得分,有数值计算的题,答案中必须明确写出数值和单位.

13.如图所示,一质量为m的氢气球用细绳拴在地面上,地面上空风速水平且恒为v0,球静止时绳与水平方向夹角为α.某时刻绳突然断裂,氢气球飞走.已知氢气球在空气中运动时所受到的阻力f正比于其相对空气的速度v,可以表示为f=kvk为已知的常数).则

(1)氢气球受到的浮力为多大?

(2)绳断裂瞬间,氢气球加速度为多大?

(3)一段时间后氢气球在空中做匀速直线运动,其水平方向上的速度与风速v0相等,求此时气球速度大小(设空气密度不发生变化,重力加速度为g).

 


14.如图所示,光滑绝缘水平面上放置一均匀导体制成的正方形线框abcd,线框质量为m,电阻为R,边长为L.有一方向竖直向下的有界磁场,磁场的磁感应强度为B,磁场区宽度大于L,左边界与ab边平行.线框在水平向右的拉力作用下垂直于边界线穿过磁场区.

(1)若线框以速度v匀速穿过磁场区,求线框在离开磁场时ab两点间的电势差;

(2)若线框从静止开始以恒定的加速度a运动,经过t1时间ab边开始进入磁场,求cd边将要进入磁场时刻回路的电功率;

(3)若线框以初速度v0进入磁场,且拉力的功率恒为P0.经过时间Tcd边进入磁场,此过程中回路产生的电热为Q.后来ab边刚穿出磁场时,线框速度也为v0,求线框穿过磁场所用的时间t

      

15.如图所示,有界匀强磁场的磁感应强度为B,方向垂直纸面向里,MN为其左边界,磁场中放置一半径为R的圆柱形金属圆筒,圆心OMN的距离OO1=2R,圆筒轴线与磁场平行.圆筒用导线通过一个电阻r0接地,最初金属圆筒不带电.现有范围足够大的平行电子束以速度v0从很远处沿垂直于左边界MN向右射入磁场区,已知电子质量为m,电量为e

(1)若电子初速度满足,则在最初圆筒上没有带电时,能够打到圆筒上的电子对应MN边界上O1两侧的范围是多大?

(2)当圆筒上电量达到相对稳定时,测量得到通过电阻r0的电流恒为I,忽略运动电子间的相互作用,求此时金属圆筒的电势φ和电子到达圆筒时速度v(取无穷远处或大地电势为零).

(3)在(2)的情况下,求金属圆筒的发热功率.

 


违法和不良信息举报电话:027-86699610 举报邮箱:58377363@163.com

精英家教网